Salve ragazzi.
Scusatemi intanto se carico la foto così, ma dopo aver provato ad usare per mezz'ora FidoCadj invano (non riuscivo a ruotare resistenze capacità e via dicendo) ho rinunciato.
Ci sarebbe per caso qualche anima pia disposta a spiegarmi in maniera dettagliata come funziona questo oscillatore.
Dagli appunti non riesco a capirlo bene e cercando in rete non sono riuscito a trovare una configurazione uguale a questa.
Vi ringrazio anticipatamente per l'aiuto.
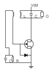
Oscillatore Meissner
Moderatori:
carloc,
g.schgor,
BrunoValente,
IsidoroKZ
7 messaggi
• Pagina 1 di 1
0
voti
Ciao
playbasfa.
Segui questa guida:
http://www.electroyou.it/elettrodomus/w ... -per-tonni
Le immagini da server esterni non sono ammesse.
Leggi le regole del forum.
Dopo aver selezionato il componente premi il tasto "R" e l' oggetto ruota.
playbasfa ha scritto:...ma dopo aver provato ad usare per mezz'ora FidoCadj invano...ho rinunciato.
Segui questa guida:
http://www.electroyou.it/elettrodomus/w ... -per-tonni
Le immagini da server esterni non sono ammesse.
Leggi le regole del forum.
playbasfa ha scritto:..(non riuscivo a ruotare resistenze capacità e via dicendo)...
Dopo aver selezionato il componente premi il tasto "R" e l' oggetto ruota.
0
voti
Perfetto, ce l'ho fatta.
Il condensatore nel blocco in basso ha il + nel piatto inferiore ma non sono riuscito a disegnarlo.
Avrei voluto anche inserire i versi della corrente per come sono nei miei appunti, nella maglia del blocco Beta in senso orario, nella maglia piccolina del condensatore e della resistenza, in senso antiorario.
Il condensatore nel blocco in basso ha il + nel piatto inferiore ma non sono riuscito a disegnarlo.
Avrei voluto anche inserire i versi della corrente per come sono nei miei appunti, nella maglia del blocco Beta in senso orario, nella maglia piccolina del condensatore e della resistenza, in senso antiorario.
-

playbasfa
- Messaggi: 25
- Iscritto il: 21 mar 2013, 19:10
0
voti
Con questo circuito è possibile riportare parte del segnale in uscita all'ingresso, tramite il trasformatore. Sul drain è posto un risonatore LC, l'induttanza è accoppiata con un'altra che riporta il segnale al gate del MOSFET, creando la reazione positiva necessaria a mantenere l'oscillazione.
0
voti
Grazie per la risposta :) :)
Mi sarebbe piaciuto qualcosa di più dettagliato, l'evoluzione del circuito dal momento in cui si accende il dispositivo, te la senti?
Mi sarebbe piaciuto qualcosa di più dettagliato, l'evoluzione del circuito dal momento in cui si accende il dispositivo, te la senti?
-

playbasfa
- Messaggi: 25
- Iscritto il: 21 mar 2013, 19:10
0
voti
Ci provo... L'ho visto nel corso di Elettronica Applicata superficialmente, ma cerco di darti una descrizione più dettagliata... 
Per l'innesco del circuito dovrebbe bastare il rumore termico dovuto alle resistenze. Dopo un transitorio viene innescata la vera e propria oscillazione. Dato che siamo in una situazione di amplificazione common source (invertente), il segnale in uscita dal MOSFET viene invertito di 180° e posto in ingresso al circuito LC. Gli induttori accoppiati sono accoppiati in modo da invertire nuovamente il segnale e creare perciò una reazione positiva. Dato che per mantenere l'oscillazione stabile devono essere rispettate le condizioni di Barkhausen (guadagno di anello = 1 e fase del guadagno di anello nulla) deve essere creato un circuito che abbassi il guadagno di anello T quando questo sia maggiore di 1. Questo è dato dal condensatore C (posto in parallelo a R), che si carica man mano che aumenta l'ampiezza delle oscillazioni, e quando quest'ultima è troppo alta viene polarizzato il diodo posto tra gate e source che collega a riferimento il gate del MOS. In questo modo si abbassa l'ampiezza e il circuito torna a funzionare nel modo previsto...
Spero di essere stato abbastanza chiaro, sicuramente c'è qualcuno più esperto di me, ben vengano le correzioni se necessarie!
Ciao
Michele
Per l'innesco del circuito dovrebbe bastare il rumore termico dovuto alle resistenze. Dopo un transitorio viene innescata la vera e propria oscillazione. Dato che siamo in una situazione di amplificazione common source (invertente), il segnale in uscita dal MOSFET viene invertito di 180° e posto in ingresso al circuito LC. Gli induttori accoppiati sono accoppiati in modo da invertire nuovamente il segnale e creare perciò una reazione positiva. Dato che per mantenere l'oscillazione stabile devono essere rispettate le condizioni di Barkhausen (guadagno di anello = 1 e fase del guadagno di anello nulla) deve essere creato un circuito che abbassi il guadagno di anello T quando questo sia maggiore di 1. Questo è dato dal condensatore C (posto in parallelo a R), che si carica man mano che aumenta l'ampiezza delle oscillazioni, e quando quest'ultima è troppo alta viene polarizzato il diodo posto tra gate e source che collega a riferimento il gate del MOS. In questo modo si abbassa l'ampiezza e il circuito torna a funzionare nel modo previsto...
Spero di essere stato abbastanza chiaro, sicuramente c'è qualcuno più esperto di me, ben vengano le correzioni se necessarie!
Ciao
Michele
7 messaggi
• Pagina 1 di 1
Chi c’è in linea
Visitano il forum: Nessuno e 113 ospiti

Elettrotecnica e non solo (admin)
Un gatto tra gli elettroni (IsidoroKZ)
Esperienza e simulazioni (g.schgor)
Moleskine di un idraulico (RenzoDF)
Il Blog di ElectroYou (webmaster)
Idee microcontrollate (TardoFreak)
PICcoli grandi PICMicro (Paolino)
Il blog elettrico di carloc (carloc)
DirtEYblooog (dirtydeeds)
Di tutto... un po' (jordan20)
AK47 (lillo)
Esperienze elettroniche (marco438)
Telecomunicazioni musicali (clavicordo)
Automazione ed Elettronica (gustavo)
Direttive per la sicurezza (ErnestoCappelletti)
EYnfo dall'Alaska (mir)
Apriamo il quadro! (attilio)
H7-25 (asdf)
Passione Elettrica (massimob)
Elettroni a spasso (guidob)
Bloguerra (guerra)




