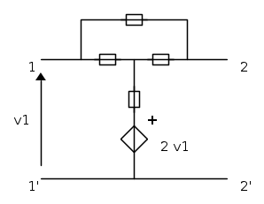
Ho questo esercizio:
trovare i parametri R e G
tutte le resistenze sono da 1 ohm.
Che cosa sono i parametri R e G e come si calcolano?
Parametri R e G
Moderatori:
g.schgor,
IsidoroKZ
10 messaggi
• Pagina 1 di 1
4
voti
I parametri R li puoi considerare un sottoinsieme degli Z considerato che nella rete ci sono solo resistenze....
quelli G sono invece un sottoinsieme degli Y per lo stesso motivo sopra....
ma se non ne hai mai sentito parlare vale una di queste:
i) stai facendo un esercizio che non è previsto nel tuo programma
ii) forse è meglio se dai un'occhiata alla teoria prima di lanciarti negli esercizi
quelli G sono invece un sottoinsieme degli Y per lo stesso motivo sopra....
ma se non ne hai mai sentito parlare vale una di queste:
i) stai facendo un esercizio che non è previsto nel tuo programma
ii) forse è meglio se dai un'occhiata alla teoria prima di lanciarti negli esercizi
Se ti serve il valore di beta: hai sbagliato il progetto!
0
voti
questo esercizio inoltre è particolarmente semplice, dato che la rete è simmetrica, per cui ti sarà sufficiente (nel caso di Z) determinare solo 2 elementi della matrice...comunque mi accodo a quello che ti hanno già detto un minimo di teoria sulle reti biporta ci vuole.
4
voti
MasterCud ha scritto:questo esercizio inoltre è particolarmente semplice, dato che la rete è simmetrica,
Non la vedo tanto simmetrica.
@
"Il circuito ha sempre ragione" (Luigi Malesani)
0
voti
)1
voti
MasterCud ha scritto:questo esercizio inoltre è particolarmente semplice, dato che la rete è simmetrica,
La rete non e` simmetrica.
Per usare proficuamente un simulatore, bisogna sapere molta più elettronica di lui
Plug it in - it works better!
Il 555 sta all'elettronica come Arduino all'informatica! (entrambi loro malgrado)
Se volete risposte rispondete a tutte le mie domande
Plug it in - it works better!
Il 555 sta all'elettronica come Arduino all'informatica! (entrambi loro malgrado)
Se volete risposte rispondete a tutte le mie domande
0
voti
IsidoroKZ ha scritto:La rete non e` simmetrica.
Allora io per simmetrica intendo che la matrice dei parametri Z che viene fuori facendo i calcoli, se provate a trasporla è uguale a quella di partenza...questo è quello che intendo per una rete simmetrica e di certo non l'ho dedotto guardando semplicemente il disegno ma calcolando la Z...ho un esercizio identico svolto del Sadiku in cui la matrice Z esce fuori simmetrica, ho riprovato a farlo dato che mi avete messo il dubbio in testa ed esce nuovamente simmetrica...ma forse sto sbagliando qualcosa non saprei.
2
voti
In effetti non ho fatto i conti, ho solo guardato la rete, e a me sembra non simmetrica e neanche reciproca.
Poi ho provato a fare i conti e Z11 mi viene ad esempio -5/3Ω mentre Z22=-1Ω. Anche gli altri due elementi vengono diversi fra di loro e quindi non e` neanche reciproca.
La definizione che usi per la simmetria secondo me e` la condizione di reciprocita`, per la simmetria serve ulteriormente che Z11=Z22.
Che la rete non sia simmetrica e` secondo me ancora piu` visibile se si guardano i parametri Y.
Poi ho provato a fare i conti e Z11 mi viene ad esempio -5/3Ω mentre Z22=-1Ω. Anche gli altri due elementi vengono diversi fra di loro e quindi non e` neanche reciproca.
La definizione che usi per la simmetria secondo me e` la condizione di reciprocita`, per la simmetria serve ulteriormente che Z11=Z22.
Che la rete non sia simmetrica e` secondo me ancora piu` visibile se si guardano i parametri Y.
Per usare proficuamente un simulatore, bisogna sapere molta più elettronica di lui
Plug it in - it works better!
Il 555 sta all'elettronica come Arduino all'informatica! (entrambi loro malgrado)
Se volete risposte rispondete a tutte le mie domande
Plug it in - it works better!
Il 555 sta all'elettronica come Arduino all'informatica! (entrambi loro malgrado)
Se volete risposte rispondete a tutte le mie domande
0
voti
IsidoroKZ ha scritto:La definizione che usi per la simmetria secondo me e` la condizione di reciprocita`, per la simmetria serve ulteriormente che Z11=Z22.
Ecco è proprio questa la cosa che sempre mi porta in confusione, in quanto per definizione una matrice è simmetrica se la matrice di partenza coincide con la sua trasposta, quindi io associo generalmente questo risultato algebrico alla rete stessa, e in effetti nel libro che mi capita spesso di consultare questa cosa non viene specificata...quindi mi sembra di capire che il legame matematico è slegato da quello circuitale o meglio è legato però in più deve essere rispettata la condizione che hai scritto tu Z11=Z22. Giusto?? correggimi se sbaglio.
3
voti
[10] Re: Parametri R e G
La simmetria di un doppio bipolo esiste solo quando scambiando il ruolo delle due porte il comportamento non cambia e di conseguenza si poteva escluderla solo notando la dipendenza da v1 del generatore comandato; la simmetria ovviamente implica anche la reciprocità.
BTW se hai fatto i calcoli dei parametri delle due matrici puoi anche postarli
... anche se a
mattejuv non interessa più la soluzione, di certo a qualche lettore del forum potrà essere utile!
Edit
Come correttamente ha già calcolato
IsidoroKZ questo doppio bipolo, non solo non è simmetrico, ma altresì non è nemmemo reciproco;
![R=\left[ \begin{matrix}
-\frac{5}{3} & -\frac{4}{3} \\
-2 & -1 \\
\end{matrix} \right] R=\left[ \begin{matrix}
-\frac{5}{3} & -\frac{4}{3} \\
-2 & -1 \\
\end{matrix} \right]](/forum/latexrender/pictures/0952ad83b4907a4b7d9523bcc4845f76.png)
BTW se hai fatto i calcoli dei parametri delle due matrici puoi anche postarli
Edit
Come correttamente ha già calcolato
![R=\left[ \begin{matrix}
-\frac{5}{3} & -\frac{4}{3} \\
-2 & -1 \\
\end{matrix} \right] R=\left[ \begin{matrix}
-\frac{5}{3} & -\frac{4}{3} \\
-2 & -1 \\
\end{matrix} \right]](/forum/latexrender/pictures/0952ad83b4907a4b7d9523bcc4845f76.png)
"Il circuito ha sempre ragione" (Luigi Malesani)
10 messaggi
• Pagina 1 di 1
Torna a Elettrotecnica generale
Chi c’è in linea
Visitano il forum: Nessuno e 113 ospiti

Elettrotecnica e non solo (admin)
Un gatto tra gli elettroni (IsidoroKZ)
Esperienza e simulazioni (g.schgor)
Moleskine di un idraulico (RenzoDF)
Il Blog di ElectroYou (webmaster)
Idee microcontrollate (TardoFreak)
PICcoli grandi PICMicro (Paolino)
Il blog elettrico di carloc (carloc)
DirtEYblooog (dirtydeeds)
Di tutto... un po' (jordan20)
AK47 (lillo)
Esperienze elettroniche (marco438)
Telecomunicazioni musicali (clavicordo)
Automazione ed Elettronica (gustavo)
Direttive per la sicurezza (ErnestoCappelletti)
EYnfo dall'Alaska (mir)
Apriamo il quadro! (attilio)
H7-25 (asdf)
Passione Elettrica (massimob)
Elettroni a spasso (guidob)
Bloguerra (guerra)






