Transistor come interruttore con assorbimento
Moderatori:
carloc,
g.schgor,
BrunoValente,
IsidoroKZ
23 messaggi
• Pagina 1 di 3 • 1, 2, 3
0
voti
Buongiorno a tutti :) dopo infinite ricerche sul web mi rivolgo a questo splendido forum. ..ho realizzato un circuto che funge da caricabatterie x dispositivi USB (cellulare, auricolare...) da mettere in macchina. Ho usato un lm350 x via della massima corrente che è pari a 3 ampere. Il problema è arrivato quando ho recuperato un pnp da un altro caricabatterie da auto. Non riesco a collegarlo in modo da farlo condurre quando dal lm350 esce corrente. Ho provato con un npn (13006) e ci sono riuscito
ora però ho 4.5 volt in uscita....avevo pensato di spingere di più il 350 fino ad avere 5 volt sul transistor che ne dite ?
0
voti
Ciao.
Una guida, all' uso di FIDOCADJ, la trovi al seguente link:
http://www.electroyou.it/elettrodomus/w ... -per-tonni
Una guida, all' uso di FIDOCADJ, la trovi al seguente link:
http://www.electroyou.it/elettrodomus/w ... -per-tonni
0
voti
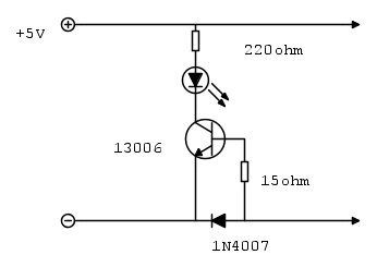
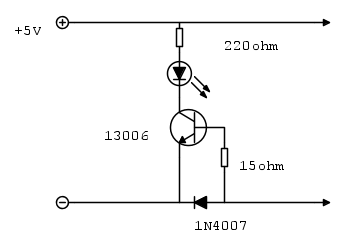
questo è con l'npn e funziona solo che in uscita ho 4,6 volt circa, ma potrei risolvere aumentando la tensione di uscita del lm350...quello che non funziona è con il pnp. inoltre sul datasheet del diodo c'è scritto come corrente massima 1 ampere, posso metterne 3 in parallelo o mi consigliate di sceglierne un altro?
0
voti
Questo invece è con il pnp che ho recuperato dal caricabatterie vecchio (che funzionava, premetto :) )
con questo circuito all'applicazione del carico il led si accende, ma al carico non arriva corrente perché gli arriva una tensione di 3,4 volt
0
voti
Dalla descrizione un po' confusa mi sembra di capire che
egystep voglia accendere un led quando c'è corrente erogata dal carica batteria.
Stefano
Stefano
-

stefanodelfiore
1.673 3 8 - Master

- Messaggi: 569
- Iscritto il: 28 mar 2009, 20:15
- Località: Bologna
0
voti
si esatto, vorrei accendere il led quando il caricabatteria sta caricando
0
voti
La caduta di tensione che lamenti in uscita del primo circuito è legata alla caduta di tensione ai capi del diodo 1N4007 quando percorso da corrente.
Questa caduta che hai sul diodo quando percorso da corrente fa sì che il transistore possa entrare in conduzione.
Il secondo circuito è sbagliato in quanto il transistore risulta in conduzione indipendentemente dalla corrente che circola nella batteria . Se osservi vedi che la giunzione base emettitore del transistore è polarizzata direttamente, quindi il transistore è sempre in conduzione.
In ogni caso sia che usi un transistore npn o un pnp il comportamento del circuito rimane lo stesso.
Stefano
Questa caduta che hai sul diodo quando percorso da corrente fa sì che il transistore possa entrare in conduzione.
Il secondo circuito è sbagliato in quanto il transistore risulta in conduzione indipendentemente dalla corrente che circola nella batteria . Se osservi vedi che la giunzione base emettitore del transistore è polarizzata direttamente, quindi il transistore è sempre in conduzione.
In ogni caso sia che usi un transistore npn o un pnp il comportamento del circuito rimane lo stesso.
Stefano
-

stefanodelfiore
1.673 3 8 - Master

- Messaggi: 569
- Iscritto il: 28 mar 2009, 20:15
- Località: Bologna
0
voti
Grazie della risposta. quindi nel secondo caso ho sbagliato a collegare la resistenza della base a massa, giusto?
Per quel che concerne il diodo, questo può limitare anche la corrente che arriva alla batteria?
Per quel che concerne il diodo, questo può limitare anche la corrente che arriva alla batteria?
23 messaggi
• Pagina 1 di 3 • 1, 2, 3
Chi c’è in linea
Visitano il forum: Nessuno e 34 ospiti

Elettrotecnica e non solo (admin)
Un gatto tra gli elettroni (IsidoroKZ)
Esperienza e simulazioni (g.schgor)
Moleskine di un idraulico (RenzoDF)
Il Blog di ElectroYou (webmaster)
Idee microcontrollate (TardoFreak)
PICcoli grandi PICMicro (Paolino)
Il blog elettrico di carloc (carloc)
DirtEYblooog (dirtydeeds)
Di tutto... un po' (jordan20)
AK47 (lillo)
Esperienze elettroniche (marco438)
Telecomunicazioni musicali (clavicordo)
Automazione ed Elettronica (gustavo)
Direttive per la sicurezza (ErnestoCappelletti)
EYnfo dall'Alaska (mir)
Apriamo il quadro! (attilio)
H7-25 (asdf)
Passione Elettrica (massimob)
Elettroni a spasso (guidob)
Bloguerra (guerra)







