Salve a tutti ragazzi, riporto qui un esercizio che pur sembrandomi semplice non mi risulta...
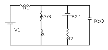
Pensavo di calcolare, dopo aver operato tutte le trasformazioni necessarie, mediante il circuito monofase equivalente, la corrente uscente da ciascun generatore di tensione della terna a sinistra opportunamente trasformata a stella; con una LKT, poi, pensavo di calcolare la tensione tra la linea 1 e la linea 3 e infine calcolare la corrente richiesta come rapporto tra tale tensione e l'impedenza iXc.
Procedendo così, però, la corrente I risulta moltiplicata di un fattore (2+i)/i rispetto al risultato riportato in figura... Il procedimento che ho seguito è corretto? Potrebbe esserci un errore nel risultato?
Esercizio trifase
Moderatori:
g.schgor,
IsidoroKZ
23 messaggi
• Pagina 1 di 3 • 1, 2, 3
0
voti
Ecco, bravo; ora non ti resta che postare il tuo circuito equivalente monofase con i calcoli associati (in formato FidoCadJ e Latex, ovviamente) che poi noi controlliamo. 
Consiglio: se usi Millman lo risolvi in meno di 1 minuto.
Consiglio: se usi Millman lo risolvi in meno di 1 minuto.
"Il circuito ha sempre ragione" (Luigi Malesani)
1
voti
Ciao
edomar
In realtà il problema FidocadJ l' hai quasi risolto
Devi inserire il codice del file del disegno tra i tag
Leggi qui come si fa .. è più facile a farlo che a dirlo!
In realtà il problema FidocadJ l' hai quasi risolto
Devi inserire il codice del file del disegno tra i tag
- Codice: Seleziona tutto
[fcd][/fcd]
Leggi qui come si fa .. è più facile a farlo che a dirlo!
0
voti
Ora ci dovremmo essere...
23 messaggi
• Pagina 1 di 3 • 1, 2, 3
Torna a Elettrotecnica generale
Chi c’è in linea
Visitano il forum: Nessuno e 89 ospiti

Elettrotecnica e non solo (admin)
Un gatto tra gli elettroni (IsidoroKZ)
Esperienza e simulazioni (g.schgor)
Moleskine di un idraulico (RenzoDF)
Il Blog di ElectroYou (webmaster)
Idee microcontrollate (TardoFreak)
PICcoli grandi PICMicro (Paolino)
Il blog elettrico di carloc (carloc)
DirtEYblooog (dirtydeeds)
Di tutto... un po' (jordan20)
AK47 (lillo)
Esperienze elettroniche (marco438)
Telecomunicazioni musicali (clavicordo)
Automazione ed Elettronica (gustavo)
Direttive per la sicurezza (ErnestoCappelletti)
EYnfo dall'Alaska (mir)
Apriamo il quadro! (attilio)
H7-25 (asdf)
Passione Elettrica (massimob)
Elettroni a spasso (guidob)
Bloguerra (guerra)






