Cos'è ElectroYou | Login Iscriviti

ElectroYou - la comunità dei professionisti del mondo elettrico

Transistor ad emettitore comune

Elettronica lineare e digitale: didattica ed applicazioni

Moderatori: Foto Utentecarloc, Foto Utenteg.schgor, Foto UtenteBrunoValente, Foto UtenteIsidoroKZ

0
voti

[11] Re: Transistor ad emettitore comune

Messaggioda Foto Utentenyky93 » 25 ott 2013, 9:06

L'ipotesi di corrente di base trascurabile rispetto alla corrente del partitore serve essenzialmente a velocizzare i conti;


Se invece non si fosse fatta questa ipotesi, tenendo conto anche della corrente di base, come sarebbe cambiata la situazione? Altra domanda: il parametro \alpha_F è una specifica data dal costruttore e sarebbe, che dovrebbe rappresentare la frazione di elettroni raccolta dal collettore, ed è legato al parametro \beta _F dalla relazione

\beta _F=\frac{\alpha_F}{1-\alpha_F}

trovo anche casi in cui il parametro \alpha_F non è prossimo a 1?
Avatar utente
Foto Utentenyky93
130 1 2 6
Frequentatore
Frequentatore
 
Messaggi: 173
Iscritto il: 2 ago 2012, 20:49

2
voti

[12] Re: Transistor ad emettitore comune

Messaggioda Foto UtenteEnChamade » 25 ott 2013, 9:57

nyky93 ha scritto:Si ancora stiamo analizzando modelli lineari per piccoli segnali, quindi mi ritrovo con la seguente definizione
h_{fe}=g_m r_{\pi}


Ok, ma in questo caso, il modello ai piccoli segnali non serve a nulla, a meno che l'esercizio non abbia anche una seconda parte di analisi ai piccoli segnali. Tu invece avevi chiesto delucidazioni solo sul punto di lavoro in cui serve usare l'h_{FE}, che è un'altra cosa.

nyky93 ha scritto:Corso di laurea in fisica. Il nome del corso che sto seguendo è denominato Laboratorio di Segnali e Sistemi. In pratica sto studiando sulle dispense del corso, e iniziando ad analizzare e studiare i transistor le dispense alterna le relazioni del modello h e del modello \pi

Bello! Allora vediamo se hai capito come girano le cose: come calcoleresti l'h_{fe} e l'h_{ie} del circuito dato? Secondo te, è più conveniente descrivere il BJT con il modello a parametri ibridi o quello a \pi?

nyky93 ha scritto:Se invece non si fosse fatta questa ipotesi, tenendo conto anche della corrente di base, come sarebbe cambiata la situazione?

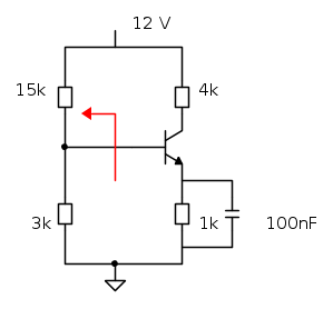
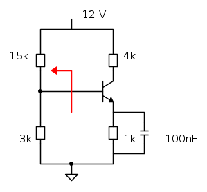
Prova a ragionarci tu... Un aiuto: applica Thévenin come indicato in rosso sul circuito.

Non prendertela se non ti scrivo una risposta diretta, ma la missione del forum è quella di insegnarvi a ragionare. :mrgreen: :mrgreen:
nyky93 ha scritto:Altra domanda: il parametro \alpha_F è una specifica data dal costruttore e sarebbe, che dovrebbe rappresentare la frazione di elettroni raccolta dal collettore, ed è legato al parametro \beta _F dalla relazione

\beta _F=\frac{\alpha_F}{1-\alpha_F}
trovo anche casi in cui il parametro \alpha_F non è prossimo a 1?

Esistono BJT con \beta _F molto basso, nell'ordine di 10 o 20. Sono quelli impiegati per applicazioni di potenza. Quanto vale in questi casi \alpha_F? E se \beta _F=1? Avrebbe senso un BJT fatto in questo modo?
Mi viene però un dubbio: secondo te, che relazione c'è fra il \beta _F e l'h_{FE}?
Avatar utente
Foto UtenteEnChamade
6.498 2 8 12
G.Master EY
G.Master EY
 
Messaggi: 588
Iscritto il: 18 giu 2009, 12:00
Località: Padova - Feltre

0
voti

[13] Re: Transistor ad emettitore comune

Messaggioda Foto Utentenyky93 » 25 ott 2013, 18:03

come calcoleresti l'h_{fe} e l'h_{ie} del circuito dato? Secondo te, è più conveniente descrivere il BJT con il modello a parametri ibridi o quello a \pi?


Credo che sia più adatto il modello \pi in quanto posso sfruttare i valori statici delle correnti.
Ancora non ho analizzato cosa accade ad alte frequenze, ma a quanto ho capito il modello a parametri ibridi è più adatto se devo utilizzare piccoli segnali, cioè aumentando le frequenze i parametri h_{fe} e l'h_{ie} dipendono dalle frequenze, e ciò dipende dal fatto che devo tener conto di effetti capacitivi che entrano in gioco nel modellizzare il transistor (almeno credo)




credo di non aver capito qualche concetto di fondo :?

Mi viene però un dubbio: secondo te, che relazione c'è fra il \beta _F e l'h_{FE}?


\beta _F e h_{FE} dovrebbero essere lo stesso identico parametro (cioè se FE sono maiuscoli)
Avatar utente
Foto Utentenyky93
130 1 2 6
Frequentatore
Frequentatore
 
Messaggi: 173
Iscritto il: 2 ago 2012, 20:49

5
voti

[14] Re: Transistor ad emettitore comune

Messaggioda Foto UtenteEnChamade » 25 ott 2013, 20:35

nyky93 ha scritto:Credo che sia più adatto il modello \pi in quanto posso sfruttare i valori statici delle correnti.

:ok: :ok:

nyky93 ha scritto:Ancora non ho analizzato cosa accade ad alte frequenze, ma a quanto ho capito il modello a parametri ibridi è più adatto se devo utilizzare piccoli segnali, cioè aumentando le frequenze i parametri h_{fe} e l'h_{ie} dipendono dalle frequenze, e ciò dipende dal fatto che devo tener conto di effetti capacitivi che entrano in gioco nel modellizzare il transistor (almeno credo)

Non solo, i parametri h, per come sono definiti, dipendono dalla configurazione che si sta analizzando (CE, CC, CB...e nel caso in esame il pedice e sta per emitter, il terminale in comune) e, in generale, non si possono calcolare: sono quindi dati dal costruttore che li determina tramite misure. Descrivendo invece il transistor con un modello a \pi si può, teoricamente, calcolare o stimare tutti i parametri del modello lineare, conoscendo il punto di lavoro. Inoltre, il modello è valido a prescindere dalla configurazione in cui si trova il transistor... quindi, tanto vale usare sempre il modello a \pi buttando via quello a parametri h. Ci sono poi altre cose da dire, ma per non scrive cose che già si trovano nel forum, ti invito a leggere questo intervento.

nyky93 ha scritto:credo di non aver capito qualche concetto di fondo :?

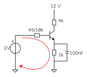
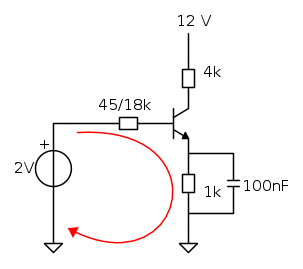
Non mi sembra... adesso, scrivendo Kirchhoff sulla maglia indicata in rosso e considerando le relazioni che sussitono fra le correnti di base ed emettitore, ti calcoli tutto quello che vuoi e senza trascurare gli effetti di carico sul partitore... ma come vedrai, numericamente, cambierà ben poco rispetto al primo caso (quello in cui trascuravi l'effetto di carico del partitore).


nyky93 ha scritto:\beta _F e h_{FE} dovrebbero essere lo stesso identico parametro (cioè se FE sono maiuscoli)

:ok: :ok:
Avatar utente
Foto UtenteEnChamade
6.498 2 8 12
G.Master EY
G.Master EY
 
Messaggi: 588
Iscritto il: 18 giu 2009, 12:00
Località: Padova - Feltre

0
voti

[15] Re: Transistor ad emettitore comune

Messaggioda Foto Utentenyky93 » 26 ott 2013, 11:16

Stamattina girovagando su youtube ho trovato questo video che mi ha schiarito qualche altro concetto

Tutorial: Common Emitter, Common Collector, and Common Bas...

sapreste indicarmi qualche video-tutorial simile sull'argomento?
Avatar utente
Foto Utentenyky93
130 1 2 6
Frequentatore
Frequentatore
 
Messaggi: 173
Iscritto il: 2 ago 2012, 20:49

1
voti

[16] Re: Transistor ad emettitore comune

Messaggioda Foto Utentemrc » 26 ott 2013, 11:25

Ciao.

Se ti possono essere utili, al seguente link trovi alcuni video:

http://www.youtube.com/results?search_q ... OhZXd3RSog
Avatar utente
Foto Utentemrc
10,5k 6 11 13
Expert EY
Expert EY
 
Messaggi: 4023
Iscritto il: 16 apr 2009, 9:32

0
voti

[17] Re: Transistor ad emettitore comune

Messaggioda Foto Utentenyky93 » 26 ott 2013, 18:51

Ok, per il momento non ho altre domande :mrgreen: :mrgreen: grazie mille a tutti per le risposte e i chiarimenti
Avatar utente
Foto Utentenyky93
130 1 2 6
Frequentatore
Frequentatore
 
Messaggi: 173
Iscritto il: 2 ago 2012, 20:49

Precedente

Torna a Elettronica generale

Chi c’è in linea

Visitano il forum: Nessuno e 63 ospiti