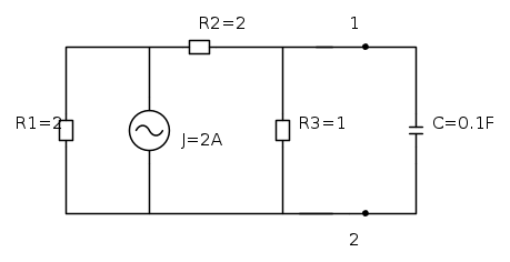
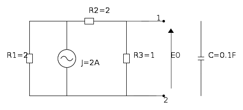
Ragazzi dovrei applicare thevenin ai terminali 1 e 2. Non mi trovo quando devo calcolare la tensione a vuoto.
Applicare thevenin
Moderatori:
g.schgor,
IsidoroKZ
18 messaggi
• Pagina 1 di 2 • 1, 2
0
voti
lillo ha scritto:secondo me è in continua...
Se anche se non lo è, tra i punti "1" e "2", non è che, in questo caso, ci sia molta differenza tra in calcoli in continua e quelli in alternata
-

nunziato
4.291 3 9 12 - Master EY

- Messaggi: 531
- Iscritto il: 14 dic 2012, 23:14
- Località: Acri (CS) - Polistena (RC)
0
voti
ragazzi ho lo svolgimento di tutto l'esercizio, perciò posso confrontare tutti i passaggi, quando devo calcolare la resistenza di thevenin, nessun problema, mi trovo( Rth=4/5 ohm); ma non mi trovo quando devo calcolare la tensione a vuoto Eo.
0
voti
g.schgor ha scritto:Insisto. Io "staccherei" anche R3 (più semplice di così...)
....a me pare che R2 e R3 vadano in serie, poi si debba fare il partitore di corrente e infine si calcoli la caduta su R3..perché dici di staccare R3?
_______________________________________________________
Gli oscillatori non oscillano mai, gli amplificatori invece sempre
Io HO i poteri della supermucca, e ne vado fiero!
Gli oscillatori non oscillano mai, gli amplificatori invece sempre
Io HO i poteri della supermucca, e ne vado fiero!
0
voti
Se è il generatore di corrente che ti mette in difficoltà, potresti provare a sostituirlo con il generatore di tensione equivalente ... e aggiungere un po' di buona volontà come suggerito da obiuan.marksqo ha scritto:... non mi trovo quando devo calcolare la tensione a vuoto Eo.
18 messaggi
• Pagina 1 di 2 • 1, 2
Torna a Elettrotecnica generale
Chi c’è in linea
Visitano il forum: Nessuno e 64 ospiti

Elettrotecnica e non solo (admin)
Un gatto tra gli elettroni (IsidoroKZ)
Esperienza e simulazioni (g.schgor)
Moleskine di un idraulico (RenzoDF)
Il Blog di ElectroYou (webmaster)
Idee microcontrollate (TardoFreak)
PICcoli grandi PICMicro (Paolino)
Il blog elettrico di carloc (carloc)
DirtEYblooog (dirtydeeds)
Di tutto... un po' (jordan20)
AK47 (lillo)
Esperienze elettroniche (marco438)
Telecomunicazioni musicali (clavicordo)
Automazione ed Elettronica (gustavo)
Direttive per la sicurezza (ErnestoCappelletti)
EYnfo dall'Alaska (mir)
Apriamo il quadro! (attilio)
H7-25 (asdf)
Passione Elettrica (massimob)
Elettroni a spasso (guidob)
Bloguerra (guerra)






nel seguente circuito



