salve frequento l'università facoltà di ingegneria informatica e mi servirebbe un grosso aiuto da parte vostra per il seguente esercizio.Mi scuso anticipatamente per l'impossibilità di usare fidocad .bisogna determinare studio dinamico in frequenza usando la retroazione.Ho dunque da porvi le seguenti questioni:
-la resistenza R4 va messa nello studio dinamico?
-come si calcola la resistenza vista dal condensatore C per eventuali poli e zeri?
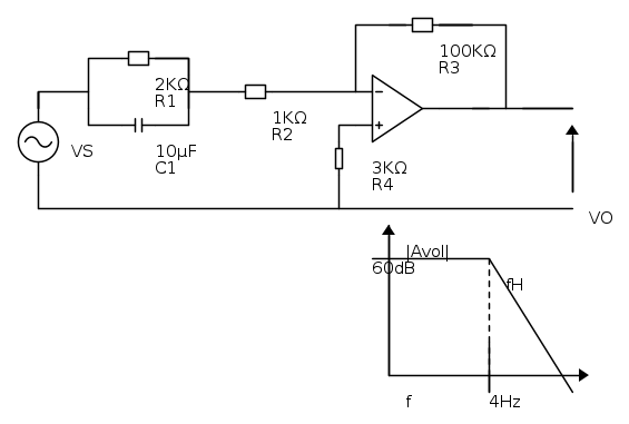
-la classica configurazione invertente ha f.d.t pari a VO/VS=-(Avol*R2)/[Avol*R1+R1+R2] IN QUEsto caso come si procede?
-IL valore del solo Avol si calcola come= 20log Avol =60 -->avol=10^3?
grazie anticipatamente a chi mi potrà aiutare
Esercizio con OP.AMP. reale
Moderatori:
carloc,
g.schgor,
BrunoValente,
IsidoroKZ
36 messaggi
• Pagina 1 di 4 • 1, 2, 3, 4
0
voti
Ciao
ele9.
Se tu usassi FIDOCADJ faciliteresti le eventuali risposte, in quanto lo schema elettrico può essere modificato da chi lo ritiene opportuno ai fini delle spiegazioni.
Ai seguenti link trovi le guide all' uso:
http://www.electroyou.it/elettrodomus/w ... -per-tonni
http://www.electroyou.it/darwinne/wiki/fidocadj
Inoltre le formule vanno scritte usando LATEX, questo per evitare fraintendimenti e per una maggiore chiarezza, al seguente link trovi una piccola guida all' uso:
http://www.electroyou.it/mrc/wiki/intro ... o-di-latex
ele9 ha scritto:Mi scuso anticipatamente per l'impossibilità di usare fidocad.
Se tu usassi FIDOCADJ faciliteresti le eventuali risposte, in quanto lo schema elettrico può essere modificato da chi lo ritiene opportuno ai fini delle spiegazioni.
Ai seguenti link trovi le guide all' uso:
http://www.electroyou.it/elettrodomus/w ... -per-tonni
http://www.electroyou.it/darwinne/wiki/fidocadj
Inoltre le formule vanno scritte usando LATEX, questo per evitare fraintendimenti e per una maggiore chiarezza, al seguente link trovi una piccola guida all' uso:
http://www.electroyou.it/mrc/wiki/intro ... o-di-latex
0
voti
Ciao.
Nel titolo hai scritto "op amp reale", però non hai messo di che op amp si tratta. La R4 nel caso di ideale non serve a nulla, nel caso di reale dipende dall'op amp e aggiungerei da come è alimentato.
Una domanda: lo sapresti risolvere nel caso di op amp ideale?
Nel titolo hai scritto "op amp reale", però non hai messo di che op amp si tratta. La R4 nel caso di ideale non serve a nulla, nel caso di reale dipende dall'op amp e aggiungerei da come è alimentato.
Una domanda: lo sapresti risolvere nel caso di op amp ideale?
_______________________________________________________
Gli oscillatori non oscillano mai, gli amplificatori invece sempre
Io HO i poteri della supermucca, e ne vado fiero!
Gli oscillatori non oscillano mai, gli amplificatori invece sempre
Io HO i poteri della supermucca, e ne vado fiero!
0
voti
non mi è stato dato il tipo di opamp reale nel caso ideale avrei comunque difficolta a risolverlo
2
voti
ele9 ha scritto:non mi è stato dato il tipo di opamp reale nel caso ideale avrei comunque difficolta a risolverlo
Secondo me l'esercizio richiede l'utilizzo di un modello a banda finita per l'opamp con resistenza d'ingresso infinita e resistenza d'uscita nulla. Lo deduco dai dati forniti: abbiamo infatti solo la fdt ad anello aperto dell'amplificatore.
Parti da queste due domande, poi arriviamo al caso che ti serve.
-

EnChamade
6.498 2 8 12 - G.Master EY

- Messaggi: 588
- Iscritto il: 18 giu 2009, 12:00
- Località: Padova - Feltre
0
voti
dunque anzitutto faccio il circuito dinamico equivalente e applico la reazione parallelo-parallelo sul resistore R3 usando i parametri y e avro:y11=1/R3,y12=beta=-1/R3 e y22=1/R3 poi spengo il generatore beta per calcolarmi il guadagno A non reazionato come A=V0/Is e poi calcolo il guadagno reazionato Af=A/1+betaA.il problema e che mi confonde anche quellaresistenza R1 in parallelo al condensatore perche visto che se lo considero ideale R4 non lo considero mi rimane R1 in piu' rispetto alla normale configurazione invertente
1
voti
...conosci le trasformate di Laplace?
hai un condensatore, devi passare nel dominio di Laplace. L'impedenza fra il generatore ed il morsetto meno è il parallelo di C1 e R1 tutto in serie con R2...
hai un condensatore, devi passare nel dominio di Laplace. L'impedenza fra il generatore ed il morsetto meno è il parallelo di C1 e R1 tutto in serie con R2...
_______________________________________________________
Gli oscillatori non oscillano mai, gli amplificatori invece sempre
Io HO i poteri della supermucca, e ne vado fiero!
Gli oscillatori non oscillano mai, gli amplificatori invece sempre
Io HO i poteri della supermucca, e ne vado fiero!
3
voti
ele9 ha scritto:dunque anzitutto faccio il circuito dinamico equivalente e applico la reazione parallelo-parallelo sul resistore R3 usando i parametri y e avro:y11=1/R3,y12=beta=-1/R3 e y22=1/R3 poi spengo il generatore beta per calcolarmi il guadagno A non reazionato come A=V0/Is e poi calcolo il guadagno reazionato Af=A/1+betaA.
Interessante: hai imparato a memoria perfettamente quello che devi fare. Ora dovresti capirlo. E per capirlo, mi sa che dobbiamo partire un po' più indietro. Infatti io e
EDIT: vedo che ti ha già dato la soluzione
-

EnChamade
6.498 2 8 12 - G.Master EY

- Messaggi: 588
- Iscritto il: 18 giu 2009, 12:00
- Località: Padova - Feltre
36 messaggi
• Pagina 1 di 4 • 1, 2, 3, 4
Chi c’è in linea
Visitano il forum: Nessuno e 251 ospiti

Elettrotecnica e non solo (admin)
Un gatto tra gli elettroni (IsidoroKZ)
Esperienza e simulazioni (g.schgor)
Moleskine di un idraulico (RenzoDF)
Il Blog di ElectroYou (webmaster)
Idee microcontrollate (TardoFreak)
PICcoli grandi PICMicro (Paolino)
Il blog elettrico di carloc (carloc)
DirtEYblooog (dirtydeeds)
Di tutto... un po' (jordan20)
AK47 (lillo)
Esperienze elettroniche (marco438)
Telecomunicazioni musicali (clavicordo)
Automazione ed Elettronica (gustavo)
Direttive per la sicurezza (ErnestoCappelletti)
EYnfo dall'Alaska (mir)
Apriamo il quadro! (attilio)
H7-25 (asdf)
Passione Elettrica (massimob)
Elettroni a spasso (guidob)
Bloguerra (guerra)




