Buongiorno a tutti.. devo risolvere questo esercizio ma non riesco a capire come sfruttare tutti i dati nell'analisi statica e dinamica del circuito da progettare. Non capisco, ad esempio, se il punto di lavoro lo devo fissare io inizialmente. Qualcuno potrebbe aiutarmi a impostare la risoluzione? Grazie :)
Progetto di un amplificatore
Moderatori:
carloc,
g.schgor,
BrunoValente,
IsidoroKZ
46 messaggi
• Pagina 1 di 5 • 1, 2, 3, 4, 5
0
voti
Ciao
Andy85.
Ti consiglio, per facilitare le risposte, di impostare quella che secondo te può essere la strada per arrivare alla soluzione, indicando i punti che non ti sono chiari.
Per disegnare e allegare il circuito devi usare FIDOCADJ, ai seguenti link trovi le guide all'uso:
http://www.electroyou.it/elettrodomus/w ... -per-tonni
http://www.electroyou.it/darwinne/wiki/fidocadj
Per le formule devi usare LATEX, al seguente link trovi una guida all' uso:
http://www.electroyou.it/mrc/wiki/intro ... o-di-latex
L' esercizio avresti dovuto scriverlo direttamente nel post.
Leggi le regole del forum.
Ti consiglio, per facilitare le risposte, di impostare quella che secondo te può essere la strada per arrivare alla soluzione, indicando i punti che non ti sono chiari.
Per disegnare e allegare il circuito devi usare FIDOCADJ, ai seguenti link trovi le guide all'uso:
http://www.electroyou.it/elettrodomus/w ... -per-tonni
http://www.electroyou.it/darwinne/wiki/fidocadj
Per le formule devi usare LATEX, al seguente link trovi una guida all' uso:
http://www.electroyou.it/mrc/wiki/intro ... o-di-latex
L' esercizio avresti dovuto scriverlo direttamente nel post.
Leggi le regole del forum.
2
voti
Ok scusatemi per le mie mancanze.
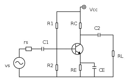
Per il progetto io userei uno stadio ad emettitore comune come nel grafico.
I miei dubbi riguardano:
1) Il punto di lavoro lo scelgo io? Un valore a metà tra
e
?
2) Come sfrutto
e
?
Per il progetto io userei uno stadio ad emettitore comune come nel grafico.
I miei dubbi riguardano:
1) Il punto di lavoro lo scelgo io? Un valore a metà tra
e
?2) Come sfrutto
e
?1
voti
Andy85 ha scritto:1) Il punto di lavoro lo scelgo io? Un valore a metà trae
?
2) Come sfruttoe
?
1) eccerto...se non te lo danno chi vuoi che lo scelga? :) vogliono un guadagno di 30 e l'ingresso ha 0,2Vpp, quindi l'uscita dovrà disporre di uno swing di almeno 6Vpp. Visto che la Vcc la puoi scegliere tu, se vuoi usare Vcemax/2 nessuno ti può criticare la scelta, anche se ne basta una più bassa.
per quanto riguarda Ic...non dicono a che Ic è fornita quella Ft, quindi direi che è un parametro arbitrario.
2) non so con
cosa intendanodomanda: ma lo devi fare per forza con un singolo stadio?
_______________________________________________________
Gli oscillatori non oscillano mai, gli amplificatori invece sempre
Io HO i poteri della supermucca, e ne vado fiero!
Gli oscillatori non oscillano mai, gli amplificatori invece sempre
Io HO i poteri della supermucca, e ne vado fiero!
0
voti
obiuan ha scritto:domanda: ma lo devi fare per forza con un singolo stadio?
No, non c'è scritto. Secondo te come andrebbe progettato?
obiuan ha scritto:non so concosa intendano
Per
si intende la capacità di transizione nel modello del BJT per piccoli segnali. Forse è assegnata perché è legata al polo dominante e quindi alla banda dell'amplificatore (e a
?).La mia difficoltà è nel capire come procedere nella risoluzione dell'esercizio, partendo da quei dati che mi sono forniti.
0
voti
Andy85 ha scritto:obiuan ha scritto:domanda: ma lo devi fare per forza con un singolo stadio?
No, non c'è scritto. Secondo te come andrebbe progettato?
Beh insomma, il sensore in ingresso ha una Rout di 100kohm, almeno un inseguitore di emettitore in ingresso ci andrebbe, quindi propenderei per uno stadio a darlington aperto per l'ingresso. Poi devi pilotare 1Kohm, quindi uno stadio singolo non va bene nemmeno per l'uscita.
Andy85 ha scritto:obiuan ha scritto:non so concosa intendano
Persi intende la capacità di transizione nel modello del BJT per piccoli segnali. Forse è assegnata perché è legata al polo dominante e quindi alla banda dell'amplificatore (e a
?).
La mia difficoltà è nel capire come procedere nella risoluzione dell'esercizio, partendo da quei dati che mi sono forniti.
Ok
ho capito. Secondo me l'intenzione dell'esercizio è farti calcolare i restanti valori del modello a partire dalla C, dalla Ft e dal beta....è possibile? che vogliano un progetto e poi i calcoli di verifica? avete usato il modello completo o una versione semplificata (magari uno schemino in fidocad del modello che prendi normalmente in considerazione aiuterebbe)?_______________________________________________________
Gli oscillatori non oscillano mai, gli amplificatori invece sempre
Io HO i poteri della supermucca, e ne vado fiero!
Gli oscillatori non oscillano mai, gli amplificatori invece sempre
Io HO i poteri della supermucca, e ne vado fiero!
0
voti
Fino adesso ho sempre risolto esercizi che mi chiedevano il calcolo del guadagno (assegnati i valori di resistenze ecc.) dello schema in precedenza postato. Il modello che ho sempre utilizzato è quello semplificato, del tipo:
Calcolavo il valore della corrente
(punto di lavoro) per l'analisi in continua, e poi nell'analisi per piccoli segnali risalivo al guadagno sfruttando la transconduttanza 
In questo caso, il procedimento è l'opposto. Assegna il guadagno, dovrei dimensionare il circuito.
Credo che l'esercizio richieda un solo stadio di amplificazione.
Forse il tutto sta nel risalire alla transconduttanza a partire dalla capacità
(ma il modello non è più semplificato).
Calcolavo il valore della corrente
(punto di lavoro) per l'analisi in continua, e poi nell'analisi per piccoli segnali risalivo al guadagno sfruttando la transconduttanza 
In questo caso, il procedimento è l'opposto. Assegna il guadagno, dovrei dimensionare il circuito.
Credo che l'esercizio richieda un solo stadio di amplificazione.
Forse il tutto sta nel risalire alla transconduttanza a partire dalla capacità
(ma il modello non è più semplificato).1
voti
eccomi, scusa tornato al PC solo ora da ieri.
Consideriamo di voler usare quello stadio a emettitore comune e iniziamo a calcolare i valori. Sappiamo che il guadagno complessivo deve essere di 30 a 100Khz, e che la Rs è di 100Kohm. Cominciamo allora col considerare la rete di ingresso, facendo attenzione che il partitore di polarizzazione presenta al sensore una resistenza verso massa che è il parallelo delle due.
Dobbiamo tener presente però che ci viene richiesto il pilotaggio di un carico da 1Kohm...con 0,2Vpp in ingresso e 30 di guadagno fanno 6Vpp cioè 3V di semionda sulla 1Kohm, quindi 3mA sul carico. Da questo ricaviamo la Ic di polarizzazione, che quindi sapremo dover essere come minimo 3mA, e su di questi ci prenderemo un po' di margine. Ma quanto? più è alta la Ic, più è alta la Ib, e più è alta la Ib più piccole devo mettere le resistenze del partitore di ingresso e quindi minore sarà la resistenza vista verso massa dal sensore...mi segui fino a qui?
Consideriamo di voler usare quello stadio a emettitore comune e iniziamo a calcolare i valori. Sappiamo che il guadagno complessivo deve essere di 30 a 100Khz, e che la Rs è di 100Kohm. Cominciamo allora col considerare la rete di ingresso, facendo attenzione che il partitore di polarizzazione presenta al sensore una resistenza verso massa che è il parallelo delle due.
Dobbiamo tener presente però che ci viene richiesto il pilotaggio di un carico da 1Kohm...con 0,2Vpp in ingresso e 30 di guadagno fanno 6Vpp cioè 3V di semionda sulla 1Kohm, quindi 3mA sul carico. Da questo ricaviamo la Ic di polarizzazione, che quindi sapremo dover essere come minimo 3mA, e su di questi ci prenderemo un po' di margine. Ma quanto? più è alta la Ic, più è alta la Ib, e più è alta la Ib più piccole devo mettere le resistenze del partitore di ingresso e quindi minore sarà la resistenza vista verso massa dal sensore...mi segui fino a qui?
_______________________________________________________
Gli oscillatori non oscillano mai, gli amplificatori invece sempre
Io HO i poteri della supermucca, e ne vado fiero!
Gli oscillatori non oscillano mai, gli amplificatori invece sempre
Io HO i poteri della supermucca, e ne vado fiero!
46 messaggi
• Pagina 1 di 5 • 1, 2, 3, 4, 5
Chi c’è in linea
Visitano il forum: Google Adsense [Bot] e 44 ospiti

Elettrotecnica e non solo (admin)
Un gatto tra gli elettroni (IsidoroKZ)
Esperienza e simulazioni (g.schgor)
Moleskine di un idraulico (RenzoDF)
Il Blog di ElectroYou (webmaster)
Idee microcontrollate (TardoFreak)
PICcoli grandi PICMicro (Paolino)
Il blog elettrico di carloc (carloc)
DirtEYblooog (dirtydeeds)
Di tutto... un po' (jordan20)
AK47 (lillo)
Esperienze elettroniche (marco438)
Telecomunicazioni musicali (clavicordo)
Automazione ed Elettronica (gustavo)
Direttive per la sicurezza (ErnestoCappelletti)
EYnfo dall'Alaska (mir)
Apriamo il quadro! (attilio)
H7-25 (asdf)
Passione Elettrica (massimob)
Elettroni a spasso (guidob)
Bloguerra (guerra)





