Mi sono limitato a prendere il tuo schema dell'altro thread solo per indicare l'architettura dello schema.
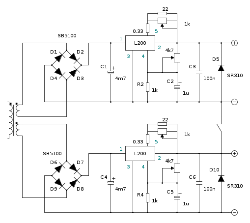
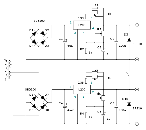
Credo che R1 sia da ritoccare in più perché così, con il potenziometro a zero ohm, dovrebbe limitare sui 2A, mentre col potenziometro al massimo intorno ai 20mA, salvo errori od omissioni.
Stima potenza trasformatore
Moderatori:
carloc,
g.schgor,
BrunoValente,
IsidoroKZ
35 messaggi
• Pagina 4 di 4 • 1, 2, 3, 4
1
voti
Ah, ok. Ma nell'altro thread si parlava di correnti piu' elevate.
Allora portiamo R1 a 0.33 ohm e fissiamo a 1.5A che mi pare coerente con il trasformatore.
Cosi':
Allora portiamo R1 a 0.33 ohm e fissiamo a 1.5A che mi pare coerente con il trasformatore.
Cosi':
marco
0
voti
D'accordo! 
Ma, giusto per capire, se volessi portare il limite minimo della corrente ad un valore ancora più basso di 20mA, diciamo 1-2mA, potrei aumentare il valore della resistenza da 22 ohm o ci sono controindicazioni?

Ma, giusto per capire, se volessi portare il limite minimo della corrente ad un valore ancora più basso di 20mA, diciamo 1-2mA, potrei aumentare il valore della resistenza da 22 ohm o ci sono controindicazioni?
1
voti
Tieni anche presente che i regolatori di tensione necessitano, in genere, di un minimo di corrente erogata per una corretta stabilizzazione, quindi se vuoi scendere sotto i 10/20mA sarebbe meglio mettere un resistore in parallelo all'uscita che assorba una corrente di quell'ordine di grandezza.
-

FedericoSibona
5.022 3 5 8 - Master

- Messaggi: 3951
- Iscritto il: 19 mar 2013, 11:43
0
voti
FedericoSibona ha scritto:i regolatori di tensione necessitano, in genere, di un minimo di corrente erogata per una corretta stabilizzazione
Ecco cosa mi sfuggiva!

E dire che coi classici regolatori a 3 piedini ci sto sempre attento, ma in questo caso non ci avevo pensato minimamente...
35 messaggi
• Pagina 4 di 4 • 1, 2, 3, 4
Chi c’è in linea
Visitano il forum: Google Adsense [Bot] e 185 ospiti

Elettrotecnica e non solo (admin)
Un gatto tra gli elettroni (IsidoroKZ)
Esperienza e simulazioni (g.schgor)
Moleskine di un idraulico (RenzoDF)
Il Blog di ElectroYou (webmaster)
Idee microcontrollate (TardoFreak)
PICcoli grandi PICMicro (Paolino)
Il blog elettrico di carloc (carloc)
DirtEYblooog (dirtydeeds)
Di tutto... un po' (jordan20)
AK47 (lillo)
Esperienze elettroniche (marco438)
Telecomunicazioni musicali (clavicordo)
Automazione ed Elettronica (gustavo)
Direttive per la sicurezza (ErnestoCappelletti)
EYnfo dall'Alaska (mir)
Apriamo il quadro! (attilio)
H7-25 (asdf)
Passione Elettrica (massimob)
Elettroni a spasso (guidob)
Bloguerra (guerra)



