Cos'è ElectroYou | Login Iscriviti

ElectroYou - la comunità dei professionisti del mondo elettrico

Possibile errore nella soluzione del libro.

Elettronica lineare e digitale: didattica ed applicazioni

Moderatori: Foto Utentecarloc, Foto Utenteg.schgor, Foto UtenteBrunoValente, Foto UtenteIsidoroKZ

0
voti

[1] Possibile errore nella soluzione del libro.

Messaggioda Foto UtenteAngelusNero » 22 mar 2015, 22:18

Salve, oggi ho provato a risolvere un esercizio che chiede di indicare che tipo di filtro attivo è il circuito di figura e il valore approssimativo del guadagno di tensione alle frequenze f=0 ed f=∞.

il guadagno dovrebbe essere rappresentato dalla relazione:
A=-R_f/R_1(1/(1+jwCR_f))

Quindi è un filtro passa-basso da come deduco dalla funzione di trasferimento. Se la frequenza valesse 0, il guadagno di tensione dovrebbe essere pari a:
-R_F/R_1

invece se la frequenza valesse infinito, il guadagno di tensione dovrebbe essere pari a:
0

Il libro come soluzione indica:
A(f=0)=-oo;A(f=oo)=-R_f/R_1

Inoltre, se dovessi rappresentare su un diagramma di Bode la funzione di trasferimento, dovrei considerare il rapporto -Rf/R1 come costante reale K?
Allegati
filtro passa-basso.jpg
Avatar utente
Foto UtenteAngelusNero
40 3
 
Messaggi: 48
Iscritto il: 7 nov 2014, 17:20

0
voti

[2] Re: Possibile errore nella soluzione del libro.

Messaggioda Foto UtenteIsidoroKZ » 22 mar 2015, 22:22

Usa fidocadj per i disegni, cosi` li posso prendere e modificare, evidenziare delle parti... Per le frazioni usa \frac{numeratore}{denominatore} vengono piu` facili da leggere.

Il filtro e` un passa basso (con un po' di fantasia, lo chiamerei piuttosto filtro o blocco PI). Per il resto il testo ha ragione. Considera che il condensatore sia un circuito aperto oppure un cortocircuito e vedi qual e` il guadagno per frequenza nulla e frequenza che tende a infinito. E dovresti vedere che la tua funzione di trasferimento non e` giusta.
Per usare proficuamente un simulatore, bisogna sapere molta più elettronica di lui
Plug it in - it works better!
Il 555 sta all'elettronica come Arduino all'informatica! (entrambi loro malgrado)
Se volete risposte rispondete a tutte le mie domande
Avatar utente
Foto UtenteIsidoroKZ
121,2k 1 3 8
G.Master EY
G.Master EY
 
Messaggi: 21059
Iscritto il: 17 ott 2009, 0:00

2
voti

[3] Re: Possibile errore nella soluzione del libro.

Messaggioda Foto Utentespud » 22 mar 2015, 22:28

A prima vista mi sembra giusta quella del libro.

Se consideri il circuito in continua, ovvero a frequenza nulla, il condensatore è rappresentabile come un circuito aperto quindi ti apre il ramo di retroazione, per ciò ti ritrovi ad avere solo il guadagno ad anello aperto dell'operazionale che idealmente tende a infinito, il segno meno è dato dal fatto che entri sul terminale invertente.

In modo duale per frequenze che tendono a infinito il condensatore ha reattanza nulla quindi è rappresentabile come un cortocircuito, per cui ti ritrovi il guadagno di uno stadio invertente.

Se mi dai qualche minuto mi faccio il conto della fdt e vediamo cosa viene a me.

EDIT: sorry Foto UtenteIsidoroKZ per la sovrapposizione
Atlant.

Behind every great man is a woman rolling her eyes.
Avatar utente
Foto Utentespud
3.767 3 10 12
free expert
 
Messaggi: 1601
Iscritto il: 1 feb 2012, 14:26
Località: Udine

6
voti

[4] Re: Possibile errore nella soluzione del libro.

Messaggioda Foto Utentespud » 22 mar 2015, 22:55

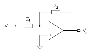
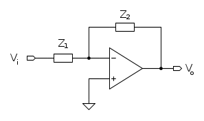
Rappresentando il circuito con le impedenze hai


Dove:

Z_1 = R_1

Z_2 = R_f + \frac{1}{sC_f} = \frac{s C_f R_f + 1}{sC_f}

siccome lo stadio è invertente hai:

A(s) = \frac{V_o}{V_i} = -\frac{Z_2}{Z_1} = -\frac{s C_f R_f + 1}{sC_f}\frac{1}{R_1} = -\frac{s C_f R_f + 1}{sC_f R_1}

da qui puoi vedere che:

\lim_{s \to \infty} A(s) \simeq \lim_{s \to \infty} -\frac{s C_f R_f}{s C_f R_1} = -\frac{R_f}{R_1}

\lim_{s \to 0} A(s) = \lim_{s \to 0} -\frac{1}{s C_f R_1} \to -\infty

ho usato s invece di \text{j} \omega ma il concetto è lo stesso.

------------aggiunto dopo------------------------

Siccome non ho niente da fare, bodificando con valori a caso, tipo:

R_f = 10\,\text{k}\Omega
R_1 = 5\,\text{k}\Omega
C_f = 10\,\text{pF}

bode A.jpg


Vedi che il guadagno inizia con pendenza -20\,\text{dB} per effetto del polo sull'origine, questo significa che per frequenze estremamente piccole, ovvero nella parte negativa dell'asse delle \omega (siamo in scala logaritmica), il guadagno tendeva a infinito. Poi arriva lo zero e il guadagno di si stabilizza a circa 6\,\text{dB} che guarda caso è

20\log\left( \frac{R_f}{R_1}\right) = 20\log 2 \simeq 6\,\text{dB}

e li rimane per pulsazioni che tendono a infinito.

Il fatto poi che il segno è girato lo vedi dallo sfasamento.
Atlant.

Behind every great man is a woman rolling her eyes.
Avatar utente
Foto Utentespud
3.767 3 10 12
free expert
 
Messaggi: 1601
Iscritto il: 1 feb 2012, 14:26
Località: Udine

0
voti

[5] Re: Possibile errore nella soluzione del libro.

Messaggioda Foto UtenteIsidoroKZ » 22 mar 2015, 23:49

spud ha scritto:ho usato s invece di \text{j} \omega ...


E hai fatto bene :-)
Per usare proficuamente un simulatore, bisogna sapere molta più elettronica di lui
Plug it in - it works better!
Il 555 sta all'elettronica come Arduino all'informatica! (entrambi loro malgrado)
Se volete risposte rispondete a tutte le mie domande
Avatar utente
Foto UtenteIsidoroKZ
121,2k 1 3 8
G.Master EY
G.Master EY
 
Messaggi: 21059
Iscritto il: 17 ott 2009, 0:00

2
voti

[6] Re: Possibile errore nella soluzione del libro.

Messaggioda Foto Utentedimaios » 23 mar 2015, 1:02

spud ha scritto:bodificando con valori a caso ...


Questa mi mancava. Fantastica. :ok:
Ingegneria : alternativa intelligente alla droga.
Avatar utente
Foto Utentedimaios
30,2k 7 10 12
G.Master EY
G.Master EY
 
Messaggi: 3381
Iscritto il: 24 ago 2010, 14:12
Località: Behind the scenes

1
voti

[7] Re: Possibile errore nella soluzione del libro.

Messaggioda Foto UtenteAngelusNero » 23 mar 2015, 15:36

grazie a tutti, ora è tutto chiaro :-)
Avatar utente
Foto UtenteAngelusNero
40 3
 
Messaggi: 48
Iscritto il: 7 nov 2014, 17:20

0
voti

[8] Re: Possibile errore nella soluzione del libro.

Messaggioda Foto UtenteAngelusNero » 24 mar 2015, 14:43

Scusate ragazzi, oggi il professore ha spiegato l'esercizio. Ha sostenuto che il filtro sia un passa-alto perché il segno negativo della funzione di trasferimento causa un ribaltamento del diagramma di Bode che deve, quindi, essere disegnato in modo simmetrico. Inoltre sostiene che sia un passa-alto perché la funzione di trasferimento ha un polo ed uno zero. Ho ricercato possibili informazioni a riguardo ma non trovo niente che affermi ciò sostiene il mio insegnante. Ha ragione lui? E se si sbaglia, perché è errato ciò che sostiene?
Avatar utente
Foto UtenteAngelusNero
40 3
 
Messaggi: 48
Iscritto il: 7 nov 2014, 17:20

1
voti

[9] Re: Possibile errore nella soluzione del libro.

Messaggioda Foto UtenteIsidoroKZ » 24 mar 2015, 14:50

Non mi pare che abbia ragione. Il segno - della funzione di trasferimento cambia la fase del diagramma di Bode, non cambia il modulo o il suo grafico.

Spesso i laureati in ingegneria con il minimo dei voti e senza nessuna capacita` utile vanno a fare danni nella scuola :( . Per fortuna ci sono notevoli eccezioni, ma conosco molti piu` casi simile al tuo prof rispetto a quello opposto, di un ingegnere molto in gamba che va ad insegnare con passione.

Sempre che il tuo prof abbia proprio detto quello che hai riportato.

Stasera se trovo il tempo aggiungo qualcosa.
Per usare proficuamente un simulatore, bisogna sapere molta più elettronica di lui
Plug it in - it works better!
Il 555 sta all'elettronica come Arduino all'informatica! (entrambi loro malgrado)
Se volete risposte rispondete a tutte le mie domande
Avatar utente
Foto UtenteIsidoroKZ
121,2k 1 3 8
G.Master EY
G.Master EY
 
Messaggi: 21059
Iscritto il: 17 ott 2009, 0:00

0
voti

[10] Re: Possibile errore nella soluzione del libro.

Messaggioda Foto Utentespud » 24 mar 2015, 14:51

Non so bene cosa intendesse con ribaltamento del diagramma di bode, nel senso che nell'andamento del guadagno del segno te ne freghi perché consideri il modulo, il segno dovrebbe incidere sulla fase, e te ne accorgi stampando l'andamento di A(s) e di -A(s), dovresti notare che nel secondo caso la fase è in ritardo di 180^\circ rispetto al primo. Più tardi se mi ricordo ti mostro.

Filtro passa alto proprio no...

EDIT: di nuovo sovrapposto :D
Atlant.

Behind every great man is a woman rolling her eyes.
Avatar utente
Foto Utentespud
3.767 3 10 12
free expert
 
Messaggi: 1601
Iscritto il: 1 feb 2012, 14:26
Località: Udine

Prossimo

Torna a Elettronica generale

Chi c’è in linea

Visitano il forum: Majestic-12 [Bot] e 47 ospiti