Salve a tutti!
Il post sarà un po' lunghetto ma è bene spiegare il più possibile. Ho sempre cercato applicazioni dell'elettronica a livello di gestione di energia e qualche progetto lo ho realizzato, l'ultima mia fissa era una saldatrice. Così ho chiesto in giro e qualcuno mi ha portato una vecchia saldatrice inverter non funzionante, ed adesso il mio obbiettivo è cercare di rimetterla in funzione.
Il guasto si presenta abbastanza "semplice", la ventola funziona il resto no. Il primo elemento a generare problemi è il relè che collega la rete di alimentazione al ponte raddrizzatore. Il relè, con bobina 230V AC, non si accende, di conseguenza tutta la saldatrice rimane spenta (eccetto la ventola). Il contatto del relè è messo in parallelo ad una grossa resistenza che è certamente guasta, al punto che le scritte son quasi cancellate. Da quel che rimane mi par di capire che sia da 10 ohm 5%, e dal quel che so, il funzionamento dovrebbe esser legato ad un soft start per evitare che il ponte salti nel caricare la capacità.
Ho anche altre informazioni e foto se necessario, intanto era per dare l'idea del problema.
Se qualcuno ha qualche idea lo ringrazio ampiamente, un saluto AT!
Guasto saldatrice inverter
28 messaggi
• Pagina 1 di 3 • 1, 2, 3
0
voti
"La teoria attrae la pratica come il magnete attrae il ferro" C. Gauss
Seguitemi anche su youtube, un saluto da AT
https://www.youtube.com/c/atlaboratory
Seguitemi anche su youtube, un saluto da AT
https://www.youtube.com/c/atlaboratory
0
voti
Aletox ha scritto:Salve a tutti!
Il guasto si presenta abbastanza "semplice", la ventola funziona il resto no. Il primo elemento a generare problemi è il relè che collega la rete di alimentazione al ponte raddrizzatore. Il relè, con bobina 230V AC, non si accende, di conseguenza tutta la saldatrice rimane spenta (eccetto la ventola). ...
Per approcciare un intervento di riparazione occorrono delle informazioni di base, tipo marca e modello del dispositivo guasto per risalire alle sue caratteristiche-funzionamento e dove possibile il suo schema elettrico. Questo non esclude però la possibilità di verifiche "standard" che riguardano il circuito di "alimentazione", quindi eventuali dispositivi di protezione, o comando sul circuito di alimentazione del dispositivo, in questo caso però se dici che "la ventola si attiva" vien da se che almeno la parte di comando-accensione del dispositivo funziona, resta da vedere cosa dovrebbe comandare l'eccitazione (nb. i relè non si accendono, si eccitano ..
Se hai modo prova a riprodurre lo schema del dispositivo, utilizzando FidocadJ.
0
voti
edgar ha scritto:Presta anche la massima attenzione...
Anch'io sconsiglio di metterci le mani dentro senza cognizione di causa!
Se quello che funziona basta non lo tocca' sennò te lassa!
0
voti
Grazie intanto a tutti!
Qualche piccola esperienza l'ho fatta nel settore, infatti volevo descrivere qualche primo test che ho fatto, appunto, sugli standard di questi sistemi.I riultati sembrano tutti negativi, ed è per questo che chiedo aiuto, perché non so più dove andare a parare.
Ad es:
Questa saldatrice è abbastanza vecchiotta, quindi il circuito elettrico purtroppo non son riuscito a trovarlo, come la marca e il modello che in rete non compaiono. (vi metto una foto così potete provare anche voi la ricerca, che magari avete più fortuna
). Inoltre era già stata fatta una riparazione in precedenza, era stato sostituito il trasformatore per l'alimentazione dell'elettronica.
Foto del fronte e del retro, sulla fiancata c'è scritto Personal3, il colore della copertura è verde.
PS:
Giusto, chiedo venia, anzi mi fa piacere che qualcuno mi abbia fatto notare che sarebbe meglio usare un linguaggio corretto.
Qualche piccola esperienza l'ho fatta nel settore, infatti volevo descrivere qualche primo test che ho fatto, appunto, sugli standard di questi sistemi.I riultati sembrano tutti negativi, ed è per questo che chiedo aiuto, perché non so più dove andare a parare.
Ad es:
- ponte a diodi in ingresso segna tutte le giunzioni funzionanti e nessun corto;
- condensatore apparentemente non in corto (anche se credo che il problema potrebbe esser quello);
- MOS in parallelo sembrano buoni e non in corto, il circuito è aperto;
- stadio finale con diodi a posto anche li con tutte le giunzioni funzionanti;
- fusibile in ingresso all'elettronica di controllo è integro, ciò confermato anche dal funzionamento della ventola;
Questa saldatrice è abbastanza vecchiotta, quindi il circuito elettrico purtroppo non son riuscito a trovarlo, come la marca e il modello che in rete non compaiono. (vi metto una foto così potete provare anche voi la ricerca, che magari avete più fortuna
Foto del fronte e del retro, sulla fiancata c'è scritto Personal3, il colore della copertura è verde.
PS:
mir ha scritto: ... (nb. i relè non si accendono, si eccitano ..) ...
Giusto, chiedo venia, anzi mi fa piacere che qualcuno mi abbia fatto notare che sarebbe meglio usare un linguaggio corretto.
"La teoria attrae la pratica come il magnete attrae il ferro" C. Gauss
Seguitemi anche su youtube, un saluto da AT
https://www.youtube.com/c/atlaboratory
Seguitemi anche su youtube, un saluto da AT
https://www.youtube.com/c/atlaboratory
0
voti
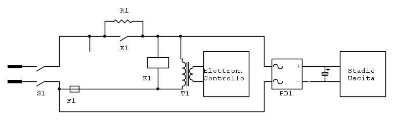
Ho provato a buttar giù uno schema dell'ingresso, mancano alcune parti di contorno ad es una rete condensatore-varistore per la protezione dalle sovratensioni.
La resistenza R1 è quella che dev'esser guasta, il multimetro indica 1,4 kohm, ma è evidente che è danneggiata. Ho provato a metterne una provvisoria in paralello da 1 kohm ed in seguito da 10 ohm, il risultato è che il condensatore a valle del ponte si carica finché si eccita il relè. A quel punto salta l'interruttore magnetico.
La resistenza R1 è quella che dev'esser guasta, il multimetro indica 1,4 kohm, ma è evidente che è danneggiata. Ho provato a metterne una provvisoria in paralello da 1 kohm ed in seguito da 10 ohm, il risultato è che il condensatore a valle del ponte si carica finché si eccita il relè. A quel punto salta l'interruttore magnetico.
"La teoria attrae la pratica come il magnete attrae il ferro" C. Gauss
Seguitemi anche su youtube, un saluto da AT
https://www.youtube.com/c/atlaboratory
Seguitemi anche su youtube, un saluto da AT
https://www.youtube.com/c/atlaboratory
0
voti
Ciao :) io ho il circuito :) è una delle migliori saldatrici fatte in quel periodo .
devo trovarlo ma ho tutto di quella saldatrice .. ho riparato la mia poco tempo fa
controlla il ponte raddrizzatore con il tester .. diodo per diodo ..
Ciao :)
devo trovarlo ma ho tutto di quella saldatrice .. ho riparato la mia poco tempo fa

controlla il ponte raddrizzatore con il tester .. diodo per diodo ..
Ciao :)
-

ferrarilib
10 2 - Messaggi: 11
- Iscritto il: 3 mag 2015, 23:25
0
voti
ferrarilib ha scritto:Ciao :) io ho il circuito :) è una delle migliori saldatrici fatte in quel periodo .
devo trovarlo ma ho tutto di quella saldatrice .. ho riparato la mia poco tempo fa
controlla il ponte raddrizzatore con il tester .. diodo per diodo ..
Ciao :)
Vermante grazie molte! Non sai che piacere è sentire questa cosa!
Il ponte mi sembra sia a posto, ho provato le giunzioni e mi sembravano a posto...
Magarai gli ridò una controllata....
Veramente grazie molte!
"La teoria attrae la pratica come il magnete attrae il ferro" C. Gauss
Seguitemi anche su youtube, un saluto da AT
https://www.youtube.com/c/atlaboratory
Seguitemi anche su youtube, un saluto da AT
https://www.youtube.com/c/atlaboratory
0
voti
Sisi mi metterò mercoledì o domani pomeriggio con calma.. Se riesci a recuperare lo schema elettrico sarebbe fantastico!
Tuttavia è strano che sia in corto perché il condensatore a valle comunque riesce a caricarsi, devo fare alcune prove sul ponte scollegandolo dal resto.
Magari provo con il variac il ponte ed il condensatore...
Tuttavia è strano che sia in corto perché il condensatore a valle comunque riesce a caricarsi, devo fare alcune prove sul ponte scollegandolo dal resto.
Magari provo con il variac il ponte ed il condensatore...
"La teoria attrae la pratica come il magnete attrae il ferro" C. Gauss
Seguitemi anche su youtube, un saluto da AT
https://www.youtube.com/c/atlaboratory
Seguitemi anche su youtube, un saluto da AT
https://www.youtube.com/c/atlaboratory
28 messaggi
• Pagina 1 di 3 • 1, 2, 3
Torna a Costruzione, riparazione, riutilizzo
Chi c’è in linea
Visitano il forum: Google Adsense [Bot] e 16 ospiti

Elettrotecnica e non solo (admin)
Un gatto tra gli elettroni (IsidoroKZ)
Esperienza e simulazioni (g.schgor)
Moleskine di un idraulico (RenzoDF)
Il Blog di ElectroYou (webmaster)
Idee microcontrollate (TardoFreak)
PICcoli grandi PICMicro (Paolino)
Il blog elettrico di carloc (carloc)
DirtEYblooog (dirtydeeds)
Di tutto... un po' (jordan20)
AK47 (lillo)
Esperienze elettroniche (marco438)
Telecomunicazioni musicali (clavicordo)
Automazione ed Elettronica (gustavo)
Direttive per la sicurezza (ErnestoCappelletti)
EYnfo dall'Alaska (mir)
Apriamo il quadro! (attilio)
H7-25 (asdf)
Passione Elettrica (massimob)
Elettroni a spasso (guidob)
Bloguerra (guerra)






