Cos'è ElectroYou | Login Iscriviti

ElectroYou - la comunità dei professionisti del mondo elettrico

Collegamento 2 Relè finder 40.52

Progettazione, esercizio, manutenzione, sicurezza, leggi, normative...

Moderatori: Foto Utentesebago, Foto UtenteMASSIMO-G, Foto Utentelillo, Foto UtenteMike

0
voti

[1] Collegamento 2 Relè finder 40.52

Messaggioda Foto Utentezarate6 » 27 set 2015, 15:29

Buongiorno gentili lettori del forum,

Spero di essere chiaro nell'esposizione, sono un profano!

ho da proporre una soluzione per una centralina di comando di 2 circolatori di un impianto di riscaldamento che ora si avviano insieme a certe condizioni (sono guidate da un termostato).

Vorrei dare sostanzialmente la precedenza al circolatore A quando dovesse essere già acceso il circolatore B.

Attualmente lo schema è:

Termostato---attiva il 230v se temp. sonda 1 scende--> si attiva la bobina del relè finder 40.52---> contatto NO del relè si chiude e la pompa A si accende.
Il contatto viaggia a 24 V (il contatto 24 si aggancia al 24 V)

Termostato---attiva il 230v se temp. sonda 2 scende--> si attiva la bobina del relè finder 40.52---> contatto NO del relè si chiude e la pompa B si accende.
Il contatto viaggia a 24 V (il contatto 24 si aggancia al 24 V)

Vorrei fare in modo che se A si accende B si spenga:

Potrei collegare il 230v (che esce dal termostato ed entra in A2) della pompa B che voglio si spenga nel seguente modo?

Collegato nel contatto 11 del relè della pompa A,quindi il contatto 12 (NC) lo collego alla bobina, A2, del relè della pompa A.
Diventerebbe un interruttore su un circuito a 230v.

Il dubbio forte è quello di far girare in un relè un circuito da 24 V ed uno da 230v. Dagli schemi mi pare di aver compreso che sia possibile.

Grazie per la pazienza O_/
Avatar utente
Foto Utentezarate6
0 3
 
Messaggi: 27
Iscritto il: 22 set 2015, 19:54

0
voti

[2] Re: Collegamento 2 Relè finder 40.52

Messaggioda Foto UtenteMax2433BO » 27 set 2015, 15:59

Scusami tantissimo, ma, in tutta sincerità non ho capito quasi nulla...

... non potresti allegare uno schema elettrico delle connessioni termostato - relè - pompa (redatto con Fidocadj per permettere a tutti gli eventuali partecipanti di apportare eventuali correzioni/migliorie)?

Grazie.

O_/ Max
Disapprovo quello che dite, ma difenderò fino alla morte il vostro diritto di dirlo [attribuita a Voltaire]

La gentilezza dovrebbe diventare lo stile naturale della vita, non l'eccezione [Siddhārtha Gautama]
Avatar utente
Foto UtenteMax2433BO
18,6k 4 11 13
G.Master EY
G.Master EY
 
Messaggi: 4724
Iscritto il: 25 set 2013, 16:29
Località: Universo - Via Lattea - Sistema Solare - Terzo pianeta...

0
voti

[3] Re: Collegamento 2 Relè finder 40.52

Messaggioda Foto Utentedanielepower » 27 set 2015, 19:26

Dagli schemi mi pare di aver compreso che sia possibile.

Se puoi Mostraceli.

Comunque credo che basti sostituire i due relè con dei relè che abbiano uno contatto NO e uno NC. Sul contatto NC di ''relè1'' va l'alimentazione del ''relè2'' e viceversa.
O_/
Avatar utente
Foto Utentedanielepower
597 4 6
Sostenitore
Sostenitore
 
Messaggi: 515
Iscritto il: 6 dic 2014, 17:58

0
voti

[4] Re: Collegamento 2 Relè finder 40.52

Messaggioda Foto Utenteattilio » 27 set 2015, 21:42

Non ho capito cosa devi fare, ma forse ho capito cosa vuoi fare. Se cerchi lo schema del "come", basta digitare: interblocco elettrico.
Ognuno sta solo sul cuor della terra
trafitto da un raggio di sole:
ed è subito sera


Salvatore Quasimodo
Avatar utente
Foto Utenteattilio
61,4k 8 12 13
free expert
 
Messaggi: 9167
Iscritto il: 21 gen 2007, 14:34

0
voti

[5] Re: Collegamento 2 Relè finder 40.52

Messaggioda Foto Utentezarate6 » 28 set 2015, 16:05

Eliminato quoting inutile.
Esatto credo sia quello che intendo.
In allegato il disegno, grazie davvero per la pazienza, prima di comunicare bisogna parlare la stessa lingua, e io non parlo quella degli elettricisti :oops:

Scusate lo schema, spero si capisca, vorrei che sia chiaro che ho a che fare con il 230vVed il 24vV.

schemino profano.jpg
ridimensionata immagine. ;)
schemino profano.jpg (29.59 KiB) Osservato 14427 volte
Avatar utente
Foto Utentezarate6
0 3
 
Messaggi: 27
Iscritto il: 22 set 2015, 19:54

0
voti

[6] Re: Collegamento 2 Relè finder 40.52

Messaggioda Foto Utentezarate6 » 28 set 2015, 16:09

Questo lo schema contatti del relè finder 40.52
Allegati
chem_95_05.png
chem_95_05.png (14.74 KiB) Osservato 14437 volte
Avatar utente
Foto Utentezarate6
0 3
 
Messaggi: 27
Iscritto il: 22 set 2015, 19:54

1
voti

[7] Re: Collegamento 2 Relè finder 40.52

Messaggioda Foto UtenteMax2433BO » 28 set 2015, 16:41

Per facilitare il compito di chi ti aiuta, per eventuali modifiche/correzioni al tuo circuito, riporto lo schema del post [5] in fidocadj...



... la prossima volta lo inserisci tu così. :mrgreen:

O_/ Max
Disapprovo quello che dite, ma difenderò fino alla morte il vostro diritto di dirlo [attribuita a Voltaire]

La gentilezza dovrebbe diventare lo stile naturale della vita, non l'eccezione [Siddhārtha Gautama]
Avatar utente
Foto UtenteMax2433BO
18,6k 4 11 13
G.Master EY
G.Master EY
 
Messaggi: 4724
Iscritto il: 25 set 2013, 16:29
Località: Universo - Via Lattea - Sistema Solare - Terzo pianeta...

2
voti

[8] Re: Collegamento 2 Relè finder 40.52

Messaggioda Foto Utentemir » 28 set 2015, 16:46

Foto UtenteMax2433BO mi ha preceduto, ma ormai ho fatto il disegno e lo inserisco ... :D

Schema funzionale e topografico con fidocadj (nel menu a tendina in alto alla voce Help tutte le info per fidocadj ;-) )...


Avatar utente
Foto Utentemir
66,0k 9 12 13
G.Master EY
G.Master EY
 
Messaggi: 21870
Iscritto il: 19 ago 2004, 21:10

1
voti

[9] Re: Collegamento 2 Relè finder 40.52

Messaggioda Foto UtenteMax2433BO » 28 set 2015, 16:50

... e dai, anche il relè in assonometria!!! :mrgreen:

Nessun problema Foto Utentemir...

... come si dice: "du' circuit is mei che uan!!!" (:OOO:)

O_/ Max
Disapprovo quello che dite, ma difenderò fino alla morte il vostro diritto di dirlo [attribuita a Voltaire]

La gentilezza dovrebbe diventare lo stile naturale della vita, non l'eccezione [Siddhārtha Gautama]
Avatar utente
Foto UtenteMax2433BO
18,6k 4 11 13
G.Master EY
G.Master EY
 
Messaggi: 4724
Iscritto il: 25 set 2013, 16:29
Località: Universo - Via Lattea - Sistema Solare - Terzo pianeta...

0
voti

[10] Re: Collegamento 2 Relè finder 40.52

Messaggioda Foto Utentemir » 28 set 2015, 17:05

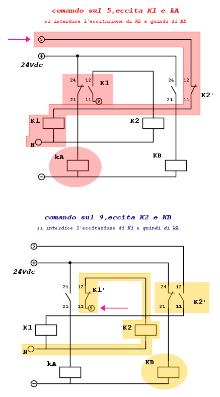
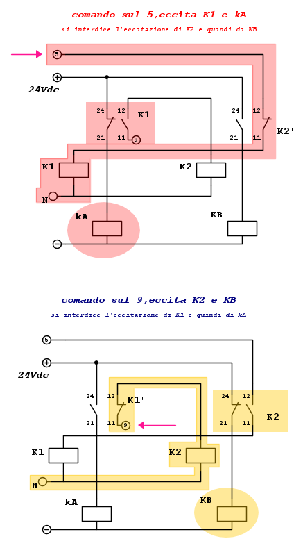
zarate6 ha scritto:Vorrei fare in modo che se A si accende B si spenga:...

Ora ammesso che io abbia interpretato ben la tua richiesta ( e ne dubito ... :D ), con A identifico il contattore kA e con B il contattore KB. Bene osservando lo schema, pardon gli schemi postati ... :D ... abbiamo che
- kA si eccita se si comanda K1 attraverso il contatto 5 del termostato,e KB non potrà essere eccitato perché K2 interdetto dal contatto NC di K1. Quindi kA si eccita da K1 indipendentemente dallo stato di K2 e KB.
- KB si eccita se si ha in riposo K1 e si ha il comando attraverso il contatto 9 del termostato che comanderà K2. Quindi KB si eccita se K1 è in riposo e conseguentemente anche kA.
- Se comando K1 con K2 e quindi KB eccitato,quest'ultimo si diseccita perché il contatto NC di K1 in serie taglia l'alimentazione di KB.

In sintesi hai realizzato un'interblocco di kA su KB, se vuoi interbloccare entrambi dovrai utilizzare un contatto NC di K2 in serie all'alimentazione di K1, così da avere la condizione che se ho kA non ho KB e viceversa. ;-)



NB. verifica le caratteristiche dei contattori che pilotano i due relè finder,in quanto carichi fortemente induttivi non sono molto graditi dai contatti dei relè di piccola potenza, il ripetuto scintillio li logora... ;-)
Avatar utente
Foto Utentemir
66,0k 9 12 13
G.Master EY
G.Master EY
 
Messaggi: 21870
Iscritto il: 19 ago 2004, 21:10

Prossimo

Torna a Impianti, sicurezza e quadristica

Chi c’è in linea

Visitano il forum: Majestic-12 [Bot] e 154 ospiti