transistor come interruttore?e come?
Moderatori:
carloc,
g.schgor,
BrunoValente,
IsidoroKZ
25 messaggi
• Pagina 1 di 3 • 1, 2, 3
0
voti
Buonasera a tutti, sono Antonio, ho 30 anni e amo coltivare ed intraprendere tante passioni, tra le quali l'elettronica. Le mie conoscenze in questo campo sono molto basilari, frutto di approfondimenti fatti all'occorrenza, ma non per questo mi arrendo di fronte ad imprevisti o argomenti che non conosco.ma vengo al dunque e vi espongono il mio problema: ho realizzato un antifurto per la mia Vespa. Il sistema funziona in quedue modo: attraverso un segnale inviato da un radiocomando si eccita un relè passo-passo il quale ad ogni commutazione attiva o disattiva il sistema. Quando attivo, un led lampeggiare ne indica l'avvenuta attivazione. Un secondo circuito permette ad un relè di lavorare in modo intermittente ed è collegato agli indicatori di direzione.assieme a questo circuito vi è un secondo relè che aziona una sirena. Bene,quando la moto viene mossa, un sensore al mercurio chiude due contatti di un temporizzatore il quale, per circa 40 secondi, alimenta il circuito intermittente e la sirena, per poi disattivarsi. Ho voluto aggiungere un secondo sensore, rappresentato da due fotocellule(tipo cancello automatico). Ma quest'ultimo lavora in questo modo: in fase di riposo tiene chiuso il suo contatto, per aprirlo quando si interpone qualcosa fra le due fotocellule. Ipotizzando di collegare un relè a questo contatto per far chiudere i contatti del temporizzatore,lo stesso, però, rimarrebbe sempre eccitato.a questo punto, pensavo di utilizzare un transistor, che funga da interruttore per questo relè, ma ho dei dubbi su come fare!!!potete darmi un consiglio??mi scuso se non fossi stato chiaro nella mia spiegazione. Grazie in anticipo
-

heliodromos
45 2 - Messaggi: 31
- Iscritto il: 7 ott 2015, 14:36
0
voti
Benvenuto sul forum.
Mi incuriosisce molto dove vorresti posizionare i sensori e in quale caso si interromperebbe il fascio di infrarossi!
heliodromos ha scritto:... Ma quest'ultimo lavora in questo modo:...
Mi incuriosisce molto dove vorresti posizionare i sensori e in quale caso si interromperebbe il fascio di infrarossi!
Se quello che funziona basta non lo tocca' sennò te lassa!
0
voti
O tra la parte superiore del cassettino porta oggetti e il sotto-manubrio nella direttiva del blocchetto di accensione;oppure tra la parte anteriore sotto la sella e la parte superiore del cassettino. E comunque il posto lo troverei comunque, sarebbe l'ultimo dei problemi!e come dovrei fare i collegamenti?
-

heliodromos
45 2 - Messaggi: 31
- Iscritto il: 7 ott 2015, 14:36
1
voti
Io sono ancora agli arbori dell'elettronica, abbiate pietà! 
-

heliodromos
45 2 - Messaggi: 31
- Iscritto il: 7 ott 2015, 14:36
1
voti
Ciao e benvenuto!
Siccome già hai iniziato a buttare giù idee, fallo nel modo giusto. Uno schemino in FidoCadJ così anche noi possiamo seguire il tuo progetto e aiutarti.
Partire da una descrizione a parole, per me, è troppo complicato.
Questo è il programma gratuito che usiamo qui per gli schemi e i disegni.
http://www.electroyou.it/darwinne/wiki/fidocadj
E qui trovi le informazioni preliminari sull'elettronica e sul funzionamento dei transistor, giusto per iniziare.
http://www.hp64000.net/resources/Jackso ... entale.pdf
Vedrai che con lo schema ti arriveranno i suggerimenti giusti!
Buona realizzazione!

Siccome già hai iniziato a buttare giù idee, fallo nel modo giusto. Uno schemino in FidoCadJ così anche noi possiamo seguire il tuo progetto e aiutarti.
Partire da una descrizione a parole, per me, è troppo complicato.
Questo è il programma gratuito che usiamo qui per gli schemi e i disegni.
http://www.electroyou.it/darwinne/wiki/fidocadj
E qui trovi le informazioni preliminari sull'elettronica e sul funzionamento dei transistor, giusto per iniziare.
http://www.hp64000.net/resources/Jackso ... entale.pdf
Vedrai che con lo schema ti arriveranno i suggerimenti giusti!
Buona realizzazione!

Più so e più mi accorgo di non sapere.
Qualsiasi cosa abbia scritto, tieni presente che sono ancora al mio primo rocchetto di stagno.
Qualsiasi cosa abbia scritto, tieni presente che sono ancora al mio primo rocchetto di stagno.
0
voti
1°problema:non saprei utilizzare fidocadj!
2°problema:non ho un PC su cui installarlo, ma uso solo il mio telefono!aiuterebbe soprattutto me e sarei più comprensibile per gli altri!lo so!
2°problema:non ho un PC su cui installarlo, ma uso solo il mio telefono!aiuterebbe soprattutto me e sarei più comprensibile per gli altri!lo so!
-

heliodromos
45 2 - Messaggi: 31
- Iscritto il: 7 ott 2015, 14:36
0
voti
Buonasera, perché non prendere invece il contatto NC del relè?
-

attiliovolpe
885 1 5 12 - Expert

- Messaggi: 156
- Iscritto il: 4 nov 2009, 23:44
1
voti
Ciao
heliodromos, benvenuto.
Se ho capito bene ti occorre un contatto invertito rispetto a quello del fotosensore, sei sicuro che il fotosensore non lo abbia già? Mi pare di ricordare che alcuni di quelli per i cancelli abbiano un contatto in scambio.
Se lo scambio non è disponibile, per farla semplice, potresti utilizzare il contatto normalmente chiuso del fotosensore per eccitare un relè del tipo con contatto in scambio: Il nuovo relè risulterebbe eccitato a riposo e utilizzando il suo contatto normalmente chiuso avresti realizzato l'inversione.
Immagino che un inconveniente di questa soluzione potrebbe essere il consumo permanente di corrente dalla batteria ma anche il relè del fotosensore è sempre eccitato, quindi..valuta tu.
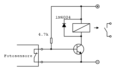
Se vuoi farlo con un transistor potresti utilizzare questo schema
così é dimensionato per un relè piccolo, diciamo con una bobina da non più di 50mA e potresti utilizzare qualsiasi transistor, se invece la bobina del relè che intendi utilizzare assorbisse più di 50mA andrebbe utilizzato un transistor darlington.
Quando il contatto del fotosensore è chiuso (quindi a riposo) il transistor è spento e quindi il relè è diseccitato, quindi, a riposo, consumerebbe solo una corrente di 2mA che scorrerebbero nella resistenza.
Se ho capito bene ti occorre un contatto invertito rispetto a quello del fotosensore, sei sicuro che il fotosensore non lo abbia già? Mi pare di ricordare che alcuni di quelli per i cancelli abbiano un contatto in scambio.
Se lo scambio non è disponibile, per farla semplice, potresti utilizzare il contatto normalmente chiuso del fotosensore per eccitare un relè del tipo con contatto in scambio: Il nuovo relè risulterebbe eccitato a riposo e utilizzando il suo contatto normalmente chiuso avresti realizzato l'inversione.
Immagino che un inconveniente di questa soluzione potrebbe essere il consumo permanente di corrente dalla batteria ma anche il relè del fotosensore è sempre eccitato, quindi..valuta tu.
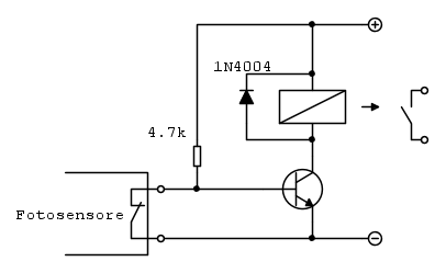
Se vuoi farlo con un transistor potresti utilizzare questo schema
così é dimensionato per un relè piccolo, diciamo con una bobina da non più di 50mA e potresti utilizzare qualsiasi transistor, se invece la bobina del relè che intendi utilizzare assorbisse più di 50mA andrebbe utilizzato un transistor darlington.
Quando il contatto del fotosensore è chiuso (quindi a riposo) il transistor è spento e quindi il relè è diseccitato, quindi, a riposo, consumerebbe solo una corrente di 2mA che scorrerebbero nella resistenza.
-

BrunoValente
39,6k 7 11 13 - G.Master EY

- Messaggi: 7796
- Iscritto il: 8 mag 2007, 14:48
0
voti
heliodromos ha scritto:1°problema:non saprei utilizzare fidocadj!
2°problema:non ho un PC su cui installarlo, ma uso solo il mio telefono!aiuterebbe soprattutto me e sarei più comprensibile per gli altri!lo so!
Per il primo problema: FidoCadJ è semplicissimo e trovi tutte le istruzioni anche qui sul forum.
Per il secondo: funziona anche sul telefonino Android. http://darwinne.github.io/FidoCadJ/download.html
Ma in tutti i casi, se gli altri sono riusciti a capirti e riescono ad aiutarti, si vede che va bene anche così.
Buona realizzazione e ancora benvenuto.

Più so e più mi accorgo di non sapere.
Qualsiasi cosa abbia scritto, tieni presente che sono ancora al mio primo rocchetto di stagno.
Qualsiasi cosa abbia scritto, tieni presente che sono ancora al mio primo rocchetto di stagno.
25 messaggi
• Pagina 1 di 3 • 1, 2, 3
Chi c’è in linea
Visitano il forum: Google Adsense [Bot] e 208 ospiti

Elettrotecnica e non solo (admin)
Un gatto tra gli elettroni (IsidoroKZ)
Esperienza e simulazioni (g.schgor)
Moleskine di un idraulico (RenzoDF)
Il Blog di ElectroYou (webmaster)
Idee microcontrollate (TardoFreak)
PICcoli grandi PICMicro (Paolino)
Il blog elettrico di carloc (carloc)
DirtEYblooog (dirtydeeds)
Di tutto... un po' (jordan20)
AK47 (lillo)
Esperienze elettroniche (marco438)
Telecomunicazioni musicali (clavicordo)
Automazione ed Elettronica (gustavo)
Direttive per la sicurezza (ErnestoCappelletti)
EYnfo dall'Alaska (mir)
Apriamo il quadro! (attilio)
H7-25 (asdf)
Passione Elettrica (massimob)
Elettroni a spasso (guidob)
Bloguerra (guerra)




