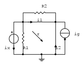
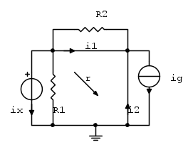
Ciao a tutti , stavo guardando gli esercizi svolti a penna del mio prof di elettrotecnica . Mi imbatto in un circuito dove non capisco due cose :
1) La freccia diagonale , nominata r = 1 ohm
2) Le due mezzelune corrispondenti alle correnti i1 e i2 , che in Fidocad non sono riuscito a realizzare . ( Metto il pdf originale con l'esercizio )
Decifrare il circuito del Prof
Moderatori:
g.schgor,
IsidoroKZ
14 messaggi
• Pagina 1 di 2 • 1, 2
0
voti
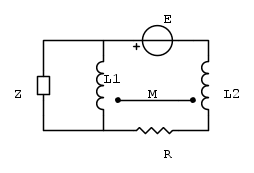
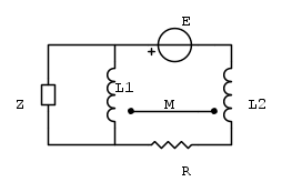
Ho un altro circuito da "decifrare" , sapete cosa sta a significare quella M ? Nel testo dice M = -1/4 H .
(Non ho caricato il circuito il fidocad , perché la domanda trascende dall'analisi circuitale vera e propria )
(Non ho caricato il circuito il fidocad , perché la domanda trascende dall'analisi circuitale vera e propria )
-

themagiciant95
27 1 1 7 - Frequentatore

- Messaggi: 167
- Iscritto il: 5 ott 2015, 15:57
-

TardoFreak
73,9k 8 12 13 - -EY Legend-

- Messaggi: 15754
- Iscritto il: 16 dic 2009, 11:10
- Località: Torino - 3° pianeta del Sistema Solare
0
voti
Dovrei considerarlo come un trasformatore ?
Se no ,cosa comporta nell'analisi circuitale ?
Se no ,cosa comporta nell'analisi circuitale ?
-

themagiciant95
27 1 1 7 - Frequentatore

- Messaggi: 167
- Iscritto il: 5 ott 2015, 15:57
0
voti
Si, un trasformatore con accoppiamento lasco.
Con tutto quel che ne consegue e che non ricordo più perché sono passati tanti, tanti anni.
Ricordo solo che era una bella gatta da pelare.
Con tutto quel che ne consegue e che non ricordo più perché sono passati tanti, tanti anni.
Ricordo solo che era una bella gatta da pelare.
-

TardoFreak
73,9k 8 12 13 - -EY Legend-

- Messaggi: 15754
- Iscritto il: 16 dic 2009, 11:10
- Località: Torino - 3° pianeta del Sistema Solare
0
voti
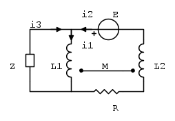
Sto provando a risolvere il circuito . Dovendo calcolare la potenza massima di Zx ( del circuito sopra citato ) , ho iniziato a realizzare il circuito equivalente di Thevenin escludendo Zx .
Nel calcolo di Rth ho ottenuto un circuito del genere , ma non so se procedere semplicemente semplificando le impedenze in serie o in paralellelo , oppure dover prima utilizzare le proprietà del trasformatore
Nel calcolo di Rth ho ottenuto un circuito del genere , ma non so se procedere semplicemente semplificando le impedenze in serie o in paralellelo , oppure dover prima utilizzare le proprietà del trasformatore
-

themagiciant95
27 1 1 7 - Frequentatore

- Messaggi: 167
- Iscritto il: 5 ott 2015, 15:57
2
voti
themagiciant95 ha scritto:cosa comporta nell'analisi circuitale ?
Nelle equazioni di maglia (KVL) si deve tener conto delle tensioni di mutua induttanza. In alternata sinusoidale sono del tipo

-1
voti
Considerando il Circuito , per trovare Rth devo fare V/I . A me viene :
A questo punto ho calcolato
in funzione di
e ho fatto
per trovare 
A questo punto ho calcolato
in funzione di
e ho fatto
per trovare 
-

themagiciant95
27 1 1 7 - Frequentatore

- Messaggi: 167
- Iscritto il: 5 ott 2015, 15:57
14 messaggi
• Pagina 1 di 2 • 1, 2
Torna a Elettrotecnica generale
Chi c’è in linea
Visitano il forum: Nessuno e 23 ospiti

Elettrotecnica e non solo (admin)
Un gatto tra gli elettroni (IsidoroKZ)
Esperienza e simulazioni (g.schgor)
Moleskine di un idraulico (RenzoDF)
Il Blog di ElectroYou (webmaster)
Idee microcontrollate (TardoFreak)
PICcoli grandi PICMicro (Paolino)
Il blog elettrico di carloc (carloc)
DirtEYblooog (dirtydeeds)
Di tutto... un po' (jordan20)
AK47 (lillo)
Esperienze elettroniche (marco438)
Telecomunicazioni musicali (clavicordo)
Automazione ed Elettronica (gustavo)
Direttive per la sicurezza (ErnestoCappelletti)
EYnfo dall'Alaska (mir)
Apriamo il quadro! (attilio)
H7-25 (asdf)
Passione Elettrica (massimob)
Elettroni a spasso (guidob)
Bloguerra (guerra)






