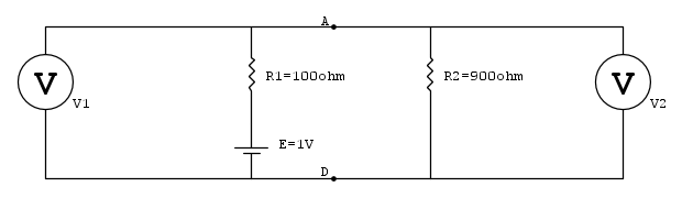
Quanto vale la corrente nel circuito?
Qual è la lettura del voltmetro a sinistra (V1), connesso tra i punti A e D ? Qual è la lettura del voltmetro a destra (V2) connesso tra gli stessi punti?
--------------------------------------------------------------------------------------------------------------
Togliamo ora la batteria E. Consideriamo un solenoide alimentato con una corrente variabile e fotografiamo la situazione ad un certo istante in cui la corrente indotta sul circuito sia pari alla medesima corrente calcolata al punto precedente.
Qual è la lettura dei due voltmetri?

Elettrotecnica e non solo (admin)
Un gatto tra gli elettroni (IsidoroKZ)
Esperienza e simulazioni (g.schgor)
Moleskine di un idraulico (RenzoDF)
Il Blog di ElectroYou (webmaster)
Idee microcontrollate (TardoFreak)
PICcoli grandi PICMicro (Paolino)
Il blog elettrico di carloc (carloc)
DirtEYblooog (dirtydeeds)
Di tutto... un po' (jordan20)
AK47 (lillo)
Esperienze elettroniche (marco438)
Telecomunicazioni musicali (clavicordo)
Automazione ed Elettronica (gustavo)
Direttive per la sicurezza (ErnestoCappelletti)
EYnfo dall'Alaska (mir)
Apriamo il quadro! (attilio)
H7-25 (asdf)
Passione Elettrica (massimob)
Elettroni a spasso (guidob)
Bloguerra (guerra)




instead of
(Anonimo).
ain't
, right?
in lieu of
.
for
arithm.





Max
