salve a tutti possiedo (da qualche parte la devo cercare ma lo farò d'estate) una vecchia lampada di emergenza beghelli serie maya2
http://www.ebay.it/itm/like/252716630781 la quale non funziona più: i miei tentativi sono stati quelli di sostituire i neo e la batteria ma non sono andati a buon fine.
chiedevo se qualcuno conoscesse lo schema elettrico (che probabilmente non si trova in rete per ovvie ragioni), o mi potrebbe dare una mano nell' indivuazione del guasto;
in alternativa se qualcuno ha uno schema elettrico simile o equivalente in modo da poter sfruttare almeno la lampada stessa. grazie.
lampada beghelli guasta
Moderatori:
carloc,
g.schgor,
BrunoValente,
IsidoroKZ
14 messaggi
• Pagina 1 di 2 • 1, 2
0
voti
Buongiorno, allora causa coronavirus mi ritrovo segregato a casa ed allora riprendo il vecchissimo post della lampada d' emergenza beghelli serie maya2.
Armato di buona volontà ho aperto la lampada ed allego le foto:
Vorrei sapere:
- se qualcuno ha lo schema elettrico (non sono riuscito a reperirlo su internet)
- cosa potrei cominciare a controllare
Finita la mia quarantena (lunedi) recupero un tester per controllare le piste.
Grazie dell' aiuto.
Armato di buona volontà ho aperto la lampada ed allego le foto:
Vorrei sapere:
- se qualcuno ha lo schema elettrico (non sono riuscito a reperirlo su internet)
- cosa potrei cominciare a controllare
Finita la mia quarantena (lunedi) recupero un tester per controllare le piste.
Grazie dell' aiuto.

1
voti
nicoct ha scritto:- cosa potrei cominciare a controllare
Salve
Se hai disponibile un multimetro, si potrebbe iniziare da un controllo a freddo, ovvero in assenza di tensione.
La prima cosa che verificherei con il multimetro in portata per ohm la continuità tra i reofori della spina di alimentazione e le terminazioni dei conduttori azzurro e marrone, poi procederi alla verifica del grande condensatore poliestere (se il multimetro ha anche il capacimetro), e poi con la funzione provadiodi andrei a verificare la bontà dei diodi presenti sulla scheda, e non ultimo in portata per ohm il resistore di potenza vicino al condensatore.. Questi se non erro sono i componenti dediti al circuito di alimentazione della scheda, pertanto potrebbero essere i primi incriminati..
I circuiti sono controcorrente. Seguono sempre la massa
-Per rispondere utilizza il tasto [RISPONDI] e non il tasto [CITA], grazie.-
-Per rispondere utilizza il tasto [RISPONDI] e non il tasto [CITA], grazie.-
1
voti
ok ti ringrazio intanto, lunedi finalmente finisco la quarantena e mi dedico a queste prima misure a freddo.
quindi queste misure che mi consigli tu di fare le posso fare senza dissaldare i componenti giusto?
ti aggiorno martedi.
quindi queste misure che mi consigli tu di fare le posso fare senza dissaldare i componenti giusto?
ti aggiorno martedi.
1
voti
nicoct ha scritto:queste misure che mi consigli tu di fare le posso fare senza dissaldare i componenti giusto?
In genere, quando si esegue una misura su di un componente, è opportuno dissaldare almeno un reoforo dal circuito, questo perché la misura potrebbe essere falsata da un eventuale ramo di circuito comprendente altri componenti a loro volta connessi al componente sotto misura, pertanto se ne hai modo puoi dissaldare un reoforo, fermo restando la possibilità (seguendo le piste interessate dei componenti che si vuole verificare) di ridisegnare la parte di circuito sotto misura verificando dapprima quali componenti siano connessi tra di loro, e se la misura si possa inficiare di un errore o meno.
Nel post precedente, ho dimenticato .. una domanda fondamentale ..
.. la lampada una volta alimentata, come si comporta ? ( spie accese.. spie spente.. i tubi non si accendono etc etc ..)I circuiti sono controcorrente. Seguono sempre la massa
-Per rispondere utilizza il tasto [RISPONDI] e non il tasto [CITA], grazie.-
-Per rispondere utilizza il tasto [RISPONDI] e non il tasto [CITA], grazie.-
0
voti
Guarda ieri ho cominciato a fare alcuni controlli: in particolare ho notato:
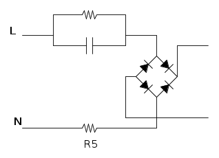
- quando collego l'alimentazione da rete la spia luminosa, il led rosso,si accendeva: presumo che questo significhi che lo stadio iniziale almeno funzioni correttamente: ad occhio e croce abbozzando un primo schema elettrico (molto parziale) penso sia la parte del circuito inferiore con i 4 diodi (collegati a ponte) il resistore un po piu grosso e quel componente di colore giallo (condensatore???); a proposito secondo te questi componenti potrebbero essere una sorta di circuito che abbassa la tensione senza trasformatore (tipo alimentatore trasformless);
- cambiando la posizione del selettore ovviamente le lampade non si accendono;
- ho dato una controllata al pacco batterie: mi aspettavo di trovare la classica batteria beghelli (quella di colore nero): invece ho trovato un pacco batterie (circa 6 avvolte insieme);ho provato a misurare (staccando l'alimentazione) la tensione della batteria e mi dava circa 5,8 V: potrebbe essere che la batteria è scarica?
- quando collego l'alimentazione da rete la spia luminosa, il led rosso,si accendeva: presumo che questo significhi che lo stadio iniziale almeno funzioni correttamente: ad occhio e croce abbozzando un primo schema elettrico (molto parziale) penso sia la parte del circuito inferiore con i 4 diodi (collegati a ponte) il resistore un po piu grosso e quel componente di colore giallo (condensatore???); a proposito secondo te questi componenti potrebbero essere una sorta di circuito che abbassa la tensione senza trasformatore (tipo alimentatore trasformless);
- cambiando la posizione del selettore ovviamente le lampade non si accendono;
- ho dato una controllata al pacco batterie: mi aspettavo di trovare la classica batteria beghelli (quella di colore nero): invece ho trovato un pacco batterie (circa 6 avvolte insieme);ho provato a misurare (staccando l'alimentazione) la tensione della batteria e mi dava circa 5,8 V: potrebbe essere che la batteria è scarica?
1
voti
nicoct ha scritto:- quando collego l'alimentazione da rete la spia luminosa, il led rosso,si accendeva: presumo che questo significhi che lo stadio iniziale almeno funzioni correttamente..
esatto,
nicoct ha scritto:la parte del circuito inferiore con i 4 diodi (collegati a ponte) il resistore un po piu grosso e quel componente di colore giallo (condensatore???); a proposito secondo te questi componenti potrebbero essere una sorta di circuito che abbassa la tensione senza trasformatore (tipo alimentatore trasformless)
si direbbe un circuito di alimentazione interessato direttamente dalla tensione di rete, credo qualcosa del genere..
non ho riportato la sigla degli altri componenti, perché non leggo i relativi riferimenti serigrafati, comunque seguendo le piste ed aiutandosi con il multimetro in prova continuità volendo si può ricostruire lo schema, considerando la semplicità del circuito ..
nicoct ha scritto:- cambiando la posizione del selettore ovviamente le lampade non si accendono;
potrebbero essere guaste le lampade, o il circuito che le dovrebbe alimentare,
dipende, dalla tensione nominale del pacco batterie, se come hai scritto ..nicoct ha scritto: la tensione della batteria e mi dava circa 5,8 V: potrebbe essere che la batteria è scarica?
immaginando che siano elementi da 1,2 V, si dovrebbe misurare una tensione pari a 1,2 x 6 = 7,2 V , se questo valore fosse corretto, il valore che hai misurato indica batteria scarica.nicoct ha scritto:pacco batterie (circa 6 avvolte insieme)
Pertanto, potresti controllare se con il dispositivo alimentato alla tensione di rete, arrivi tensione di ricarica alla batteria.
Altra verifica se i due tubi fluorescenti siano buoni o meno.
I circuiti sono controcorrente. Seguono sempre la massa
-Per rispondere utilizza il tasto [RISPONDI] e non il tasto [CITA], grazie.-
-Per rispondere utilizza il tasto [RISPONDI] e non il tasto [CITA], grazie.-
0
voti
Proverei subito diodi e transistor su circuito, senza dissaldare nulla. Se rilevi un corto secco (nei transistor tipo Q3 e Q2 in genere tra C ed E) allora dissadla e riverificalo fuori dal circuito. Il terzo sara' facilmente un mosfet, e andrebbe testato smontato con procedura per mosfet (si trovano varie guide).
Se vuoi fare qualche misura sotto tensione, proverei che ci sia tensione dopo la riduzione a la conitinua dopo quello che pare il ponte di diodi. Disegnare lo schema, come ti e0 stato suggerito, visto che e' semplice anche e' buona cosa.
Se fai misure sotto tensione fai molta attenzione a quello che fai, una scossa 220 ti da una bella svegliata, sempre che vada tutto bene. Se no se non sei sicuro lascia perdere.
Se vuoi fare qualche misura sotto tensione, proverei che ci sia tensione dopo la riduzione a la conitinua dopo quello che pare il ponte di diodi. Disegnare lo schema, come ti e0 stato suggerito, visto che e' semplice anche e' buona cosa.
Se fai misure sotto tensione fai molta attenzione a quello che fai, una scossa 220 ti da una bella svegliata, sempre che vada tutto bene. Se no se non sei sicuro lascia perdere.
-

hyroio
106 1 4 - CRU - Account cancellato su Richiesta utente
- Messaggi: 137
- Iscritto il: 17 mar 2020, 13:06
14 messaggi
• Pagina 1 di 2 • 1, 2
Chi c’è in linea
Visitano il forum: Nessuno e 326 ospiti

Elettrotecnica e non solo (admin)
Un gatto tra gli elettroni (IsidoroKZ)
Esperienza e simulazioni (g.schgor)
Moleskine di un idraulico (RenzoDF)
Il Blog di ElectroYou (webmaster)
Idee microcontrollate (TardoFreak)
PICcoli grandi PICMicro (Paolino)
Il blog elettrico di carloc (carloc)
DirtEYblooog (dirtydeeds)
Di tutto... un po' (jordan20)
AK47 (lillo)
Esperienze elettroniche (marco438)
Telecomunicazioni musicali (clavicordo)
Automazione ed Elettronica (gustavo)
Direttive per la sicurezza (ErnestoCappelletti)
EYnfo dall'Alaska (mir)
Apriamo il quadro! (attilio)
H7-25 (asdf)
Passione Elettrica (massimob)
Elettroni a spasso (guidob)
Bloguerra (guerra)





