Cos'è ElectroYou | Login Iscriviti

ElectroYou - la comunità dei professionisti del mondo elettrico

Difficoltà risoluzione esercizi elettrotecnica

Circuiti, campi elettromagnetici e teoria delle linee di trasmissione e distribuzione dell’energia elettrica

Moderatori: Foto Utenteg.schgor, Foto UtenteIsidoroKZ

0
voti

[1] Difficoltà risoluzione esercizi elettrotecnica

Messaggioda Foto UtenteGiovanni96 » 18 apr 2017, 16:33

Buonasera,
sono uno studente del polito. Purtroppo ho avuto un crollo psichico, sono stato molto male e ho dovuto saltare un mese intero di lezioni tra cui elettrotecnica. Il corso è videoregistrato quindi per fortuna ho questo aiuto. Ho comunque grosse difficoltà nella risoluzione degli esercizi anche quelli più banali. Vorrei postare una foto di un esercizio che non riesco a risolvere per farvi capire a che livello sono. So che devo usare fidocadj, l'ho installato ho aggiunto delle librerie da voi consigliate ma non riesco a trovarne una in cui ci siano i simboli elementari come generatori di tensione e di corrente. Mentre per le formule devo usare latex(cercherò di usarlo da subito). Confido nel vostro prezioso aiuto e vi ringrazio in anticipo per la disponibilità.
L'esercizio chiede di determinare le tensioni e le correnti dei resistori e le potenze erogate dai generatori.
Per determinare V_1 ho applicato la legge di Kirchhoff alla prima maglia E-V_1=0, mentre non riesco a trovare la V_2 pechè non riesco a trovare la tensione ai capi del generatore di corrente. Il procedimento fin qui è corretto?
Per trovare le potenze dei generatori pensavo di applicare il principio di sovrapposizione degli effetti per trovare P_E=V_E(i'_E+i''_E) e P_J=I_2(V'_J+V''_J).
Per il circuito 1, ottenuto passivando il generatore di corrente ho trovato la i'_E= \frac{E} {R_1}=2A ( non riesco a mettere in frazione E fratto R_1) e poi ho trovato la V_J=R_1 \cdot\i'_E=10V.
Per il circuito 2 ho passivato il generatore di tensione e ho trovato la V''_J=R_2*J=8V mentre la i''_E=-4A. Posto la foto dei circuiti perché al momento non riesco ad usare fidocadj.
Allegati
20170418_162142 (FILEminimizer).jpg
20170418_161548 (FILEminimizer).jpg
Ultima modifica di Foto UtenteGiovanni96 il 18 apr 2017, 17:24, modificato 1 volta in totale.
Avatar utente
Foto UtenteGiovanni96
121 1 9
New entry
New entry
 
Messaggi: 55
Iscritto il: 25 ago 2012, 15:24

1
voti

[2] Re: Difficoltà risoluzione esercizi elettrotecnica

Messaggioda Foto Utentewall87 » 18 apr 2017, 16:46

Intanto vediamo di disegnare giusto lo schema:



è giusto disegnato così?

per quanto riguarda i simboli non devi fare nulla, quando installi FidoCadJ basta che guardi sulla destra e trovi già tutti i simboli; ti metto una foto con il riquadro rosso.

1.png
Il futuro appartiene a coloro che credono nella bellezza dei propri sogni.

Formule LaTeX

Uso di LaTeX sul forum

ƎlectroYou
Avatar utente
Foto Utentewall87
6.025 5 10 13
Master
Master
 
Messaggi: 1467
Iscritto il: 27 nov 2014, 15:28
Località: Padova

1
voti

[3] Re: Difficoltà risoluzione esercizi elettrotecnica

Messaggioda Foto UtenteGiovanni96 » 18 apr 2017, 16:55

Grazie per le risposte, adesso faccio i circuiti su fidocadj e provo a postarli.
Avatar utente
Foto UtenteGiovanni96
121 1 9
New entry
New entry
 
Messaggi: 55
Iscritto il: 25 ago 2012, 15:24

0
voti

[4] Re: Difficoltà risoluzione esercizi elettrotecnica

Messaggioda Foto Utenterugweri » 18 apr 2017, 16:57

Buonasera :D

La parte con il solo generatore di tensione l'hai fatta bene (anche se avresti potuto farla in maniera ancor più banale: ti bastava notare che la resistenza è in serie con il generatore di tensione, e quindi ha ai capi la stessa differenza di potenziale)... ora, usiamo lo schema gentilmente fornito da Foto Utentewall87 per analizzare il circuito con il solo generatore di corrente:



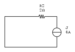
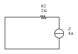
Notiamo subito che R_1 è in parallelo con un cortocircuito, quindi la tensione ai suoi capi è nulla. Possiamo allora ridisegnare il circuito come:



E da qui è banale: la tensione ai capi di R_2 è semplicemente V_2 = R_2J.
Avatar utente
Foto Utenterugweri
5.948 2 8 13
CRU - Account cancellato su Richiesta utente
 
Messaggi: 1366
Iscritto il: 25 nov 2016, 18:46

0
voti

[5] Re: Difficoltà risoluzione esercizi elettrotecnica

Messaggioda Foto UtenteMarkyMark » 18 apr 2017, 16:59

Prova questo editor online per le formule LaTeX
https://www.codecogs.com/latex/eqneditor.php
:)
mark
Avatar utente
Foto UtenteMarkyMark
3.422 2 5 6
Master EY
Master EY
 
Messaggi: 518
Iscritto il: 11 giu 2016, 12:01

0
voti

[6] Re: Difficoltà risoluzione esercizi elettrotecnica

Messaggioda Foto Utentelillo » 18 apr 2017, 17:01

Giovanni96 ha scritto:Per il circuito 1, ottenuto passivando....

giusto il valore della corrente i'_e
Giovanni96 ha scritto:Per il circuito 2 ho passivato il generatore di tensione

va bene anche quello.
Avatar utente
Foto Utentelillo
20,5k 7 12 13
G.Master EY
G.Master EY
 
Messaggi: 4172
Iscritto il: 25 nov 2010, 11:30
Località: Nuovo Mondo

1
voti

[7] Re: Difficoltà risoluzione esercizi elettrotecnica

Messaggioda Foto Utenterugweri » 18 apr 2017, 17:06

Mi sono dimenticato di scrivere la parte legata alle potenze :mrgreen:

Nota un dettaglio, Foto UtenteGiovanni96: non puoi usare il principio di sovrapposizione per calcolare le potenze, perché non sono funzioni lineari (XXX).

Invece, puoi sfruttare quanto calcolato per tensioni e correnti per determinare la corrente attraverso il generatore di tensione e la tensione ai capi del generatore di corrente :ok:
Avatar utente
Foto Utenterugweri
5.948 2 8 13
CRU - Account cancellato su Richiesta utente
 
Messaggi: 1366
Iscritto il: 25 nov 2016, 18:46

0
voti

[8] Re: Difficoltà risoluzione esercizi elettrotecnica

Messaggioda Foto UtenteGiovanni96 » 18 apr 2017, 17:15

E da qui è banale: la tensione ai capi di R_2 è semplicemente V_2 = R_2J.

ho capito quello che hai fatto ma ho un dubbio: la tensione su R_2 dipende così solo dal generatore di corrente, perché il generatore di tensione è passivato. Ma quest'ultimo non ha alcuna influenza sulla tensione di R_2?.
non puoi usare il principio di sovrapposizione per calcolare le potenze, perché non sono funzioni lineari

per la risoluzione dell'esercizio ho fatto riferimento ad un esercizio risolto così postato sul forum viewtopic.php?f=2&t=68095.
Avatar utente
Foto UtenteGiovanni96
121 1 9
New entry
New entry
 
Messaggi: 55
Iscritto il: 25 ago 2012, 15:24

1
voti

[9] Re: Difficoltà risoluzione esercizi elettrotecnica

Messaggioda Foto Utenterugweri » 18 apr 2017, 17:20

Che brutto termine, "passivato"... :roll:

Comunque: no, il generatore di tensione non ha influenza su R_2 nei termini che ti interessano... puoi notarlo guardando il tuo circuito "completo": R_2 è in serie al generatore di corrente, ovvero è attraversata da una corrente J, e questo ci permette di usare la legge di Ohm per calcolare la tensione ai capi di R_2 senza neanche considerare il generatore di tensione, che potrebbe (per quanto ci interessa) anche non esserci.

Giovanni96 ha scritto:per la risoluzione dell'esercizio ho fatto riferimento ad un esercizio risolto così postato sul forum viewtopic.php?f=2&t=68095.


Non ho tempo per guardare l'esercizio... ma credo di aver capito che non ci siamo capiti :mrgreen:
Riformulo quanto ti ho scritto prima: non puoi usare il principio di sovrapposizione per calcolare direttamente le potenze, ovvero non puoi dire - per esempio - che la potenza dissipata da R_1 è la somma di quella calcolabile spegnendo prima il generatore di tensione e poi quello di corrente ;-)
Ma ovviamente, puoi calcolare tensioni e correnti con il principio di sovrapposizione e sfruttare i risultati complessivi per valutare le potenze (per esempio: note le correnti in R_1 e R_2, una banale applicazione del metodo dei nodi ci porta a dire che nel generatore di tensione passa una corrente I_{E} = J - ER_1, e quindi possiamo calcolare la potenza erogata come P = E  I_{E} = E(J - ER_1)) :ok:
Avatar utente
Foto Utenterugweri
5.948 2 8 13
CRU - Account cancellato su Richiesta utente
 
Messaggi: 1366
Iscritto il: 25 nov 2016, 18:46

1
voti

[10] Re: Difficoltà risoluzione esercizi elettrotecnica

Messaggioda Foto UtenteGiovanni96 » 19 apr 2017, 11:20

Buongiorno,
intanto volevo ringraziarvi per le vostre risposte che mi hanno risolto qualche dubbio. In questo momento molto difficile per me significa molto, poter alzarsi la mattina con la speranza di riuscire a fare qualcosa. Adesso stavo provando a risolvere questo esercizio in cui si richiede sempre di determinare le tensioni e le correnti e poi la potenza dei generatori.

Ho pensato di applicare la legge di kirchhoff alle tre maglie e di attribuire dei versi arbritari alla V_1 e V_2 ottenendo:
E_1 +V_1-E_2=0
V_J+V_2+V_1-E_2=0
E_1-V_2-V_J=0
così però non riesco a risolvere il sistema. Se cambio verso aV_2 ottengo un risultato assurdo V_2=0.
Ho pensato di considerare allora solo il lato con il generatore di corrente:

ho pensato la corrente I_2 deve essere uguale a quella del generatore di corrente perché sono collegati in serie. Ho attribuito i versi che si vedono nello schema fidocadj ma non corrispondono con la soluzione che è V_2=-10V e I_2=-2A. Dove ho sbagliato? Ho scelto che la corrente è positiva se circola in senso antiorario.
Avatar utente
Foto UtenteGiovanni96
121 1 9
New entry
New entry
 
Messaggi: 55
Iscritto il: 25 ago 2012, 15:24

Prossimo

Torna a Elettrotecnica generale

Chi c’è in linea

Visitano il forum: Nessuno e 106 ospiti