Salve a tutti ragazzi. Ho un piccolo rompicapo che vorrei sottoporvi.
Ho nel box una luce a neon che viene accesa e spenta da due deviatori e da un relè a 24 volt pilotato dalla scheda elettronica del motore con cui si aprono le ante del box (faac).
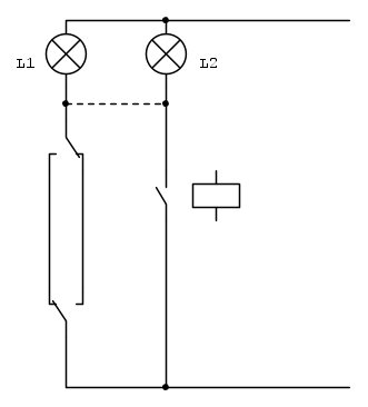
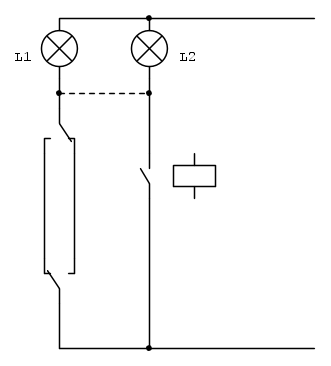
Ora, il circuito è quello che ho disegnato in foto (mi scuso per non aver usato cad ma sono da smartphone).
La luce viene accesa quando apro le ante e spenta 4 minuti dopo averle chiuse.
Mettiamo il caso che prima dell'apertura delle ante la luce sia stata accesa tramite i deviatori. Apro le ante, non so che la luce in precedenza fosse accesa e non tocco i deviatori convinto che dopo 4 minuti tutto si spegne. In realtà non si spegnerà (come si può vedere dal circuito). Volevo quindi mettere una lucina ai deviatori per indicare quando sono loro ad alimentare la luce.
Essa si dovrebbe accendere in questi casi:
- fase chiusa solo dai deviatori
- fase chiusa da deviatori e relè
Non si deve accendere invece quando
- fase chiusa solo da relè
- fase aperta da entrambi
Così mi accorgo se i deviatori sono accesi e prima di andarmene dal box li spengo. Secondo voi come posso procedere?
Distinguere alimentazione Relè - Deviatore
Moderatori:
sebago,
MASSIMO-G,
lillo,
Mike
15 messaggi
• Pagina 1 di 2 • 1, 2
0
voti
gabrisav ha scritto:Ripensandoci il mio sistema non è giusto, appena il rele chiude le due spie si spengono
A parte quello, ma non so se hai notato che i due terminali a cui hai connesso le luci sono due fasi e non un neutro e una fase...
0
voti
Una possibile soluzione alternativa - da realizzare da parte di un installatore abilitato - e' quella di affiancare alla lampada L1 originale una seconda lampada L2
L1 viene accesa dai deviatori
L2 viene accesa dal rele
Il collegamento tratteggiato e' il collegamento originale (da rimuovere)
L1 viene accesa dai deviatori
L2 viene accesa dal rele
Il collegamento tratteggiato e' il collegamento originale (da rimuovere)
Ultima modifica di
elfo il 17 ago 2017, 21:41, modificato 1 volta in totale.
0
voti
non è quello il problema
il circuito (penso nell'ordine dei uA) si chiude [forse] attraverso la lampada
ma il parallelo del relé non consente di realizzare la configurazione da te desiderata, almeno con i componenti che già hai
complicando le cose...
dove K è un relè bistabile con 2 contatti NO
K1 sono i suoi rispettivi contatti
SP1 è una spia che puoi mettere esterna ai deviatori e che ti segnala il funzionamento di questi
il resto mi sembra intuibile
il circuito (penso nell'ordine dei uA) si chiude [forse] attraverso la lampada
ma il parallelo del relé non consente di realizzare la configurazione da te desiderata, almeno con i componenti che già hai
complicando le cose...
dove K è un relè bistabile con 2 contatti NO
K1 sono i suoi rispettivi contatti
SP1 è una spia che puoi mettere esterna ai deviatori e che ti segnala il funzionamento di questi
il resto mi sembra intuibile
Ognuno sta solo sul cuor della terra
trafitto da un raggio di sole:
ed è subito sera
Salvatore Quasimodo
trafitto da un raggio di sole:
ed è subito sera
Salvatore Quasimodo
0
voti
sabruri1 ha scritto:Mettiamo il caso che prima dell'apertura delle ante la luce sia stata accesa tramite i deviatori. Apro le ante, non so che la luce in precedenza fosse accesa e non tocco i deviatori convinto che dopo 4 minuti tutto si spegne. In realtà non si spegnerà (come si può vedere dal circuito). Volevo quindi mettere una lucina ai deviatori per indicare quando sono loro ad alimentare la luce.
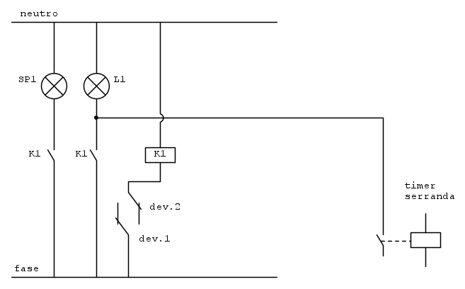
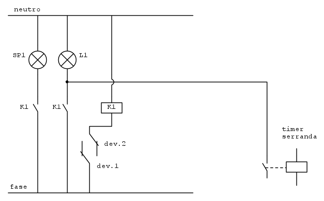
Si potrebbe legare lo stato di funzionamento dei deviatori alla condizione di stato del contatto del relè (faac).
Questo lo si può realizzare, utilizzando lo schema dell'invertita. In luogo dell'invertitore si può inserire un relè K1(doppio scambio deviato) comandato dal contatto del relè K(faac).
Secondo il seguente schema:
In condizioni di luce spenta, se si apronole ante, e si attiva il relè K di conseguenza K1 si eccita scambiando i contatti ed accende le luci per il tempo che rimane in posizione,quando si diseccità K anche K1 cade e si spengono le luci. Con K a riposo si gestisce il comando di accensione dai deviatori D1 e D2.
I circuiti sono controcorrente. Seguono sempre la massa
-Per rispondere utilizza il tasto [RISPONDI] e non il tasto [CITA], grazie.-
-Per rispondere utilizza il tasto [RISPONDI] e non il tasto [CITA], grazie.-
0
voti
sabruri1 ha scritto:A parte quello, ma non so se hai notato che i due terminali a cui hai connesso le luci sono due fasi e non un neutro e una fase...
Certo che ho notato, ma quel sitema di collegare le lampade a spia viene usato per individuare i deviatori luminosi al buio quando la luce è spenta, dato che, con i deviatori " a riposo ", la corrente circola tramite le spie e lampada e si richiude sul neutro.
In questo caso con l'intevento del contatto del rele la corrente passa tramite il contatto baipassando la lampade spia.
-

gabrisav
1.852 2 4 7 - Expert EY

- Messaggi: 1711
- Iscritto il: 13 set 2015, 18:26
- Località: Borgosatollo (Bs)
0
voti
La soluzione delle due luci è sicuramente la più immediata, ma l avevo già scartata
Si scusami, mia svista
Una possibile soluzione!
Ottima soluzione. Se ho ben capito il rele bistabile K viene attivato dal deviatore il quale alimenta la luce e la spia. Quando tolgo la fase del deviatore, smetto di alimentate il relè e apro il contatto della luce e si spegne la spia.
Quando viene alimentata la luce SOLO dalla serranda chiaramente il rele K non è eccitato e non chiude la fase alla spia.
Unica domanda: il bistabile sottoposto a continua alimentazione e non ad impulso (viene alimentato sempre quando il deviatore accende la luce) non si rompe più facilmente? Forse a questo punto mi conviene sostituire i due deviatori con due pulsanti.
edit
mir. per rispondere utilizza il tasto rispondi e non il tasto cita, quest'ultimo se occorre si utilizza per citare una parte di messaggio del topic non l'intero topic. Grazie
gabrisav ha scritto:Certo che ho notato, ma quel sitema di collegare le lampade ...
Si scusami, mia svista
mir ha scritto:Si potrebbe legare lo stato di funzionamento dei deviatori alla condizione di stato del contatto del relè (faac)...
Una possibile soluzione!
attilio ha scritto:non è quello il problema
il circuito (penso nell'ordine dei uA) si chiude [forse] attraverso la lampada ...
Ottima soluzione. Se ho ben capito il rele bistabile K viene attivato dal deviatore il quale alimenta la luce e la spia. Quando tolgo la fase del deviatore, smetto di alimentate il relè e apro il contatto della luce e si spegne la spia.
Quando viene alimentata la luce SOLO dalla serranda chiaramente il rele K non è eccitato e non chiude la fase alla spia.
Unica domanda: il bistabile sottoposto a continua alimentazione e non ad impulso (viene alimentato sempre quando il deviatore accende la luce) non si rompe più facilmente? Forse a questo punto mi conviene sostituire i due deviatori con due pulsanti.
edit
Ultima modifica di
mir il 18 ago 2017, 19:58, modificato 1 volta in totale.
Motivazione: eliminatoi quote inutile.
Motivazione: eliminatoi quote inutile.
1
voti
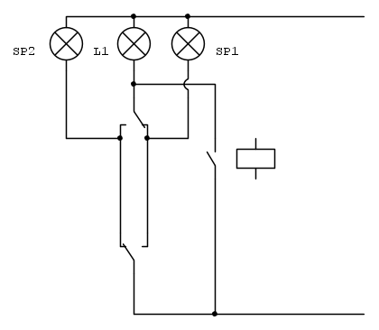
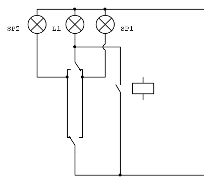
Ti occorrono non una ma due spie.
Guarda lo schema e la tabella qui sotto
- Dev: e' lo stato dei deviatori: 1 accendono la lampada , 0 non la accendono (ci sono 2 condizioni di "1": tutti e due a SX e tutti e due a DX e 2 condizioni di "0": il primo deviatore a SX ed il secondo a DX e viceversa)
- Rele: lo stato del rele' puo' essere ovviamente 1 o 0 (1 accende la lampada, 0 non la accende)
- SP1 e SP2: sono le spie (1 accesa, 0 spenta)
- Lamp: e ' lampada (ON accesa, OFF spenta)
Se osservi la tabella vedi che ci sono solo 2 condizioni in cui tutte e due le spie sono accesse (SP1 = 1 SP2 = 1:
- Lamp = ON
- Rele = 1
- Dev = 0
In tutti gli altri casi le spie sono accese alternativamente.
Per cui:
A) lampada accesa e le due spie accese sei sicuro che:
1) il rele e' attivato
2) i deviatori sono "spenti" (stato 0)
B) In tutti gli altri casi:
3) la lampada e' spenta -> OK
4) la lampada e' accesa (rele o deviatori) ed allora devi "spengere" un deviatore. Con questa operazione possono succedere due cose a conferma dell'operazione:
----- 4.1) La lampada si spenge (se il rele' non e attivo)
----- 4.2) la spia che era spenta si accende (l'altra, gia' accesa, rimane accesa)
Guarda lo schema e la tabella qui sotto
- Dev: e' lo stato dei deviatori: 1 accendono la lampada , 0 non la accendono (ci sono 2 condizioni di "1": tutti e due a SX e tutti e due a DX e 2 condizioni di "0": il primo deviatore a SX ed il secondo a DX e viceversa)
- Rele: lo stato del rele' puo' essere ovviamente 1 o 0 (1 accende la lampada, 0 non la accende)
- SP1 e SP2: sono le spie (1 accesa, 0 spenta)
- Lamp: e ' lampada (ON accesa, OFF spenta)
Se osservi la tabella vedi che ci sono solo 2 condizioni in cui tutte e due le spie sono accesse (SP1 = 1 SP2 = 1:
- Lamp = ON
- Rele = 1
- Dev = 0
In tutti gli altri casi le spie sono accese alternativamente.
Per cui:
A) lampada accesa e le due spie accese sei sicuro che:
1) il rele e' attivato
2) i deviatori sono "spenti" (stato 0)
B) In tutti gli altri casi:
3) la lampada e' spenta -> OK
4) la lampada e' accesa (rele o deviatori) ed allora devi "spengere" un deviatore. Con questa operazione possono succedere due cose a conferma dell'operazione:
----- 4.1) La lampada si spenge (se il rele' non e attivo)
----- 4.2) la spia che era spenta si accende (l'altra, gia' accesa, rimane accesa)
- Allegati
-
- Lamp_excel.jpg (26.6 KiB) Osservato 6326 volte
15 messaggi
• Pagina 1 di 2 • 1, 2
Torna a Impianti, sicurezza e quadristica
Chi c’è in linea
Visitano il forum: Nessuno e 119 ospiti

Elettrotecnica e non solo (admin)
Un gatto tra gli elettroni (IsidoroKZ)
Esperienza e simulazioni (g.schgor)
Moleskine di un idraulico (RenzoDF)
Il Blog di ElectroYou (webmaster)
Idee microcontrollate (TardoFreak)
PICcoli grandi PICMicro (Paolino)
Il blog elettrico di carloc (carloc)
DirtEYblooog (dirtydeeds)
Di tutto... un po' (jordan20)
AK47 (lillo)
Esperienze elettroniche (marco438)
Telecomunicazioni musicali (clavicordo)
Automazione ed Elettronica (gustavo)
Direttive per la sicurezza (ErnestoCappelletti)
EYnfo dall'Alaska (mir)
Apriamo il quadro! (attilio)
H7-25 (asdf)
Passione Elettrica (massimob)
Elettroni a spasso (guidob)
Bloguerra (guerra)









