Buonasera amici :)
Da un po' di tempo covo qualche dubbio irrisolto sul comportamento effettivo dei transistor.
Proprio ieri per diletto mi è capitato di controllare tramite un transistor ksp42BU un carico resistivo - induttivo (essenzialmente un motore DC).
Mi sono posto allora le seguenti domande:
- Nella disposizione a emittore comune (Ove quindi sia la maglia del collettore che quella della base si richiudono a potenziale nullo) quando si impone una certa corrente sulla base, chiamiamola Ib, la corrente rilevata sul collettore (chiaramente a transitorio estinto e in zona attiva) è sempre uguale ad Hfe * Ib?
Supponiamo infatti di estrarre la maglia di destra dal suo contesto e analizzarla separatamente.
Nel caso normalmente in quella maglia fosse presente una corrente > Hfe * Ib il transistor interverrebbe limitandola sino appunto al valore di Hfe * Ib, ma qualora la corrente fosse più bassa, essa rimarrebbe semplicemente tale?
- Per raggiungere il potenziale di terra, la corrente proveniente dall'emittore (Ic + Ib) deve scegliere se richiudersi in Arduino o tornare nella batteria. Quale strada prenderà? L'stinto mi suggerisce che la ripartizione sia perfettamente equa (in arduino si richiude la Ib da esso fornita e nella batteria la Ic). Chi mi corregge?
- La documentazione dei transistor ksp42BU è decisamente scarna. Come faccio a capire quando è iniziata la zona attiva e quando invece il transistor è completamente in saturazione?
Grazie mille per la disponibilità.
Ogni eventuale consiglio è certamente ben gradito!
Alcune domande sui transistor
Moderatori:
carloc,
g.schgor,
BrunoValente,
IsidoroKZ
35 messaggi
• Pagina 1 di 4 • 1, 2, 3, 4
1
voti
Dalla domanda 2:
Quando metti un polo a terra (negativo per convenzione e come da tuo schema) sei in condizione di equipotenzialità quindi il flusso di carica seguirà il percorso con resistenza minore (verso il negativo o verso terra) e questo risponde in modo mero alla tua domanda. Credo che il dubbio purtroppo ti venga dalla concezione comune e "istintiva" (come dici tu) che pone a somiglianza la corrente elettrica con un flusso idraulico. La terra è un infinito assorbitore e generatore di carica elettrica quando sottoposto a potenziale e questo concetto non è poi così "istintivo", ne è un simpatico esempio la sostituzione del filo di ritorno nel telegrafo con la terra, cambiamento che avvenne solo in tempi successivi
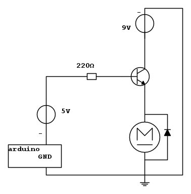
Dallo schema:
io metterei il motore sul collettore dell'NPN anzichè sull'emitter
Quando metti un polo a terra (negativo per convenzione e come da tuo schema) sei in condizione di equipotenzialità quindi il flusso di carica seguirà il percorso con resistenza minore (verso il negativo o verso terra) e questo risponde in modo mero alla tua domanda. Credo che il dubbio purtroppo ti venga dalla concezione comune e "istintiva" (come dici tu) che pone a somiglianza la corrente elettrica con un flusso idraulico. La terra è un infinito assorbitore e generatore di carica elettrica quando sottoposto a potenziale e questo concetto non è poi così "istintivo", ne è un simpatico esempio la sostituzione del filo di ritorno nel telegrafo con la terra, cambiamento che avvenne solo in tempi successivi
Dallo schema:
io metterei il motore sul collettore dell'NPN anzichè sull'emitter
0
voti
Ciao Aldo,
ti ringrazio per la risposta e la dritta!
In effetti nel disegno è presente un refuso: il carico era sul ramo del collettore come è giusto che sia per semplificare il calcolo della Ib sulla maglia di sinistra :)
Per quanto riguarda la ripartizione della Ic: dal momento che il potenziale è nullo da ambe le parti, per evitare danneggiamenti alla scheda elettronica posso semplicemente aggiungere una resistenza bella alta cosicché tutta la corrente torni nella batteria?
D'altro canto dovrebbe seguire il principio del partitore di corrente, quindi I_arduino = Ic * R_batteria / R_batteria + R_arduino
Dove con R_batteria e R_arduino ho indicato due resistenze eventualmente interposte nel nodo terminale dell'emittore e rispettivamente batteria e arduino
E' corretto?
ti ringrazio per la risposta e la dritta!
In effetti nel disegno è presente un refuso: il carico era sul ramo del collettore come è giusto che sia per semplificare il calcolo della Ib sulla maglia di sinistra :)
Per quanto riguarda la ripartizione della Ic: dal momento che il potenziale è nullo da ambe le parti, per evitare danneggiamenti alla scheda elettronica posso semplicemente aggiungere una resistenza bella alta cosicché tutta la corrente torni nella batteria?
D'altro canto dovrebbe seguire il principio del partitore di corrente, quindi I_arduino = Ic * R_batteria / R_batteria + R_arduino
Dove con R_batteria e R_arduino ho indicato due resistenze eventualmente interposte nel nodo terminale dell'emittore e rispettivamente batteria e arduino
E' corretto?
1
voti
Qualche premessa:
1) Purtroppo gli elettronici sono noti per fare dei minestroni negli schemi tra negativo, terra e massa. Credo che in questo caso tu non abbia nessuna terra ma solo il negativo, giusto?
2) Scommetto che questo thread lo hai aperto perché il motore ogni tanto ti resetta l'Arduino o la seriale, giusto?
3) Scommetto che non hai un oscilloscopio
Ciò che ti serve è filtrare i disturbi indotti nel circuito dal motore a spazzole, il modo più semplice è iniziare con un filtro RC sull'alimentazione dell'Arduino (polo positivo), ossia una resistenza che ti permetta solo il passaggio di corrente necessaria all'elettronica (con un certo margine) e un condensatore che armonizzi la tensione. Pero' già ti serve l'oscilloscopio per il dimensionamento e per i successivi interventi
1) Purtroppo gli elettronici sono noti per fare dei minestroni negli schemi tra negativo, terra e massa. Credo che in questo caso tu non abbia nessuna terra ma solo il negativo, giusto?
2) Scommetto che questo thread lo hai aperto perché il motore ogni tanto ti resetta l'Arduino o la seriale, giusto?
3) Scommetto che non hai un oscilloscopio
Ciò che ti serve è filtrare i disturbi indotti nel circuito dal motore a spazzole, il modo più semplice è iniziare con un filtro RC sull'alimentazione dell'Arduino (polo positivo), ossia una resistenza che ti permetta solo il passaggio di corrente necessaria all'elettronica (con un certo margine) e un condensatore che armonizzi la tensione. Pero' già ti serve l'oscilloscopio per il dimensionamento e per i successivi interventi
1
voti
aldofad ha scritto: ...Purtroppo gli elettronici sono noti per fare dei minestroni negli schemi tra negativo, terra e massa...

"Non farei mai parte di un club che accettasse la mia iscrizione" (G. Marx)
-

claudiocedrone
21,3k 4 7 9 - Master EY

- Messaggi: 15302
- Iscritto il: 18 gen 2012, 13:36
0
voti
Sono sempre commosso dalla vostra gentilezza, a tratti è disarmante...
Cerco quindi di riassumere i concetti appresi dalla lezione cui Claudio mi ha rimandato;
- La terra è da considerarsi un condensatore a capacità infinita nel quale possono talvolta verificarsi addensamenti di carica elettrica, ciò comporta una contenuta variazione del potenziale da un punto all'altro del campo. Per le applicazioni di uso comune il suo potenziale è tuttavia pressapoco lo stesso: 0V (dal momento che globalmente la terra ha un numeri pari di ioni e cationi, neutroni ed elettroni) e dunque una generica carica può circuitare "gratuitamente". Quindi L_A->B = integrale q*dV = 0, ergo -> V(A) - V(B) = 0
- La massa è sostanzialmente un oggetto in grado di accumulare carica e che porta con sé il pericolo aggiunto di di avere una capacità di accumulo limitata: in tal senso un apparecchio in contatto con la circuiteria interna di una macchina può essere pericoloso perché in grado di scaricare attraverso di noi la propria carica verso un punto a potenziale diverso (la terra, ad esempio)
- Il riferimento è semplicemente una differenza di tensione. Si sceglie uno 0 e da lì si cominciano a misurare tutte le altre tensioni.
Spero di avere inteso bene il senso dell'articolo
Alla luce di quanto appreso, il mio disegno andrebbe modificato rimuovendo il simbolo della terra.
Resta tuttavia la domanda iniziale: dove finisce la corrente Ie?
La soluzione da me proposta del partitore è valida?
E in risposta ad Aldo: se avessi scommesso 10 euro adesso saresti ricco. Arduino mi allertava con un popup e un messaggio sonoro che il dispositivo di protezione delle sovracorrenti era intervenuto!
Tuttavia non mi spiego:
L'unico elemento che poteva produrre noie era l'induttanza a bordo del motore, che si comporta come un generatore di corrente. Quando il motore decelera il verso della tensione si inverte, ed è allora che dovrei preoccuparmi di introdurre un dispositivo di protezione, no? Invece arduino si scollegava all'improvviso
Cerco quindi di riassumere i concetti appresi dalla lezione cui Claudio mi ha rimandato;
- La terra è da considerarsi un condensatore a capacità infinita nel quale possono talvolta verificarsi addensamenti di carica elettrica, ciò comporta una contenuta variazione del potenziale da un punto all'altro del campo. Per le applicazioni di uso comune il suo potenziale è tuttavia pressapoco lo stesso: 0V (dal momento che globalmente la terra ha un numeri pari di ioni e cationi, neutroni ed elettroni) e dunque una generica carica può circuitare "gratuitamente". Quindi L_A->B = integrale q*dV = 0, ergo -> V(A) - V(B) = 0
- La massa è sostanzialmente un oggetto in grado di accumulare carica e che porta con sé il pericolo aggiunto di di avere una capacità di accumulo limitata: in tal senso un apparecchio in contatto con la circuiteria interna di una macchina può essere pericoloso perché in grado di scaricare attraverso di noi la propria carica verso un punto a potenziale diverso (la terra, ad esempio)
- Il riferimento è semplicemente una differenza di tensione. Si sceglie uno 0 e da lì si cominciano a misurare tutte le altre tensioni.
Spero di avere inteso bene il senso dell'articolo
Alla luce di quanto appreso, il mio disegno andrebbe modificato rimuovendo il simbolo della terra.
Resta tuttavia la domanda iniziale: dove finisce la corrente Ie?
La soluzione da me proposta del partitore è valida?
E in risposta ad Aldo: se avessi scommesso 10 euro adesso saresti ricco. Arduino mi allertava con un popup e un messaggio sonoro che il dispositivo di protezione delle sovracorrenti era intervenuto!
Tuttavia non mi spiego:
L'unico elemento che poteva produrre noie era l'induttanza a bordo del motore, che si comporta come un generatore di corrente. Quando il motore decelera il verso della tensione si inverte, ed è allora che dovrei preoccuparmi di introdurre un dispositivo di protezione, no? Invece arduino si scollegava all'improvviso

1
voti
Salve
Hotz.
Per postare schemi e/o disegni con FidocadJ, si deve copiare-incollare il codice sorgente fra i tag [fcd], come meglio indicato in questa guida che ti consiglio di leggere.
Altre guide-info su FidocadJ puoi trovare nella voce Help del menu a tendina in alto.
Postando correttamente lo schema-disegno si offre la possibilità di intervenire facilmente a chi interviene nella discussione.
Per postare schemi e/o disegni con FidocadJ, si deve copiare-incollare il codice sorgente fra i tag [fcd], come meglio indicato in questa guida che ti consiglio di leggere.
Altre guide-info su FidocadJ puoi trovare nella voce Help del menu a tendina in alto.
Postando correttamente lo schema-disegno si offre la possibilità di intervenire facilmente a chi interviene nella discussione.
I circuiti sono controcorrente. Seguono sempre la massa
-Per rispondere utilizza il tasto [RISPONDI] e non il tasto [CITA], grazie.-
-Per rispondere utilizza il tasto [RISPONDI] e non il tasto [CITA], grazie.-
1
voti
Io credo che eventuali alert che hai ricevuto siano di sovratensione e non di sovracorrente, ad ogni modo, ti si stacca Arduino perché interviene la protezione interna sulla tensione, quantomeno per certo presente nel micro, indipendentemente dal tipo di scheda.
Devi lavorare sul filtro come ti dicevo, chiamalo pure protezione se ti va. Potrebbe essere il caso di inserire anche un diodo TVS nell'alimentazione di Arduino e magari anche un paio testa-a-testa tra i poli del motore ma senza un oscilloscopio puoi stare solo a ragionare sulle formule a questo punto poco utili
Devi lavorare sul filtro come ti dicevo, chiamalo pure protezione se ti va. Potrebbe essere il caso di inserire anche un diodo TVS nell'alimentazione di Arduino e magari anche un paio testa-a-testa tra i poli del motore ma senza un oscilloscopio puoi stare solo a ragionare sulle formule a questo punto poco utili
0
voti
Hotz ha scritto:Quando il motore decelera il verso della tensione si inverte, ed è allora che dovrei preoccuparmi di introdurre un dispositivo di protezione, no? Invece arduino si scollegava all'improvviso
Si capita, io lo sistemerei con un TVS sull'alimentazione di Arduino.
1
voti
Forse la corrente di base è più alta della massima corrente erogabile dall'uscita digitale del micro
Puoi postare lo schema corretto del circuito che hai realizzato? (Non devi ridisegnarlo, puoi modificare quello offerto da
mir
)
Come hai dimensionato la resistenza di base?
Puoi postare lo schema corretto del circuito che hai realizzato? (Non devi ridisegnarlo, puoi modificare quello offerto da
Come hai dimensionato la resistenza di base?
mark
35 messaggi
• Pagina 1 di 4 • 1, 2, 3, 4
Chi c’è in linea
Visitano il forum: Nessuno e 222 ospiti

Elettrotecnica e non solo (admin)
Un gatto tra gli elettroni (IsidoroKZ)
Esperienza e simulazioni (g.schgor)
Moleskine di un idraulico (RenzoDF)
Il Blog di ElectroYou (webmaster)
Idee microcontrollate (TardoFreak)
PICcoli grandi PICMicro (Paolino)
Il blog elettrico di carloc (carloc)
DirtEYblooog (dirtydeeds)
Di tutto... un po' (jordan20)
AK47 (lillo)
Esperienze elettroniche (marco438)
Telecomunicazioni musicali (clavicordo)
Automazione ed Elettronica (gustavo)
Direttive per la sicurezza (ErnestoCappelletti)
EYnfo dall'Alaska (mir)
Apriamo il quadro! (attilio)
H7-25 (asdf)
Passione Elettrica (massimob)
Elettroni a spasso (guidob)
Bloguerra (guerra)






