Salve a tutti,
il mio professore ha detto che in teoria il numero di poli deve essere minore o uguale all'ordine del circuito che a detta sua è pari al numero di elementi dinamici presenti nel circuito (condensatore, induttore).
In un esempio svolto dal professore il circuito presenta un generatore indipendente (dipendente dal tempo ma comunque non pilotato) ed un condensatore con numero di poli pari a 2. Ma allora il numero di poli supera l'ordine del circuito che, essendo presente solo un componente dinamico, è pari a 1.
Se per esempio ho un generatore indipendete, un condensatore ed un induttore allora il circuito è di ordine 2?
Non mi è chiara la relazione tra ordine e numero di poli.
Grazie.
Poli E Ordine Circuito
Moderatori:
g.schgor,
IsidoroKZ
14 messaggi
• Pagina 1 di 2 • 1, 2
0
voti
Gidl ha scritto:Ciao,
potresti postare uno schema del circuito a cui fai riferimento?
Sarebbero due circuiti in quanto ho fatto due sempi.
Fatico a disegnare i circuiti con Fidocadj perché non lo so usare ancora bene.
E' proprio necessario? Il discorso che faccio è del tutto generale..
0
voti
Si, e' necessario.
Prenditi quel po' di tempo che ti serve e posta il circuito.
Prenditi quel po' di tempo che ti serve e posta il circuito.
"La follia sta nel fare sempre la stessa cosa aspettandosi risultati diversi".
"Parla soltanto quando sei sicuro che quello che dirai è più bello del silenzio".
Rispondere è cortesia, ma lasciare l'ultima parola ai cretini è arte.
"Parla soltanto quando sei sicuro che quello che dirai è più bello del silenzio".
Rispondere è cortesia, ma lasciare l'ultima parola ai cretini è arte.
-

TardoFreak
73,9k 8 12 13 - -EY Legend-

- Messaggi: 15754
- Iscritto il: 16 dic 2009, 11:10
- Località: Torino - 3° pianeta del Sistema Solare
0
voti
davicos ha scritto:Fatico a disegnare i circuiti con Fidocadj perché non lo so usare ancora bene.
Usa questa guida che è veramente facile e ti aiuta.

Il futuro appartiene a coloro che credono nella bellezza dei propri sogni.
Formule LaTeX
Uso di LaTeX sul forum
⋮ƎlectroYou
Formule LaTeX
Uso di LaTeX sul forum
⋮ƎlectroYou
1
voti
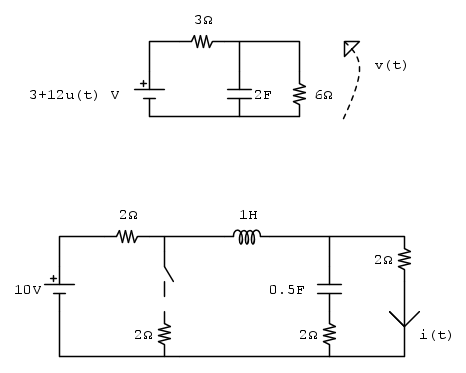
Da trovare v(t) e i(t) rispettivamente.
Nel secondo circuito l'interruttore si chiude per t=0.
Nel secondo circuito l'interruttore si chiude per t=0.
2
voti
Si c'è il polo in zero per il gradino che forzi nel sistema, ma fa parte appunto della risposta forzata perché non dipende dalle condizioni iniziali del circuito che in questo caso sono per esempio rappresentate dalla carica al tempo zero nel condensatore.
Se ipoteticamente il tuo generatore di tensione fosse non costante ma parabolico avresti tre poli in zero, ma il sistema è sempre lo stesso, stai solo cambiando il segnale su un ingresso :).
Premetto che di elettronica sono una capra ed infatti studio biologia
. Se qualcuno di più preparato volesse smentirmi sarei felice della cosa :).
Se ipoteticamente il tuo generatore di tensione fosse non costante ma parabolico avresti tre poli in zero, ma il sistema è sempre lo stesso, stai solo cambiando il segnale su un ingresso :).
Premetto che di elettronica sono una capra ed infatti studio biologia
"640K ought to be enough for anybody" Bill Gates (?) 1981
Qualcosa non ha funzionato...
Lo sapete che l'arroganza in informatica si misura in nanodijkstra?
Qualcosa non ha funzionato...
Lo sapete che l'arroganza in informatica si misura in nanodijkstra?
-

fairyvilje
15,0k 4 9 12 - G.Master EY

- Messaggi: 3047
- Iscritto il: 24 gen 2012, 19:23
14 messaggi
• Pagina 1 di 2 • 1, 2
Torna a Elettrotecnica generale
Chi c’è in linea
Visitano il forum: Google [Bot] e 21 ospiti

Elettrotecnica e non solo (admin)
Un gatto tra gli elettroni (IsidoroKZ)
Esperienza e simulazioni (g.schgor)
Moleskine di un idraulico (RenzoDF)
Il Blog di ElectroYou (webmaster)
Idee microcontrollate (TardoFreak)
PICcoli grandi PICMicro (Paolino)
Il blog elettrico di carloc (carloc)
DirtEYblooog (dirtydeeds)
Di tutto... un po' (jordan20)
AK47 (lillo)
Esperienze elettroniche (marco438)
Telecomunicazioni musicali (clavicordo)
Automazione ed Elettronica (gustavo)
Direttive per la sicurezza (ErnestoCappelletti)
EYnfo dall'Alaska (mir)
Apriamo il quadro! (attilio)
H7-25 (asdf)
Passione Elettrica (massimob)
Elettroni a spasso (guidob)
Bloguerra (guerra)



