domanda forse stupida ma l'inesperienza come al solito si fa sentire e probabilmente mi sfugge qualcosa.
Obiettivo (molto semplice) : pilotare un led con un transistor e farci scorrere 10 mA ( valore indifferente potrebbero essere 20 o 30 e il succo non cambia).
Si vuole fare il tutto nel modo più semplice possibile, ovviamente con schemi più complessi e integrati ad hoc si possono avere correnti controllate al uA e rapporto P luminosa/ P dissipata fantastico.
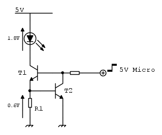
Schema N°1:
Far lavorare il BJT in zona attiva diretta, in questo modo controlla sia ON/OFF che il valore della corrente.
Vantaggi: il Micro non deve fornire corrente, Rb non dissipa praticamente nulla.
Svantaggi: Valore corrente non molto preciso che varia principalmente per l'incertezza su beta, incertezza migliorata dalla retroazione data da Re.
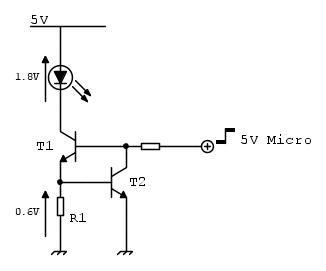
Schema N°2:
Far lavorare il BJT in saturazione ON/OFF e la R controlla il valore della corrente.
Vantaggi: il Micro deve fornire corrente, Rb dissipa potenza inutilmente.
Svantaggi: Valore corrente molto più preciso determitato da R (incertezza data solo da R).
Voi quale configurazione preferite?
(Ovviamente sono ben accette anche altre soluzioni
) (il micro è un PIC a 8 bit, ma è abbastanza ininfluente chi sia il pilota per questa domanda)

Elettrotecnica e non solo (admin)
Un gatto tra gli elettroni (IsidoroKZ)
Esperienza e simulazioni (g.schgor)
Moleskine di un idraulico (RenzoDF)
Il Blog di ElectroYou (webmaster)
Idee microcontrollate (TardoFreak)
PICcoli grandi PICMicro (Paolino)
Il blog elettrico di carloc (carloc)
DirtEYblooog (dirtydeeds)
Di tutto... un po' (jordan20)
AK47 (lillo)
Esperienze elettroniche (marco438)
Telecomunicazioni musicali (clavicordo)
Automazione ed Elettronica (gustavo)
Direttive per la sicurezza (ErnestoCappelletti)
EYnfo dall'Alaska (mir)
Apriamo il quadro! (attilio)
H7-25 (asdf)
Passione Elettrica (massimob)
Elettroni a spasso (guidob)
Bloguerra (guerra)












