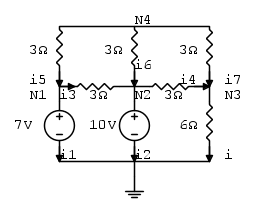
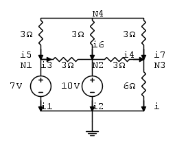
Ho assegnato tutte le altre correnti. N1, N2, ecc stanno per i nodi.
Per il N1 si ha

N2

N3

N4

Ho provato a calcolare le correnti in funzione delle tensioni e il mio dubbio sta proprio sulla correttezza di esse.






Moderatori:
g.schgor,
IsidoroKZ










, stessa cosa per le altre tre correnti che scendono.


IsidoroKZ ha scritto:In pratica le tensioni che non sai sono quelle dei nodi N3 ed N4, con sole due incognite, scrivi quelle due equazioni ai nodi, risolvi, poi DOPO calcoli ad esempio i3, poi conoscendo v4 calcoli i5 e con la loro differenza trovi la corrente i attraverso il generatore...

e l'esercizio è risolto.
Torna a Elettrotecnica generale
Visitano il forum: Nessuno e 75 ospiti