Buongiorno.
Sono venuti a farmi l'incremento dell'impianto FV e l'accumulo a casa e purtoppo non ho potuto stare dietro agli elettricisti durante le lavorazioni.
A parte il fatto che non avevano il progetto dietro e hanno fatto "a braccio" e secondo me hanno fatto anche male.
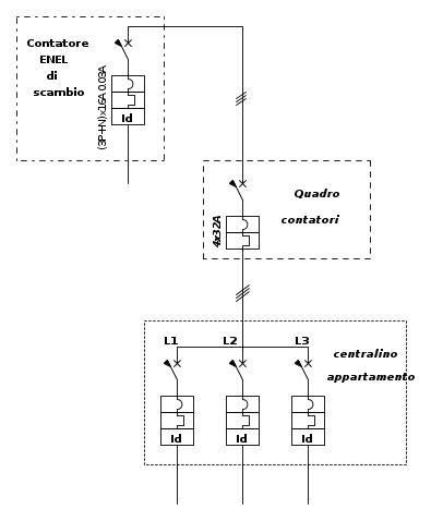
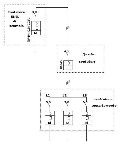
Dal contatore enel di scambio, si sono collegati ad un interruttore MT 4x32A posto nel quadro ai contatori.
L'uscita del 4x32 va al centralino in casa su cui sono presenti n°3 MTD con sotto altri MT. Ogni fase R - S - T è collegata ad uno dei rispettivi MTD. E fin qui tutto ok.
Per collegtore generale 4x32A prima citato e sono andati a collegarsi sui morsetti A MONTE dell'interruttore generale prima citato, andandosi a collegare ad un interruttore MTD (1P+N)x16A 0.03A posto in prossimità della batteria locata al piano secondo.
Prima questione: l'interruttore che protegge la linea delle batterie si trova a molto più di 3m dal contatore e questo è vietato se non erro.
Se la linea venisse collegata sotto il generale 4x32A, il cavo che collega le batterie deve essere idoneo a sopportare l'energia specifica passante lasciata passare dal generale 4x32A giusto? mentre è protetto per il sovraccarico dall'interruttore posto in prossimità del pacco batterie. Giusto?
Domanda: Se alla batteria manca la tensione di rete (mancanza enel) questa che fa, continua a produrre o si blocca come gli inverter del FV?
Anche il collegamento delle voltmetriche dell'energy meter lo hanno ripreso sui morsetti a monte del generale 4x32A e non hanno neppure messo una protezione (ad esempio fusibili) è corretto?
Come sono ripartiti a monte del suddetto generale per andare a collegarsi all' interruttore MTD del vecchio impianto FV.(presente sempre all'interno del quadro ai contatori) .
Come sono ripartiti a monte del suddetto generale per andare a collegarsi all'interruttore MTD del nuovo impianto FV posto in prossimità delle batterie, ma lontano dal contatore. E anche qui...se collegassi questo cavo sui morsetti di uscita dell'interruttore generale il cavo deve essere idoneo per l'energia specifica passante. Giusto?
In pratica se tiro giù il generale ai contatori, mi rimangono attivi i due impianti FV e le batterie. Rimanendomi tensione all'interno del quadro elettrico.
Tutta questa situazione è ammessa?
La cei 0-21 credo che permetta fino a 3 DG sotto il contatore, pero' questi devono comunque essere a meno di 3m e deve essere segnalata la tripla alimentazione. Giusto?
collegamenti fotovoltaico da luciai
Moderatori:
sebago,
MASSIMO-G,
lillo,
Mike
7 messaggi
• Pagina 1 di 1
1
voti
arabino1983 ha scritto:Dal contatore enel di scambio...
Non si può descrivere a parole uno schema elettrico, ma questo va disegnato, altrimenti è arzigolato seguire il discorso .. ho provato ad interpretare quanto hai descritto, se ci sono errori puoi modificarlo senza alcun problema (FidocadJsi presta proprio a questo scopo) ..
..
arabino1983 ha scritto:sono andati a collegarsi sui morsetti A MONTE dell'interruttore generale prima citato, andandosi a collegare ad un interruttore MTD (1P+N)x16A 0.03A posto in prossimità della batteria locata al piano secondo.
questo passaggio non mi è chiaro ..

I circuiti sono controcorrente. Seguono sempre la massa
-Per rispondere utilizza il tasto [RISPONDI] e non il tasto [CITA], grazie.-
-Per rispondere utilizza il tasto [RISPONDI] e non il tasto [CITA], grazie.-
0
voti
Grazie intanto della risposta. Purtroppo dal telefono non riesco ad usare il CAD. Ho fatto uno schema a penna e lo ho allegato.
-

arabino1983
568 3 4 8 - Sostenitore

- Messaggi: 2000
- Iscritto il: 30 ott 2009, 18:28
0
voti
Non è che magari l'arrivo del contatore è collegato sulla parte bassa dell'interruttore 4x32 e nella parte alta hanno fatto le partenze?
Si blocca.
[OT] ma se hai un contatore trifase come fai a gestire l'accumulo in monofase? e riesci a sfruttarlo?
Domanda: Se alla batteria manca la tensione di rete (mancanza enel) questa che fa, continua a produrre o si blocca come gli inverter del FV?
Si blocca.
[OT] ma se hai un contatore trifase come fai a gestire l'accumulo in monofase? e riesci a sfruttarlo?
0
voti
Il contatore trifase non discrimina su quale fase viene inserita la batteria, cioè su quale c'è minore consumo.
Quindi la batteria la puoi mettere ovunque anche ad una presa in casa per assurdo.
Tu dici che si blocca....a me non torna tanto, perché credo ci sia la possibilità anche di rimanere in isola e quindi staccati dalla rete.
Quindi la batteria la puoi mettere ovunque anche ad una presa in casa per assurdo.
Tu dici che si blocca....a me non torna tanto, perché credo ci sia la possibilità anche di rimanere in isola e quindi staccati dalla rete.
-

arabino1983
568 3 4 8 - Sostenitore

- Messaggi: 2000
- Iscritto il: 30 ott 2009, 18:28
0
voti
blueice80 ha scritto:Non è che magari l'arrivo del contatore è collegato sulla parte bassa dell'interruttore 4x32 e nella parte alta hanno fatto le partenze?
No no hanno proprio fatto così e comunque sarebbe sbagliato.
-

arabino1983
568 3 4 8 - Sostenitore

- Messaggi: 2000
- Iscritto il: 30 ott 2009, 18:28
7 messaggi
• Pagina 1 di 1
Torna a Impianti, sicurezza e quadristica
Chi c’è in linea
Visitano il forum: Nessuno e 59 ospiti

Elettrotecnica e non solo (admin)
Un gatto tra gli elettroni (IsidoroKZ)
Esperienza e simulazioni (g.schgor)
Moleskine di un idraulico (RenzoDF)
Il Blog di ElectroYou (webmaster)
Idee microcontrollate (TardoFreak)
PICcoli grandi PICMicro (Paolino)
Il blog elettrico di carloc (carloc)
DirtEYblooog (dirtydeeds)
Di tutto... un po' (jordan20)
AK47 (lillo)
Esperienze elettroniche (marco438)
Telecomunicazioni musicali (clavicordo)
Automazione ed Elettronica (gustavo)
Direttive per la sicurezza (ErnestoCappelletti)
EYnfo dall'Alaska (mir)
Apriamo il quadro! (attilio)
H7-25 (asdf)
Passione Elettrica (massimob)
Elettroni a spasso (guidob)
Bloguerra (guerra)



