speedyant ha scritto:Voi guardate la mancanza della terra..
Sfido io, la cosa più difficile da notare in un ambiente pieno di terra ..
speedyant ha scritto:ma la presa?
la presa ? .. le prese ! ..
Moderatori:
sebago,
MASSIMO-G,
lillo,
Mike
speedyant ha scritto:Voi guardate la mancanza della terra..
speedyant ha scritto:ma la presa?
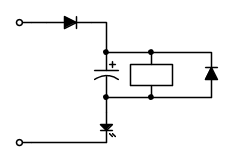
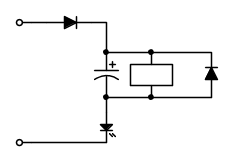
[code=php]per il codice a colori[/code][code=php]per il codice a colori[/code]Jackd ha scritto:... una semplice schedina con un relè un diodo in antiparallelo, un diodo in serie, un elettrolitico ed un led ....
Ser.TomJackd ha scritto:hanno fatto una semplice schedina con ...

Torna a Impianti, sicurezza e quadristica
Visitano il forum: Nessuno e 78 ospiti