Controllo livello serbatoio acqua
34 messaggi
• Pagina 3 di 4 • 1, 2, 3, 4
0
voti
0
voti
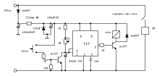
fatte le dovute modifiche,adesso spiegatemi perché questo temporizzatore non dovrebbe funzionare(per cortesia solo critiche costruttive, grazie):
0
voti
Per quanto ne so potrebbe funzionare bene.
Per ridurre l'assorbimento e il calore prodotto, sostituirei R 220 ohm, zener 12V con un regolatore 7812. Dovrebbe tenere almeno 40 V in ingresso?
Eventuamente metterei un 47 ohm ? fra in serie al diodo 1N4007 per limitare i picchi di corrente/tensione.

Per ridurre l'assorbimento e il calore prodotto, sostituirei R 220 ohm, zener 12V con un regolatore 7812. Dovrebbe tenere almeno 40 V in ingresso?
Eventuamente metterei un 47 ohm ? fra in serie al diodo 1N4007 per limitare i picchi di corrente/tensione.

0
voti
dimatech,
mandami il tuo indirizzo con un MP, se questa settimana trovo un attimo te lo spedisco
saluti
mandami il tuo indirizzo con un MP, se questa settimana trovo un attimo te lo spedisco
saluti
Ognuno sta solo sul cuor della terra
trafitto da un raggio di sole:
ed è subito sera
Salvatore Quasimodo
trafitto da un raggio di sole:
ed è subito sera
Salvatore Quasimodo
0
voti
donciccio ha scritto:fatte le dovute modifiche,adesso spiegatemi perché questo temporizzatore non dovrebbe funzionare(per cortesia solo critiche costruttive, grazie):
Per esempio perché il pin 7 del 555 manca.
Ma è solo uno dei motivi per cui questo circuito è una ciofeca.
Per quel che riguarda il 555, leggi la signature di
Boiler
0
voti
donciccio ha scritto: fatte le dovute modifiche,adesso spiegatemi perché questo temporizzatore non dovrebbe funzionare(per cortesia solo critiche costruttive, grazie):
Questo schema non è realizzabile per la scarsa competenza dell’OP, l’ho notato dalla risposta allo schema
del post 15: “ cosa c'è di particolare in questo schema ? non capisco scusa”. - Eppure è uno schema semplice. Se non capisce uno schema simile, buonanotte.
-

StefanoSunda
2.880 3 6 10 - Master

- Messaggi: 1962
- Iscritto il: 16 set 2010, 19:29
0
voti
StefanoSunda ha scritto:Questo schema non è realizzabile per la scarsa competenza dell’OP, l’ho notato dalla risposta allo schema
del post 15: “ cosa c'è di particolare in questo schema ? non capisco scusa”. - Eppure è uno schema semplice. Se non capisce uno schema simile, buonanotte.
Per la verità l'OP ha scritto nel suo primo messaggio:
dimatech ha scritto:Io avevo pensato di utilizzare un semplice relè temporizzato luci scale.
Se qualcuno mi rispondesse a una richiesta del genere con lo schema di un relé temporizzato, avrei anch'io difficoltà a capire cosa vuole dirmi...
Boiler
34 messaggi
• Pagina 3 di 4 • 1, 2, 3, 4
Chi c’è in linea
Visitano il forum: Nessuno e 20 ospiti

Elettrotecnica e non solo (admin)
Un gatto tra gli elettroni (IsidoroKZ)
Esperienza e simulazioni (g.schgor)
Moleskine di un idraulico (RenzoDF)
Il Blog di ElectroYou (webmaster)
Idee microcontrollate (TardoFreak)
PICcoli grandi PICMicro (Paolino)
Il blog elettrico di carloc (carloc)
DirtEYblooog (dirtydeeds)
Di tutto... un po' (jordan20)
AK47 (lillo)
Esperienze elettroniche (marco438)
Telecomunicazioni musicali (clavicordo)
Automazione ed Elettronica (gustavo)
Direttive per la sicurezza (ErnestoCappelletti)
EYnfo dall'Alaska (mir)
Apriamo il quadro! (attilio)
H7-25 (asdf)
Passione Elettrica (massimob)
Elettroni a spasso (guidob)
Bloguerra (guerra)










