Cos'è ElectroYou | Login Iscriviti

ElectroYou - la comunità dei professionisti del mondo elettrico

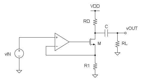
Analisi circuito con opamp e MOSFET

Elettronica lineare e digitale: didattica ed applicazioni

Moderatori: Foto Utentecarloc, Foto Utenteg.schgor, Foto UtenteBrunoValente, Foto UtenteIsidoroKZ

0
voti

[41] Re: Analisi circuito con opamp e MOSFET

Messaggioda Foto UtenteSaraa » 2 gen 2020, 10:56

MarcoD ha scritto:Qualche imprecisione:

Si scarica con la costante di tempo che abbiamo trovato prima ? \tau= C* (R_D//R_L)?
una volta scarico risulterà un cortocircuito.


Per me, si scarica con la costante di tempo tau= C* (R_D +R_L)?
non è detto che si scarichi completamente.
Alle variazioni a gradino di corrente si comporta sempre inizialmente come un cortocircuito, poi si assesta con il transitorio esponenziale.
O_/


perché non si scarica completamente?
\tau =  (R_D + R_L) * C= 0.02 s
Quindi non si scarica in 5 \tau = 0,1 s ? compresi nell'intervallo?
Avatar utente
Foto UtenteSaraa
10 3
 
Messaggi: 32
Iscritto il: 21 dic 2019, 18:32

0
voti

[42] Re: Analisi circuito con opamp e MOSFET

Messaggioda Foto Utenterugweri » 2 gen 2020, 11:06

Se il valore della costante di tempo è quello, il condensatore si scarica (quasi) completamente... e ha senso, visto che quel circuito RC è sostanzialmente un passa-alto :ok:
Credo che Foto UtenteMarcoD ti abbia scritto quella frase per dirti "calcola!".

Saraa ha scritto:Adesso per tempi maggiori di 6 s si ricarica sempre con la stessa costante di tempo ?


Diccelo tu ;-)
(E spiegaci perché, soprattutto: è una domanda SI/NO, se hai una minima idea dell'elettrotecnica puoi polarizzare il risultato di una selezione semi-casuale quanto basta per azzeccare la risposta, quindi vogliamo vedere il ragionamento :mrgreen: )
Avatar utente
Foto Utenterugweri
5.948 2 7 11
CRU - Account cancellato su Richiesta utente
 
Messaggi: 1366
Iscritto il: 25 nov 2016, 18:46

0
voti

[43] Re: Analisi circuito con opamp e MOSFET

Messaggioda Foto UtenteSaraa » 2 gen 2020, 11:23

Penso che il condensatore si scarichi per t>6 secondi sempre con la stessa costante di tempo perché cortocircuitando V_{DD} e considerato il Mosfet interdetto mi rimane la serie di queste due resistenze.
Avatar utente
Foto UtenteSaraa
10 3
 
Messaggi: 32
Iscritto il: 21 dic 2019, 18:32

0
voti

[44] Re: Analisi circuito con opamp e MOSFET

Messaggioda Foto UtenteMarcoD » 2 gen 2020, 11:38

Temo di essere stato frainteso, o di non essere stato chiaro.
Il significato dei termine "scarico" si presta a diverse interpretazioni.
Io intendevo "con tensione zero ai morsetti" e il condensatore ha sempre una tensione compresa fra 9 e 10 V

tu intendevi

" a transitorio assestato"
In effetti, Il transitorio si assesta teoricamente all'infinito, ma praticamente entro il 1- 2 % in un tempo di
5 __ 10 costanti di tempo.

Integrazione:
Ovviamente preferisco la mia interpretazione :mrgreen: ,
Se in un transitorio RC la tensione di un condensatore passa da +5V a -10V ,
il condensatore si carica o si scarica? o la tensione si deve intendere in valore assoluto?
O_/
Avatar utente
Foto UtenteMarcoD
12,2k 5 9 13
Master EY
Master EY
 
Messaggi: 6696
Iscritto il: 9 lug 2015, 16:58
Località: Torino

2
voti

[45] Re: Analisi circuito con opamp e MOSFET

Messaggioda Foto UtenteMarkyMark » 2 gen 2020, 14:09

Hai calcolato l'andamento della v_{OUT} nel tempo?

Secondo me sarebbe meglio avere sempre lo schema sott'occhio e di volta in volta, a seconda dell'intervallo considerato, fare delle semplificazioni. Questo permette di capire meglio quale è la resistenza equivalente vista dal condensatore. Metto qui il circuito completo disegnato in FidoCadJ (leggi qui come si usa):



Per t < 1 \ \mathrm{s} il MOSFET è interdetto e il circuito si può semplificare così



Durante il secondo intevallo si può sostituire l'insieme vIN, operazionale, mosfet e R1 con un generatore di corrente (ovviamente qui bisogna verificare la validità di questa semplificazione, l'operazionale non deve saturare)



Se disegni il circuito equivalente anche per t > 6 \ \mathrm{s} si vede meglio cosa fa la tensione ai capi del condensatore.
mark
Avatar utente
Foto UtenteMarkyMark
3.422 2 5 6
Master EY
Master EY
 
Messaggi: 518
Iscritto il: 11 giu 2016, 12:01

0
voti

[46] Re: Analisi circuito con opamp e MOSFET

Messaggioda Foto UtenteSaraa » 2 gen 2020, 15:04

Per t<1s :
V_{OUT} = 0 V
per 1<t<6s  : 
V_{OUT}(t)=V_{OUT}(\infty)-[V_{OUT}(\infty)-V_{OUT}(1^+)] {e}^\frac{t-1}{\tau_C}
dove \tau= (R_D+R_L)*C.
V_{OUT}(1^+) =V_{R_(L)(1^+)} considerando che il condensatore non si carica istantaneamente quindi è un cortocircuito a 1^+ mentre nell'intervallo fino a 6 secondi si sta scaricando.
per t=6^+ il MOS si interdice istantaneamente quindi il circuito equivalente sarebbe uguale a quello fatto per t<1s
Giusto?
Avatar utente
Foto UtenteSaraa
10 3
 
Messaggi: 32
Iscritto il: 21 dic 2019, 18:32

0
voti

[47] Re: Analisi circuito con opamp e MOSFET

Messaggioda Foto UtenteMarkyMark » 2 gen 2020, 16:19

Saraa ha scritto:Per t<1s :
V_{OUT} = 0 V


OK

Saraa ha scritto:per 1<t<6s  : 
V_{OUT}(t)=V_{OUT}(\infty)-[V_{OUT}(\infty)-V_{OUT}(1^+)] {e}^\frac{t-1}{\tau_C}
dove \tau= (R_D+R_L)*C.


L'espressione e la costante di tempo sono giuste. Bisogna vedere se hai calcolato correttamente v_{OUT}(\infty) e v_{OUT}(1^+).

Saraa ha scritto:...considerando che il condensatore non si carica istantaneamente quindi è un cortocircuito a 1^+...


Il condensatore non è un cortocircuito a 1^+ ma si può sostituire con un generatore di tensione di valore v_C(1^-).

Saraa ha scritto:per t=6^+ il MOS si interdice istantaneamente quindi il circuito equivalente sarebbe uguale a quello fatto per t<1s


OK

Mi sembra manchi ancora l'andamento per t > 6 \ \mathrm{s}.

Alla fine dovresti riuscire a scrivere una cosa del tipo:
v_{OUT}(t) = ..., t < 1 \ \mathrm{s}
v_{OUT}(t) = ..., 1 \ \mathrm{s} < t < 6 \ \mathrm{s}
v_{OUT}(t) = ..., t > 6 \ \mathrm{s}

Potresti anche graficare l'andamento della tensione.
mark
Avatar utente
Foto UtenteMarkyMark
3.422 2 5 6
Master EY
Master EY
 
Messaggi: 518
Iscritto il: 11 giu 2016, 12:01

0
voti

[48] Re: Analisi circuito con opamp e MOSFET

Messaggioda Foto UtenteSaraa » 2 gen 2020, 16:37

per 1<t<6 s   V_{OUT}(\infty) sarebbe la tensione di uscita qualora l'intervallo 1<t<6 terminasse ? ovvero zero.
Mentre V_{OUT}(1^+)=V_{R_L}(1^+) ma come calcolo la corrente che scorre nella R_L? So che in R_1 scorre la corrente di Drain (Il Mosfet ho dimostrato essere in Pinch Off), che poi si divide nei rami di R_D e di R_L.
Avatar utente
Foto UtenteSaraa
10 3
 
Messaggi: 32
Iscritto il: 21 dic 2019, 18:32

0
voti

[49] Re: Analisi circuito con opamp e MOSFET

Messaggioda Foto UtenteSaraa » 2 gen 2020, 16:37

V_C (1^-) non è comunque 0?
Per t>6s non saprei come definirla la tensione di uscita...
So cheV_{OUT}(\infty) = 0.
Comunque dipende sempre dal comportamento del condensatore?
Avatar utente
Foto UtenteSaraa
10 3
 
Messaggi: 32
Iscritto il: 21 dic 2019, 18:32

-1
voti

[50] Re: Analisi circuito con opamp e MOSFET

Messaggioda Foto UtenteMarcoD » 2 gen 2020, 16:41

Mi sono stancato di leggere post inconcludenti.
Questo è l'andamento delle tensioni.
Potrebbe anche essere giusto, ma non fidatevi
L'andamento dei transitori è disegnato male, dovrebbero avere la stessa durata.
Chissà se un''anima buona può ridisegnarlo in fidocadj ?
Allegati
IMG_20200102_153631~2.jpg
Avatar utente
Foto UtenteMarcoD
12,2k 5 9 13
Master EY
Master EY
 
Messaggi: 6696
Iscritto il: 9 lug 2015, 16:58
Località: Torino

PrecedenteProssimo

Torna a Elettronica generale

Chi c’è in linea

Visitano il forum: Nessuno e 36 ospiti