salve a tutti,
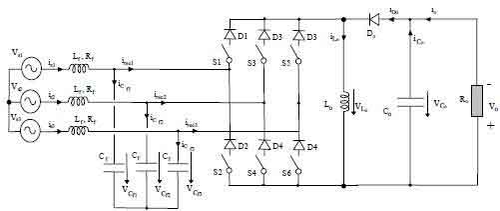
volevo chiedere come funziona un DC/DC converter step up/down con un ponte total controllato trifase. lo chiedo perché ho visto che vacon utilizza un AFE dove sulla parte trifase mette la batteria e la parte DC dell'AFE è l'uscita richiesta. Da come ricordo (male) è possibile fare uno step down non up/down.
Grazie per la risposta
DC/DC converter con ponte total controllato
Moderatori:
dimaios,
carlomariamanenti
11 messaggi
• Pagina 1 di 2 • 1, 2
0
voti
In attesa di interventi migliori, puoi dare un'occhiatina qui .. 
I circuiti sono controcorrente. Seguono sempre la massa
-Per rispondere utilizza il tasto [RISPONDI] e non il tasto [CITA], grazie.-
-Per rispondere utilizza il tasto [RISPONDI] e non il tasto [CITA], grazie.-
1
voti
A questo link puoi trovare un libro decisamente di molti anni fa ma che in ogni caso è un riferimento per questo tipo di convertitori:
www.introni.it/pdf/Pelly%20-%20Thyristo ... 201971.pdf
Che sappia io con un ponte total controllato a scr puoi fare solo dei step down. Il controllo di questo tipo di convertitori non è proprio semplice.
Stefano
www.introni.it/pdf/Pelly%20-%20Thyristo ... 201971.pdf
Che sappia io con un ponte total controllato a scr puoi fare solo dei step down. Il controllo di questo tipo di convertitori non è proprio semplice.
Stefano
-

stefanodelfiore
1.668 3 8 - Master

- Messaggi: 567
- Iscritto il: 28 mar 2009, 20:15
- Località: Bologna
0
voti
L'ultimo schema è il corrispondente di un buck-boost.
Sinceramente, non l'avevo mai visto, ma di SCR so veramente poco.
Non capisco bene, però, che relazione ci sia tra il primo e l'ultimo schema che hai postato, o meglio, cosa ci faccia la batteria nel primo...
È un backup? E chi spegne gli SCR, in quel caso?
Sinceramente, non l'avevo mai visto, ma di SCR so veramente poco.
Non capisco bene, però, che relazione ci sia tra il primo e l'ultimo schema che hai postato, o meglio, cosa ci faccia la batteria nel primo...

È un backup? E chi spegne gli SCR, in quel caso?
-

SandroCalligaro
2.970 2 4 5 - G.Master EY

- Messaggi: 1181
- Iscritto il: 6 ago 2015, 19:25
0
voti
Ciao Sandro,
non sono SCR ma IGBT, Vacon usa come DC/DC converter un AFE con l'alimentazione lato ingresso (Batteria) presa sui rami del ponte total controllato. non ho capito come fa a stabilizzare la tensione ad un valore stabilito.
non sono SCR ma IGBT, Vacon usa come DC/DC converter un AFE con l'alimentazione lato ingresso (Batteria) presa sui rami del ponte total controllato. non ho capito come fa a stabilizzare la tensione ad un valore stabilito.
0
voti
Beh, allora è molto meno misteriosa, la cosa... Mi avevano sviato lo schema in [4], dove ci sono dei diodi in serie ed un diodo di ricircolo complessivo, il libro sui convertitori ad SCR e il termine (per me inusuale) "total-controllato".
Un AFE è un inverter trifase usato al contrario, con delle induttanze di linea.
Ora, ciascuna "gamba" dell'inverter ("mezzo ponte" o "chopper") con un'induttanza in serie, è un buck o un boost, a seconda di come lo guardi (vedi sotto). Nel caso specifico, è un boost (da sx, batteria, a dx, bus DC), ma in realtà il flusso di potenza può essere invertito a piacere. Può essere controllato, ovviamente, solo quando la tensione di batteria è inferiore a quella del bus (il caso contrario non è plausibile: i diodi andrebbero in conduzione).
Solitamente, questi sistemi si controllano più come gli inverter per controllo motore, che come un tipico convertitore DC-DC piccolo, nel senso che si realizzano due anelli annidati: corrente (interno, più veloce) e tensione (di bus, in questo caso, esterno e più lento). Che poi la corrente da controllare sia DC o AC, il concetto non cambia (anche se qualcosa si complica nell'AC, ovviamente).
PS: bello spreco, usare un AFE come boost!
Un AFE è un inverter trifase usato al contrario, con delle induttanze di linea.
Ora, ciascuna "gamba" dell'inverter ("mezzo ponte" o "chopper") con un'induttanza in serie, è un buck o un boost, a seconda di come lo guardi (vedi sotto). Nel caso specifico, è un boost (da sx, batteria, a dx, bus DC), ma in realtà il flusso di potenza può essere invertito a piacere. Può essere controllato, ovviamente, solo quando la tensione di batteria è inferiore a quella del bus (il caso contrario non è plausibile: i diodi andrebbero in conduzione).
Solitamente, questi sistemi si controllano più come gli inverter per controllo motore, che come un tipico convertitore DC-DC piccolo, nel senso che si realizzano due anelli annidati: corrente (interno, più veloce) e tensione (di bus, in questo caso, esterno e più lento). Che poi la corrente da controllare sia DC o AC, il concetto non cambia (anche se qualcosa si complica nell'AC, ovviamente).
PS: bello spreco, usare un AFE come boost!
-

SandroCalligaro
2.970 2 4 5 - G.Master EY

- Messaggi: 1181
- Iscritto il: 6 ago 2015, 19:25
0
voti
ciao Sandro,
grazie per la risposta innanzi tutto.
Il problema dell'AFE controllato in uscita si pone per generatori a giri variabili a magneti permanenti, dove non posso controllare la tensione AC di uscita e devo mantenere costante quella DC,oppure partendo da una batteria aumentare o diminuire la tensione per pilotare un motore DC.
grazie per la risposta innanzi tutto.
Il problema dell'AFE controllato in uscita si pone per generatori a giri variabili a magneti permanenti, dove non posso controllare la tensione AC di uscita e devo mantenere costante quella DC,oppure partendo da una batteria aumentare o diminuire la tensione per pilotare un motore DC.
0
voti
Non ho capito cosa volevi dire...ssormanni ha scritto:Il problema dell'AFE controllato in uscita si pone per generatori a giri variabili a magneti permanenti, dove non posso controllare la tensione AC di uscita e devo mantenere costante quella DC,oppure partendo da una batteria aumentare o diminuire la tensione per pilotare un motore DC.
Dal punto di vista funzionale, un AFE non è altro che un raddrizzatore controllato e con flusso di potenza bidirezionale. La tensione DC deve essere sempre più alta del picco della concatenata AC.
Il nome, Active Front-End, dice che è un'interfaccia attiva (non a diodi) verso la rete, tutto lì.
Viene controllato in modo da avere tensione DC pari al valore di riferimento e corrente lato AC sinusoidale e, solitamente, in fase con la tensione (cosphi unitario).
Lo stesso HW, più o meno, può essere usato per farci altre cose, come dice
In questo caso, posso immaginare che l'idea di usare lo stesso HW venga dal fatto che magari la batteria è un backup rispetto alla rete.
Il fatto di usare una struttura trifase, coinvolgendo tutti e tre gli induttori e quindi tutte e tre le gambe (che in effetti è rappresentato nel primo schema, in [1]), fa sì che non si stia "sprecando" HW (al contrario di quel che avevo detto sopra).
Ci può essere, forse, a seconda delle correnti DC in gioco e quelle di dimensionamento per il caso AC, un problema di saturazione, dovuto al modo in cui gli induttori trifase sono costruiti di solito (cioè con un'induttanza mutua non trascurabile).
Di solito, avendo più "fasi" in parallelo, convenie far funzionare le tre fasi in modo interlacciato, cioè con PWM sfasate (in questo caso di 1/3 di periodo), in modo da ridurre il ripple di corrente e tensione in ingresso ed uscita.
-

SandroCalligaro
2.970 2 4 5 - G.Master EY

- Messaggi: 1181
- Iscritto il: 6 ago 2015, 19:25
11 messaggi
• Pagina 1 di 2 • 1, 2
Torna a Automazione industriale ed azionamenti
Chi c’è in linea
Visitano il forum: Nessuno e 4 ospiti

Elettrotecnica e non solo (admin)
Un gatto tra gli elettroni (IsidoroKZ)
Esperienza e simulazioni (g.schgor)
Moleskine di un idraulico (RenzoDF)
Il Blog di ElectroYou (webmaster)
Idee microcontrollate (TardoFreak)
PICcoli grandi PICMicro (Paolino)
Il blog elettrico di carloc (carloc)
DirtEYblooog (dirtydeeds)
Di tutto... un po' (jordan20)
AK47 (lillo)
Esperienze elettroniche (marco438)
Telecomunicazioni musicali (clavicordo)
Automazione ed Elettronica (gustavo)
Direttive per la sicurezza (ErnestoCappelletti)
EYnfo dall'Alaska (mir)
Apriamo il quadro! (attilio)
H7-25 (asdf)
Passione Elettrica (massimob)
Elettroni a spasso (guidob)
Bloguerra (guerra)




