Salve a tutti,
Vi scrivo poiché ho incontrato questo esercizio che non so proprio come risolvere!
Qualcuno potrebbe darmi una mano?
Esercizio Sistema Trifase
Moderatori:
g.schgor,
IsidoroKZ
10 messaggi
• Pagina 1 di 1
0
voti
Hai risolto i problemi con FidoCadJ? Che cosa non va?
Per usare proficuamente un simulatore, bisogna sapere molta più elettronica di lui
Plug it in - it works better!
Il 555 sta all'elettronica come Arduino all'informatica! (entrambi loro malgrado)
Se volete risposte rispondete a tutte le mie domande
Plug it in - it works better!
Il 555 sta all'elettronica come Arduino all'informatica! (entrambi loro malgrado)
Se volete risposte rispondete a tutte le mie domande
0
voti
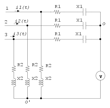
Dovrebbe essere E=tensione efficace di fase= V(tensione di linea)/ (radice di 3)
Sto studiando già da 1 mese e mezzo questa materia e sono arrivato all'ultimo step, cioè i sistemi trifase
Sto studiando già da 1 mese e mezzo questa materia e sono arrivato all'ultimo step, cioè i sistemi trifase
0
voti
Nell'esercizio il carico ti pare simmetrico o asimmetrico?
Se fosse simmetrico quanto vale la tensione Voo' ?
In un carico monofase di 200 + i200, alimentato a 220 Vac, quanto vale la corrente in modulo e fase?
di conseguenza quanto vale la potenza attiva e quella reattiva ?
E in un carico di 200 - i200 ?

Se fosse simmetrico quanto vale la tensione Voo' ?
In un carico monofase di 200 + i200, alimentato a 220 Vac, quanto vale la corrente in modulo e fase?
di conseguenza quanto vale la potenza attiva e quella reattiva ?
E in un carico di 200 - i200 ?

0
voti
Assolutamente simmetrico(intendi equilibrato, giusto?), ma non mi è mai capitato un esercizio del genere dove vuole sapere la tensione tra due carichi...istintivamente direi che la tensione Vo'o è pari a zero, dato che per un carico simmetrico(equilibrato) la Vo'o è nulla.
Per il carico monofase, la corrente dovrebbe essere pari al rapporto tra tensione ed impendenza.
La potenza attiva P è pari a RI^2, mentre la reattiva Q è pari a jXI^2.
Per il carico con la reattanza X negativa, cambiano modulo e fase della corrente e quindi anche tutto il resto.
Per il carico monofase, la corrente dovrebbe essere pari al rapporto tra tensione ed impendenza.
La potenza attiva P è pari a RI^2, mentre la reattiva Q è pari a jXI^2.
Per il carico con la reattanza X negativa, cambiano modulo e fase della corrente e quindi anche tutto il resto.
1
voti
La mia maggiore difficoltà stava nel determinare la tensione letta dal voltmetro, ma da quanto ho capito è nulla...
Per il resto penso di sapermi districare, quindi grazie a chi mi ha dato una mano a capire!
Per il resto penso di sapermi districare, quindi grazie a chi mi ha dato una mano a capire!
1
voti
Dominick ha scritto:No, non so usarlo :/
E' di una semplicità unica, software molto intuitivo quanto utile ..
Qui hai e quitutte le info, per il resto c'è il forum di ElectroYou
I circuiti sono controcorrente. Seguono sempre la massa
-Per rispondere utilizza il tasto [RISPONDI] e non il tasto [CITA], grazie.-
-Per rispondere utilizza il tasto [RISPONDI] e non il tasto [CITA], grazie.-
10 messaggi
• Pagina 1 di 1
Torna a Elettrotecnica generale
Chi c’è in linea
Visitano il forum: Nessuno e 23 ospiti

Elettrotecnica e non solo (admin)
Un gatto tra gli elettroni (IsidoroKZ)
Esperienza e simulazioni (g.schgor)
Moleskine di un idraulico (RenzoDF)
Il Blog di ElectroYou (webmaster)
Idee microcontrollate (TardoFreak)
PICcoli grandi PICMicro (Paolino)
Il blog elettrico di carloc (carloc)
DirtEYblooog (dirtydeeds)
Di tutto... un po' (jordan20)
AK47 (lillo)
Esperienze elettroniche (marco438)
Telecomunicazioni musicali (clavicordo)
Automazione ed Elettronica (gustavo)
Direttive per la sicurezza (ErnestoCappelletti)
EYnfo dall'Alaska (mir)
Apriamo il quadro! (attilio)
H7-25 (asdf)
Passione Elettrica (massimob)
Elettroni a spasso (guidob)
Bloguerra (guerra)






