Cos'è ElectroYou | Login Iscriviti

ElectroYou - la comunità dei professionisti del mondo elettrico

Carico Elettronico - Un parere su questo progetto Diy?

Elettronica lineare e digitale: didattica ed applicazioni

Moderatori: Foto Utentecarloc, Foto Utenteg.schgor, Foto UtenteBrunoValente, Foto UtenteIsidoroKZ

0
voti

[1] Carico Elettronico - Un parere su questo progetto Diy?

Messaggioda Foto UtenteTurk182 » 13 ago 2021, 9:46

Salve a tutti, (...tutti quelli che non sono in vacanza :roll: )
Vorrei procurarmi un carico elettronico per effettuare test e misure su alimentatori.

A parte i Kit Cinesi da pochi euro (che mi danno pochissima affidabilità), ho visto che strumenti più professionali hanno costi decisamente alti. Diciamo dai 300 - 400 euro, a oltre mille e più.
Come alternativa a strumenti finiti, ho cercato qualche progetto di autocostruzione e uno dei più interessanti che ho trovato impiega un transistor BJT, ed è auto alimentato.
(cito dalla pagina introduttiva):
"...il carico attivo si alimenta "da se", derivando la corrente necessaria dall' alimentatore sotto test, senza richiederne una propria. Questo garantisce anche che non si verifichino loop di terra (ground loop) durante i test."

Questo il link:
http://www.microcontroller.it/Progetti/elettronica/e_load/eload.htm

Il progetto è spalmato su 5 pagine e il circuito principale (foto sotto) è descritto a pagina 2:
http://www.microcontroller.it/Progetti/elettronica/e_load/eload_1.htm

Electronic_Load_el0100sch.png
Electronic_Load_el0100sch.png (3.31 KiB) Osservato 13971 volte

Nel circuito Ho trovato qualche piccolo errore / incongruenza, che riporto sotto:
- Condensatori C1 e C3 invertiti, tra schema e dettaglio dei componenti (polarizzato C3, non polarizzato C1).
- Diodo D1 indicato come Schottky 40A/60V, ma a pagina 4 citano componenti da 60A (S60D60, SBL6060).
- Errore di definizione Pin per IC1:
Nello schema, C1 e C3 disaccoppiano il Pin 5 di IC1B (che non viene utilizzato), mentre è il Pin 7 (V+)
ad essere fisicamente connesso a C1 e C3.

A parte questo, alcuni passaggi chiave non sono così chiari, il PCB è solo una immagine a bassa risoluzione (quindi andrebbe ridisegnato) e le piccole immagini della realizzazione pratica fanno riferimento a progetti leggermente diversi.
Ho provato ad inviare una mail di richiesta, una decina di giorni fa, ma per ora nessuna risposta.

Diciamo che prima di partire con la realizzazione, mi piacerebbe un parere sulla bontà del progetto.
Che ne pensate?
Avatar utente
Foto UtenteTurk182
40 1 4
New entry
New entry
 
Messaggi: 63
Iscritto il: 7 mag 2012, 12:58

2
voti

[2] Re: Carico Elettronico - Un parere su questo progetto Diy?

Messaggioda Foto Utentelucaking » 13 ago 2021, 13:41

Onestamente io non so aiutarti, ma so che Foto Utentebrabus e Foto UtenteEnChamade sono abbastanza navigati in materia. :mrgreen:
Sul blog di Foto Utentebrabus c' è questo articolo a riguardo, anche se si tratta di un architettura completamente diversa.
Se non mi ricordo male, sempre lui aveva discusso, ad un livello abbastanza approfondito, insieme a qualche altro utente del forum sull' argomento.
Avatar utente
Foto Utentelucaking
1.651 4 5 8
Expert
Expert
 
Messaggi: 1445
Iscritto il: 29 mag 2015, 14:28

0
voti

[3] Re: Carico Elettronico - Un parere su questo progetto Diy?

Messaggioda Foto Utentelucaking » 13 ago 2021, 13:46

Ok, trovata la discussione.
Io qui avevo scoperto un mondo, se ha tempo leggitela tutta, ci sono anche un sacco di link interessanti, anche se vedo che quello alla tesi di Foto Utentebrabus non funziona piu. :(
Avatar utente
Foto Utentelucaking
1.651 4 5 8
Expert
Expert
 
Messaggi: 1445
Iscritto il: 29 mag 2015, 14:28

1
voti

[4] Re: Carico Elettronico - Un parere su questo progetto Diy?

Messaggioda Foto UtenteMax2433BO » 13 ago 2021, 15:06

lucaking ha scritto:(...) anche se vedo che quello alla tesi di Foto Utentebrabus non funziona piu. :(


La puoi recuperare qui come allegato al post [33].

O_/ Max
Disapprovo quello che dite, ma difenderò fino alla morte il vostro diritto di dirlo [attribuita a Voltaire]

La gentilezza dovrebbe diventare lo stile naturale della vita, non l'eccezione [Siddhārtha Gautama]
Avatar utente
Foto UtenteMax2433BO
18,6k 4 11 13
G.Master EY
G.Master EY
 
Messaggi: 4724
Iscritto il: 25 set 2013, 16:29
Località: Universo - Via Lattea - Sistema Solare - Terzo pianeta...

0
voti

[5] Re: Carico Elettronico - Un parere su questo progetto Diy?

Messaggioda Foto UtenteTurk182 » 13 ago 2021, 16:44

Grazie per le informazioni Foto Utentelucaking, e grazie a Foto UtenteMax2433BO per il link attivo.

Ho scaricato il PDF, ma mi pare sia relativo al progetto di un carico attivo AC, mentre io sono interessato ad un Carico Elettronico DC, quindi a tensione continua e corrente costante.
Ho segnalato proprio quel progetto perché a differenza di molti altri è relativamente semplice, può arrivare a 200W di potenza (max 40V) e non richiede alimentazione propria, quindi meno componenti e parti che possono creare disturbi al sistema.
Avevo trovato anche questo, citato nel post segnalato da Foto UtenteMax2433BO
http://www.chirio.com/electronic_load.htm
ma è più complesso ed è disponibile solo il circuito, quindi bisogna comunque ridisegnare il PCB o contattare l'autore per un kit, che comunque non risulta disponibile tra quelli che vende.

Quindi, credo aspetterò un parere sul circuito segnalato, anche a costo di attendere un po.

A sensazione, sembra progettato con criterio e il costo per i componenti è compreso tra 100 e 150 euro, in funzione di ciò che si acquista (come il tipo di Voltmetro / Amperometro o il dissipatore), quindi un importo ragionevole, per uno strumento che mediamente ha un prezzo almeno tre volte superiore.

Nel caso fosse un buon progetto, di quelli che vale la pena riprodurre, sarei felice di farne un prototipo
(anche ridisegnando il circuito stampato) documentandone le fasi, a beneficio di quelli che potrebbero essere interessati allo stesso strumento.
Avatar utente
Foto UtenteTurk182
40 1 4
New entry
New entry
 
Messaggi: 63
Iscritto il: 7 mag 2012, 12:58

0
voti

[6] Re: Carico Elettronico - Un parere su questo progetto Diy?

Messaggioda Foto UtenteMarcoD » 13 ago 2021, 17:02

Sono curioso, andrò a a leggere la tesi di @brabus.

Riguardo allo articolo dello schema in 1, mi pare ben descritto, lo schema mi pare funzionante.

Mi pare che le prestazioni non siano ben esplicitate:
si imposta il valore della corrente media assorbita del carico, di valore compreso fra quasi zero e quasi 20 A,
per una tensione applicata variabile fra qualche volt e quasi 40 V.

Un altro limite è la potenza dissipata, il valore massimo teorico V x I arriva fino 20 x 40 = 800 W irrealistico.
Interessa la potenza massima continuativa o una potenza massima istantanea?

Quale potenza massima intendi che dissipi? Dal valore dimensioni transistor e il dissipatore di calore.

Quali sono le tue effettive esigenze, solo il carico in condizioni stazionarie di un alimentatore in collaudo?

Non l'ho letto tutto l'articolo, ma non ho capito come viene realizzato il generatore di tensione di 200 mV.

O_/
Avatar utente
Foto UtenteMarcoD
12,2k 5 9 13
Master EY
Master EY
 
Messaggi: 6696
Iscritto il: 9 lug 2015, 16:58
Località: Torino

0
voti

[7] Re: Carico Elettronico - Un parere su questo progetto Diy?

Messaggioda Foto UtenteTurk182 » 13 ago 2021, 17:35

Ciao Foto UtenteMarcoD, ti ringrazio molto per la valutazione di massima.

Circa il generatore di tensione a 200mV è l'operazionale LM10 che se ne incarica.
A pagina 1 del progetto, scrivono:
"Il cuore del circuito è costituito da un operazionale LM10, che è dotato internamente di generatore di tensione da 200 mV. Questa tensione, attraverso un potenziometro a 10 giri, è comparata con la tensione presente ai capi i una resistenza di basso valore (0.01 ohm) in cui scorre la corrente. Si avrà così che a 200 mV corrisponderà una corrente di 20 A."

Per quanto riguarda le mie esigenze, vorrei eseguire misure su stadi di alimentazione regolati e non,
con tensioni dai 5V ai 32V, e correnti fino a 5A, ma mediamente di non più di 2 - 3A.
E si, direi che necessito di un carico costante per un alimentatore in collaudo.
Non sono un esperto, anzi il contrario. :roll:
Ma in base a quanto ho letto, per effettuare misure qualitative su stadi di alimentazione, serve appunto un carico elettronico a corrente costante.
Avatar utente
Foto UtenteTurk182
40 1 4
New entry
New entry
 
Messaggi: 63
Iscritto il: 7 mag 2012, 12:58

0
voti

[8] Re: Carico Elettronico - Un parere su questo progetto Diy?

Messaggioda Foto UtenteMarcoD » 13 ago 2021, 18:16

Sono senior, in lunga vacanza al mare, ma mi annoio, come passatempo ho scarabocchiato questo schema rudimentale. Non riesco a caricare Fidocadj con il mio PC obsoleto.

Le prestazioni sono incerte.
Lo suggerisco perché dovrebbe essere economico e semplice da realizzare e provare.
I resistori da 0,2 ohm, dovrebbero essere da 5 watt, dipende dalla corrente che scorre; servono a compensare eventuali differenze fra le caratteristiche di T1 e T2.
O_/Post scriptum:
al posto di TIP55 leggere TIP3055, sono i 2N3055 in contenitore TO247 (per fissarli al dissipatore basta un solo foro)
Il resistore variabile da 5kohm, deve essere un potenziometro da 0,5 watt nominali,
I = Radicequadrata( P/R) = Radicequadrata(0,5/5000) = 10 mA: sopporta una corrente massima di 10 mA.
Allegati
carico_eln_rudimentale.jpg
Avatar utente
Foto UtenteMarcoD
12,2k 5 9 13
Master EY
Master EY
 
Messaggi: 6696
Iscritto il: 9 lug 2015, 16:58
Località: Torino

0
voti

[9] Re: Carico Elettronico - Un parere su questo progetto Diy?

Messaggioda Foto UtenteTurk182 » 14 ago 2021, 11:26

Buongiorno Foto UtenteMarcoD, ti ringrazio per quest'ultimo circuito, che è senz'altro come dici, "semplice da realizzare e provare".
Lo terrò presente e alla prima occasione lo proverò, ma per ora vorrei andare nella direzione di un carico elettronico che possa riprodurre, quindi un progetto completo e collaudato, come quello in oggetto.
Dovendo comunque investirci del tempo (e soldi), preferisco farlo per un progetto che ha già le caratteristiche che cercavo.
Quindi, direi che in mancanza di opinioni contrarie (per ora), sarei per realizzare il progetto segnalato.

Al momento sto compilando la lista delle parti e sto cercando di confrontare il circuito elettrico con le connessioni/componenti del PCB, mostrato in questa pagina:
http://www.microcontroller.it/Progetti/ ... load_2.htm
Ho dovuto lavorare l'immagine in photoshop, ma anche dopo averla ingrandita e specchiata, ho ancora qualche dubbio sui riferimenti di alcuni componenti (nell'immagine che allego, i componenti ancora "oscuri" sono marcati x1?, x2?, x3?.).

Spero che qualcuno voglia seguire il progetto, per supervisionare i vari passaggi e segnalarmi eventuali errori.
A seguire pubblicherò nuovamente lo schema elettrico, in modo che sia più comprensibile di come le parti sono connesse tra loro, anche per pianificare meglio i componenti di potenza che vanno dissipati.

Intanto allego, nell'ordine:

- Immagine del circuito con elenco dei componenti
Link alla pagina: http://www.microcontroller.it/Progetti/ ... load_1.htm
Carico_Elettronico_schematic.PNG

- Note e pinout dell'Operazionale LM10
Link al datasheet: https://www.ti.com/lit/ds/symlink/lm10.pdf
LM10CN_data.png

- Immagine ingrandita e specchiata del PCB
Link alla pagina: http://www.microcontroller.it/Progetti/ ... load_2.htm
Carico_Elettronico_el100cs_PCB_mirror.jpg

Giusto una domanda (Scusale l'OT):
perché allegando immagini "grandi", alcune vengono (giustamente) visualizzate ridimensionate, ma intere, mentre altre (come quella allegata nel post precedente), viene visualizzata solo parzialmente?
C'è la possibilità di scegliere il modo in cui le immagini vengono visualizzate?
(ad esempio, nell'anteprima di questi allegati, sembra verranno tutti ridimensionati nella pagina e non capisco perché non è capitato anche alla prima immagine allegata)
Fine OT.
Avatar utente
Foto UtenteTurk182
40 1 4
New entry
New entry
 
Messaggi: 63
Iscritto il: 7 mag 2012, 12:58

0
voti

[10] Re: Carico Elettronico - Un parere su questo progetto Diy?

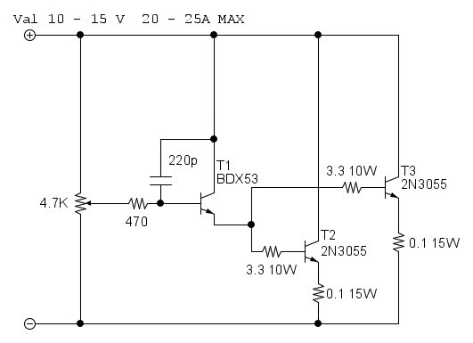
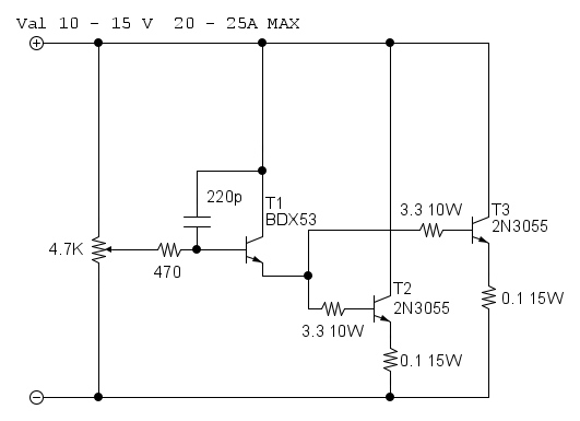
Messaggioda Foto Utentestefanopc » 14 ago 2021, 11:49

Se ti interessa uno schema semplice io da anni utilizzo questo.


Ne avevamo parlato in questa discussione
viewtopic.php?f=51&t=83498&hilit=Alimentatore&start=250
Al messaggio 251 e successivi.
Ciao
600 Elettra
Avatar utente
Foto Utentestefanopc
13,3k 5 9 13
Master EY
Master EY
 
Messaggi: 5566
Iscritto il: 4 ago 2020, 9:11

Prossimo

Torna a Elettronica generale

Chi c’è in linea

Visitano il forum: Nessuno e 114 ospiti