Buongiorno,
ho una pompa sommersa monofase con condensatore.
Vorrei sapere se il condensatore è deteriorato oltre ad influire sull'avviamento della pompa può anche influire sulla potenza di esercizio a regime della pompa stessa?
Grazie
Massimo
Condensatore - Motore in alternata
Moderatori:
SandroCalligaro,
mario_maggi,
fpalone
10 messaggi
• Pagina 1 di 1
1
voti
Dipende se il condensatore è solo di avviamento e quindi a regime viene disinserito o funge anche da rifasatore e quindi è permanentemente inserito. Quasi sicuramente sei nella seconda casistica e quindi un condensatore deteriorato comporta che il tuo motore oltre ad avere problemi di avviamento, funziona a regime con cosfi basso, assorbe elevate correnti per funzionare a parità di potenza, si riscalda molto, e a lungo andare può anche bruciarsi.
-

SanVincenzo85
81 4 - New entry

- Messaggi: 67
- Iscritto il: 5 mar 2016, 21:58
0
voti
[url][/url]I motori asincroni monofase commerciali hanno quasi sempre il condensatore permanente. Quasi sempre però.
-

SanVincenzo85
81 4 - New entry

- Messaggi: 67
- Iscritto il: 5 mar 2016, 21:58
0
voti
maxiteris ha scritto:Mi occorrono queste informazioni sui motori elettrici. Mi puoi aiutare?
Ma a chi ti riferisci??
I motori li ho studiati bene all'uni ma ora mi occupo di altre cose...
-

SanVincenzo85
81 4 - New entry

- Messaggi: 67
- Iscritto il: 5 mar 2016, 21:58
1
voti
Aggiungo qualche riga agli interventi precedenti, che avevano già risposto al tuo quesito.
Il motore asincrono monofase a condensatore è composto da due avvolgimenti, uno primario (o di marcia) ed uno ausiliario, lo scopo di quest'ultimo è principalmente rendere il motore auto-avviabile, altrimenti con un campo magnetico alternato, a rotore fermo si ha coppia motrice nulla.
In questo tipo di motori la corrente dell'avvolgimento ausiliario viene sfasata rispetto all'altro avvolgimento ponendo un condensatore di opportuna capacità in serie, proprio per ottenere un campo magnetico rotante.
Per avviare il motore a vuoto basterebbe anche uno sfasamento minimo, ma per disporre della coppia massima l'ideale sarebbe ottenere un campo magnetico rotante circolare (come quello generato dagli avvolgimento statorici del motore asincrono trifase) sfasando le due correnti di 90°, in pratica poi non si otterrà mai un campo perfettamente circolare, ma "più o meno ellittico".
I motori asincroni a condensatore più diffusi sono:
Da quanto visto sopra consegue che una variazione dei parametri del condensatore causa una modifica sia di modulo che di fase della corrente dell'avvolgimento ausiliario (il condensatore è in serie).
Variazioni oltre un certo range potrebbero compromettere l'avviamento e, nel caso di motori con condensatore inserito permanentemente, vanno ad influire anche sulla coppia motrice a regime.
Il motore asincrono monofase a condensatore è composto da due avvolgimenti, uno primario (o di marcia) ed uno ausiliario, lo scopo di quest'ultimo è principalmente rendere il motore auto-avviabile, altrimenti con un campo magnetico alternato, a rotore fermo si ha coppia motrice nulla.
In questo tipo di motori la corrente dell'avvolgimento ausiliario viene sfasata rispetto all'altro avvolgimento ponendo un condensatore di opportuna capacità in serie, proprio per ottenere un campo magnetico rotante.
Per avviare il motore a vuoto basterebbe anche uno sfasamento minimo, ma per disporre della coppia massima l'ideale sarebbe ottenere un campo magnetico rotante circolare (come quello generato dagli avvolgimento statorici del motore asincrono trifase) sfasando le due correnti di 90°, in pratica poi non si otterrà mai un campo perfettamente circolare, ma "più o meno ellittico".
I motori asincroni a condensatore più diffusi sono:
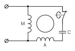
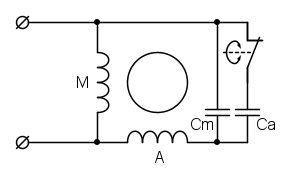
- motore con avvolgimento ausiliario disinserito a fine avviamento
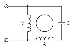
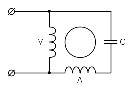
in questo motore l'avvolgimento ausiliario viene utilizzato solo durante l'avviamento e poi disinserito tramite un interruttore centrifugo in genere al raggiungimento del 75% della velocità nominale o con un temporizzatore - motore con condensatore permanentemente inserito
questo tipo di motore è il più diffuso ed è progettato per utilizzare l'avvolgimento ausiliario anche durante la marcia - motore con doppio condensatore
questo tipo di motore ha due condensatori, uno utilizzato solo durante l'avviamento per incrementare la coppia in questa fase, mentre l'altro rimane inserito permanentemente
Da quanto visto sopra consegue che una variazione dei parametri del condensatore causa una modifica sia di modulo che di fase della corrente dell'avvolgimento ausiliario (il condensatore è in serie).
Variazioni oltre un certo range potrebbero compromettere l'avviamento e, nel caso di motori con condensatore inserito permanentemente, vanno ad influire anche sulla coppia motrice a regime.
10 messaggi
• Pagina 1 di 1
Chi c’è in linea
Visitano il forum: Nessuno e 22 ospiti

Elettrotecnica e non solo (admin)
Un gatto tra gli elettroni (IsidoroKZ)
Esperienza e simulazioni (g.schgor)
Moleskine di un idraulico (RenzoDF)
Il Blog di ElectroYou (webmaster)
Idee microcontrollate (TardoFreak)
PICcoli grandi PICMicro (Paolino)
Il blog elettrico di carloc (carloc)
DirtEYblooog (dirtydeeds)
Di tutto... un po' (jordan20)
AK47 (lillo)
Esperienze elettroniche (marco438)
Telecomunicazioni musicali (clavicordo)
Automazione ed Elettronica (gustavo)
Direttive per la sicurezza (ErnestoCappelletti)
EYnfo dall'Alaska (mir)
Apriamo il quadro! (attilio)
H7-25 (asdf)
Passione Elettrica (massimob)
Elettroni a spasso (guidob)
Bloguerra (guerra)









