Ho provato più volte a capire meglio la classificazione, le regole per disegnarli, la differenza fra i vari schemi elettrici possibili (di principio, di montaggio, funzionale...) ma in realtà non ho trovato delle vere e proprie indicazioni pratiche e operative (su un paio di libri che ho consultato, tpsee e elettrotecnica per istituto tecnico)
Mi ero comunque fatto un idea di massima che mi aiutava a capire, una volta che vedevo uno schema disegnato, di che tipo di schema si trattava.
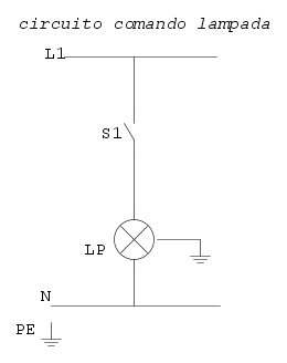
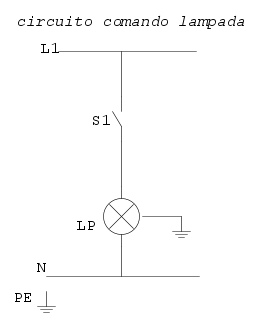
Sono arrivato a un certo punto del solito libro di testo dell'istituto tecnico di mio nipote è ho trovato questo:
Ora, secondo la mia idea quel tipo di schema a sinistra nella figura l'avrei battezzato schema funzionale ma il libro lo chiama schema di principio. Si tratta di un errore oppure è veramente uno schema di principio?
Esiste, che voi sappiate,un riferimento preciso che espone quali sono le regole precise per disegnare ciascuno schema possibile?
Schema elettrico
Moderatori:
sebago,
MASSIMO-G,
lillo,
Mike
6 messaggi
• Pagina 1 di 1
0
voti
Dovrei cercare qualche riferimento, a scuola trent'anni fa li chiamavamo schema funzionale (a sinistra) e schema unifilare (a destra), ma penso che possa andare bene anche schema di principio e topografico, l'importante è intendersi.
0
voti
nicsergio ha scritto:...
Se stiamo alle stesse definzioni del libro e a un suo stesso esempio, le cose dovrebbero essere più precise di come le ricordi tu. Come potrai notare, per esempio, lo schema unifilare e lo schema topografico sono due cose diverse, anche con simbologia e scrittura diversa, oltre al fatto che in quello topografico viene rappresentato anche il posto nel quale le "cose" si trovano.
Però è chiaro che se sono qui a chiedere è perché vorrei capire meglio, anche al di là di quello che dice il libro, come stanno le cose.
Quindi: per te, riferiti a uno schema elettrico, "di principio" e "funzionale" sono sinonimi?
"Topografico" e "Unifilare" sono sinonimi?
2
voti
Non devi perdere di vista l'approccio che da l'autore del libro.
Quello a sinistra è uno schema funzionale, viene chiamato di "principio" perché serve al lettore per farne capire l'impostazione. Si tratta quindi di un esempio -non completo- nella sua forma.
Schema unifilare e topografico non sono sinonimi.
Lo schema unifilare non ha precisi orientamenti nello "spazio"
Lo schema topografico a sua volta non ha precisi riferimenti alle caratteristiche dei componenti (es: caratteristiche interruttori)
Quello a sinistra è uno schema funzionale, viene chiamato di "principio" perché serve al lettore per farne capire l'impostazione. Si tratta quindi di un esempio -non completo- nella sua forma.
Schema unifilare e topografico non sono sinonimi.
Lo schema unifilare non ha precisi orientamenti nello "spazio"
Lo schema topografico a sua volta non ha precisi riferimenti alle caratteristiche dei componenti (es: caratteristiche interruttori)
Ognuno sta solo sul cuor della terra
trafitto da un raggio di sole:
ed è subito sera
Salvatore Quasimodo
trafitto da un raggio di sole:
ed è subito sera
Salvatore Quasimodo
1
voti
Quando avrò un po' di tempo controllerò le mie vecchie dispense, per quanto riguarda lo schema a sinistra del primo post, la definizione corretta è schema funzionale, quello che intendevo è che se uno mi parlasse di schema di principio, lo assocerei allo schema funzionale.
Negli schemi elettrici unifilari i vari conduttori vengono rappresentati da un'unica linea, con indicazioni grafiche per determinare il numero di conduttori, la presenza di quello di protezione, eventualmente il tipo di cavo e il tipo di posa, ecc. Ne consegue che lo schema topografico indicato a destra del primo post è un sotto-tipo di uno schema unifilare. Ci sono schemi topografici o planimetrici che non sono unifilari, in quanto rappresentano la disposizione delle canaline e dei dispositivi in un quadro o l'ubicazione di finecorsa, pulsantiere e motori in un macchinario, come ci sono schemi unifilari che non sono planimetrici, spesso usati per indicare i collegamenti fra i vari apparecchi di protezione (differenziali, magnetotermici, scaricatori, e fusibili).
Ci sono poi gli schemi multifilari, anch'essi possono essere di tipo planimetrico.
Per quanto riguarda le definizioni, quelle che ho trovato al primo link con una ricerca su Google, differiscono da quel libro.
Negli schemi elettrici unifilari i vari conduttori vengono rappresentati da un'unica linea, con indicazioni grafiche per determinare il numero di conduttori, la presenza di quello di protezione, eventualmente il tipo di cavo e il tipo di posa, ecc. Ne consegue che lo schema topografico indicato a destra del primo post è un sotto-tipo di uno schema unifilare. Ci sono schemi topografici o planimetrici che non sono unifilari, in quanto rappresentano la disposizione delle canaline e dei dispositivi in un quadro o l'ubicazione di finecorsa, pulsantiere e motori in un macchinario, come ci sono schemi unifilari che non sono planimetrici, spesso usati per indicare i collegamenti fra i vari apparecchi di protezione (differenziali, magnetotermici, scaricatori, e fusibili).
Ci sono poi gli schemi multifilari, anch'essi possono essere di tipo planimetrico.
Per quanto riguarda le definizioni, quelle che ho trovato al primo link con una ricerca su Google, differiscono da quel libro.
0
voti
Andando a memoria; direi che lo schema funzionale, rappresenta appunto il funzionamento dei dispositivi che realizzano lo schema ..
poi c'è lo schema di installazione, o multifilare dove ogni linea rappresenta un conduttore per i rispettivi dispositivi ed anche la loro posizione ..
mentre lo schema topografico, mostra la collocazione dei dispositivi elettrici, con una rappresentazione unifilare che li collega, ed ogni linea riporta con una precisa convenzione il numero di conduttori interessati al tratto e la rispettiva sezione, fornisce l'idea dello sviluppo esegutivo del'impianto ..
poi c'è lo schema di installazione, o multifilare dove ogni linea rappresenta un conduttore per i rispettivi dispositivi ed anche la loro posizione ..
mentre lo schema topografico, mostra la collocazione dei dispositivi elettrici, con una rappresentazione unifilare che li collega, ed ogni linea riporta con una precisa convenzione il numero di conduttori interessati al tratto e la rispettiva sezione, fornisce l'idea dello sviluppo esegutivo del'impianto ..
I circuiti sono controcorrente. Seguono sempre la massa
-Per rispondere utilizza il tasto [RISPONDI] e non il tasto [CITA], grazie.-
-Per rispondere utilizza il tasto [RISPONDI] e non il tasto [CITA], grazie.-
6 messaggi
• Pagina 1 di 1
Torna a Impianti, sicurezza e quadristica
Chi c’è in linea
Visitano il forum: Nessuno e 94 ospiti

Elettrotecnica e non solo (admin)
Un gatto tra gli elettroni (IsidoroKZ)
Esperienza e simulazioni (g.schgor)
Moleskine di un idraulico (RenzoDF)
Il Blog di ElectroYou (webmaster)
Idee microcontrollate (TardoFreak)
PICcoli grandi PICMicro (Paolino)
Il blog elettrico di carloc (carloc)
DirtEYblooog (dirtydeeds)
Di tutto... un po' (jordan20)
AK47 (lillo)
Esperienze elettroniche (marco438)
Telecomunicazioni musicali (clavicordo)
Automazione ed Elettronica (gustavo)
Direttive per la sicurezza (ErnestoCappelletti)
EYnfo dall'Alaska (mir)
Apriamo il quadro! (attilio)
H7-25 (asdf)
Passione Elettrica (massimob)
Elettroni a spasso (guidob)
Bloguerra (guerra)








