Cos'è ElectroYou | Login Iscriviti

ElectroYou - la comunità dei professionisti del mondo elettrico

Dove nasce il neutro?

Circuiti, campi elettromagnetici e teoria delle linee di trasmissione e distribuzione dell’energia elettrica

Moderatori: Foto Utenteg.schgor, Foto UtenteIsidoroKZ

1
voti

[1] Dove nasce il neutro?

Messaggioda Foto UtenteMassimo1979 » 1 set 2023, 12:52

Vi prego di non prendetemi per matto,
ma è una curiosità che ho da tantissimo tempo, da quando l'elettricità e l'elettrotecnica mi appassionano.

Il mio ragionamento è questo, molto scolastico:
dalla centrale elettrica, partono 3 cavi che rappresentano un sistema trifase.
Questi tre cavi viaggiano sui tralicci, interrati, ecc ecc e poi in qualche modo arrivano al misuratore ENEL dove in uscita c'è una fase e un neutro :shock:
2023-09-01_124107.jpg


Stessa cosa sulla mia moto:
ha un generatore trifase da cui nascono tre fasi (che entrano in un regolatore/raddrizzatore di tensione che le trasforma in corrente continua)
Ma anche in questo caso, non c'è il neutro
Immagine 2023-09-01 124908.png


Grazie a tutti per le spiegazioni!

MASSIMO
Avatar utente
Foto UtenteMassimo1979
50 4
New entry
New entry
 
Messaggi: 83
Iscritto il: 19 apr 2021, 23:14
Località: Napoli

0
voti

[2] Re: Dove nasce il neutro?

Messaggioda Foto Utentedjnz » 1 set 2023, 13:36

Massimo1979 ha scritto:Questi tre cavi viaggiano sui tralicci, interrati, ecc ecc e poi in qualche modo arrivano al misuratore ENEL dove in uscita c'è una fase e un neutro

Quel "qualche modo" è un trasformatore intermedio con le fasi secondarie collegate a stella invece che a triangolo. Il centro stella è il neutro che arriva a casa (assieme a una delle fasi).
Una domanda ben posta è già mezza risposta.
Avatar utente
Foto Utentedjnz
1.590 1 4 7
Master
Master
 
Messaggi: 708
Iscritto il: 26 lug 2020, 14:52

0
voti

[3] Re: Dove nasce il neutro?

Messaggioda Foto Utenteclaudiocedrone » 1 set 2023, 14:48

"Non farei mai parte di un club che accettasse la mia iscrizione" (G. Marx)
Avatar utente
Foto Utenteclaudiocedrone
21,3k 4 7 9
Master EY
Master EY
 
Messaggi: 15302
Iscritto il: 18 gen 2012, 13:36

2
voti

[4] Re: Dove nasce il neutro?

Messaggioda Foto UtenteThEnGi » 1 set 2023, 16:23

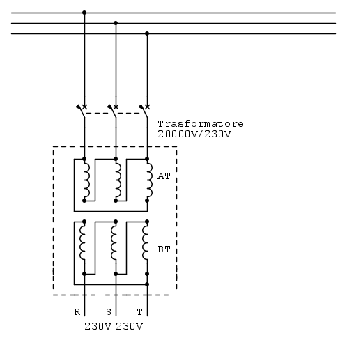
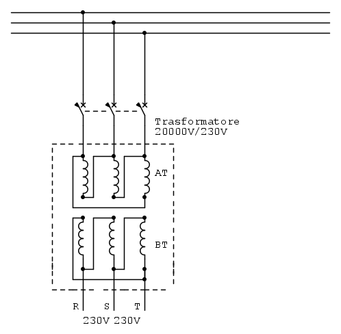
Per complicare il tutto ti segnalo che in alcune zone della capitale è presente la distribuzione trifase a 220 V.
Ovvero al contatore ("Monofase") arrivano due fasi e nessun neutro :ok:

Il "neutro" esiste anche nella distribuzione MT/AT, ma ha una funzione/utilizzo diversa/o e non viene "portato fuori" dagli impianti di trasformazione

O_/
Avatar utente
Foto UtenteThEnGi
2.230 3 6 9
Expert EY
Expert EY
 
Messaggi: 2228
Iscritto il: 6 ott 2022, 18:43

0
voti

[5] Re: Dove nasce il neutro?

Messaggioda Foto Utenteclaudiocedrone » 1 set 2023, 19:30

Questo c'è nella voce di Wikipedia che ho linkato anche se è definito impropriamente "bifase" (che è un'altra cosa, in realtà è fase-fase).
"Non farei mai parte di un club che accettasse la mia iscrizione" (G. Marx)
Avatar utente
Foto Utenteclaudiocedrone
21,3k 4 7 9
Master EY
Master EY
 
Messaggi: 15302
Iscritto il: 18 gen 2012, 13:36

0
voti

[6] Re: Dove nasce il neutro?

Messaggioda Foto UtenteMassimo1979 » 2 set 2023, 9:59

Grazie!
Ora mi è tutto più chiaro per quanto riguarda la tensione in casa.

Per la moto invece?
Il fatto che il generatore non abbia un neutro, come si spiega?

GRAZIE!
Avatar utente
Foto UtenteMassimo1979
50 4
New entry
New entry
 
Messaggi: 83
Iscritto il: 19 apr 2021, 23:14
Località: Napoli

1
voti

[7] Re: Dove nasce il neutro?

Messaggioda Foto Utentelillo » 2 set 2023, 10:44

ciao,
Foto UtenteMassimo1979 ha scritto:Il fatto che il generatore non abbia un neutro, come si spiega?

perché non serve.
l'alternatore della moto alimenta un raddrizzatore/regolatore per avere ai capi del carico/batteria tensione continua.
se ti interessa il funzionamento del raddrizzatore:
https://www.electroyou.it/lillo/wiki/n-a-3
O_/
Avatar utente
Foto Utentelillo
20,5k 7 12 13
G.Master EY
G.Master EY
 
Messaggi: 4172
Iscritto il: 25 nov 2010, 11:30
Località: Nuovo Mondo

0
voti

[8] Re: Dove nasce il neutro?

Messaggioda Foto UtenteMassimo1979 » 3 set 2023, 10:04

lillo ha scritto:perché non serve.


Mi sa che mi devo riguardare un po' il concetto di neutro... :D

Grazie a tutti per le risposte!

Buona domenica!

MASSIMO
Avatar utente
Foto UtenteMassimo1979
50 4
New entry
New entry
 
Messaggi: 83
Iscritto il: 19 apr 2021, 23:14
Località: Napoli

3
voti

[9] Re: Dove nasce il neutro?

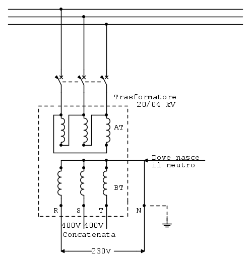
Messaggioda Foto UtenteStefanoSunda » 3 set 2023, 11:56

Il mio ragionamento è questo, molto scolastico:
dalla centrale elettrica, partono 3 cavi che rappresentano un sistema trifase.
Questi tre cavi viaggiano sui tralicci, interrati, ecc ecc e poi in qualche modo arrivano al misuratore ENEL dove in uscita c'è una fase e un neutro :shock:

Ecco dove nasce il neutro, con lo schema poche parole.
Avatar utente
Foto UtenteStefanoSunda
2.880 3 6 10
Master
Master
 
Messaggi: 1962
Iscritto il: 16 set 2010, 19:29

2
voti

[10] Re: Dove nasce il neutro?

Messaggioda Foto UtenteStefanoSunda » 3 set 2023, 14:25

Per complicare il tutto ti segnalo che in alcune zone della capitale è presente la distribuzione trifase a 220 V.
Ovvero al contatore ("Monofase") arrivano due fasi e nessun neutro

Come questo schema.
Avatar utente
Foto UtenteStefanoSunda
2.880 3 6 10
Master
Master
 
Messaggi: 1962
Iscritto il: 16 set 2010, 19:29

Prossimo

Torna a Elettrotecnica generale

Chi c’è in linea

Visitano il forum: Nessuno e 67 ospiti