Buon pomeriggio,
Scrivo in merito al chiller in pompa di calore Daiking EWYT090CZP-A2
Ho recuperato online tutte le schede tecniche di prodotto che allego qui di seguito, con già evidenziati i punti focali del mio quesito ed il modello specifico nelle tabelle.
Il problema sostanziale è richiedere l'aumento di potenza elettrica al distributore per poter alimentare la macchina, ed è qui che nascono le mie perplessità...
Nella scheda tecnica fornitami (anch'essa in allegato) mi viene semplicemente detto che la corrente di funzionamento in condizioni ordinarie è pari a 57.6A, mentre la Max corrente di funzionamento è di 88.4A.
Noto inoltre che la Max corrente allo spunto è pari a 0 (deduco che sia dovuto al fatto che naturamente il compressore sia sotto inverter e quindi lo spunto non ci sia in quanto crea lui la rampa, corretto?)
Da quello che capisco, l'assorbimento è basato sulla tensione concatenata e, poiché il costruttore dichiara uno sbilanciamento di fase del +- 3%, significa che indicativamente quei 57,6A siano ripartiti sulle 3 fasi, pertanto nell'intereruttore automatico quadripolare passino ragionevolmente 19,2 A in condizioni Normali (57.6/3) mentre al Max circa 30 A (88.4/3).
Questo significa che con un quadripolare da 32 A dovrei gestire la macchina, considerando anche i tempi di intervento non istantanei docuti alla curva di intervento.
Passando alla potenza, essendo in trifase, applico la formula semplicistica P= 1,732 * U * I * cosphi (che ipotizzo 0.9 dato che non ho trovato riferimenti sulla scheda tecnica) quindi 1,732 * 400 V * 57.6A * 0.9 = 35914W ovvero circa 36kW.
Questi valori sono più o meno in linea (come potete vedere da immagini allegate) con Unit power input (PCOP), che dovrebbe rappresentare la potenza elettrica assorbita [kW] da un’unità per il riscaldamento alle condizioni nominali standard. Sia in raffrescamento che in riscaldamento, rispettivamente 31.1 e 27.3 kW Elettrici.
Nell'altra tabella, identica alla precedente ma in versione MAX, vi sono valori un po' più alti e ciò è dovuto (a mio parere) al fatto che quella tabella indica i parametri di funzionamento a massimo regime e non nominale (infatti vi è una scritta recante il fatto che per mettere la macchina al massimo sia necessario agire in loco sul controller).
Ed ecco il mio cruccio... Nei requisiti dei dispositivi di sicurezza mi indica dei fusibili (non obbligatori) da 160 A, come è possibile?
oltretutto indica come interruttore generale di unità il modello da 125A (con massima sezione del cavo collegabile pari a 70mm2), visibile in tabella.
Sfogliando i dati sul sito in inglese ho recuperato l'informazione secondo la quale a mio parere è stato dimensionato il 125 A... Nella sezione Unit, evidenziato con una freccia arancione vi è il Maximum running current pari a 88A (anche qui... in quali condizioni potrà mai arrivare ad 88 visto che nel PCOP e PEER max di arriva a 33?) ma nella voce sotto vi è il maximum current for wires sizing pari a 101 A, ma anche in questo caso è comunque inferiore ai 125A dell'automatico e la linea sarebbe sottodimensionata.
Secondo i miei conti della serva con un 4*4mm2 ed un quadripolare da 32 la linea dovrebbe essere già dimensionata a dovere... ad esagerare un 4*6mm2 ed un MT quadripolare da 40A.
Come è possibile che mi venga indicato un 125A?
Per la richiesta dell'aumento di potenza a e-distribuzione, con 40KW di quota potenza in aggiunta alla fornitura attuale dovrebbe essere possibile soddisfare i requisiti della macchina in ogni condizione... Ma se devo prendere come valori di picco quegli 88.4A o addirittura i 101 A cambia tutto.
Non riesco a capire cosa mi sto perdendo per strada...
Grazie mille in anticipo a chiunque vorrà dedicarmi un po' del suo tempo e professionalità!
Dimensionamento elettrico Chiller Trifase
Moderatori:
sebago,
MASSIMO-G,
lillo,
Mike
11 messaggi
• Pagina 1 di 2 • 1, 2
0
voti
In allegato le altre 3 foto che non mi faceva caricare sopra per via del limite massimo allegati (3)
-

DenisRossi
0 2 - Messaggi: 12
- Iscritto il: 2 mag 2015, 11:47
0
voti
Ciao Danielex e grazie per la tempestiva risposta?
Potresti spiegare meglio cosa intendi con il non dividere per 3?
Credo che i dati della macchina indichino l'assorbimento totale e non per polo? Cosa sbaglio nei miei ragionamenti?
Se non sono divisi sulle 3 fase sarebbe un assorbimento spropositato, quasi 180A in condizioni ordinarie che va fuori da ogni parametro indicato...
Potresti spiegare meglio cosa intendi con il non dividere per 3?
Credo che i dati della macchina indichino l'assorbimento totale e non per polo? Cosa sbaglio nei miei ragionamenti?
Se non sono divisi sulle 3 fase sarebbe un assorbimento spropositato, quasi 180A in condizioni ordinarie che va fuori da ogni parametro indicato...
-

DenisRossi
0 2 - Messaggi: 12
- Iscritto il: 2 mag 2015, 11:47
0
voti
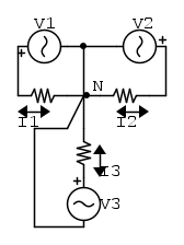
Considera il circuito qui sotto.
V1,V2, V3 sono tre generatori di tensione 230 Vac sfasati di 120 gradi (quindi tensione stellata 230 Vac e concatenata 400 Vac).
Supponiamo che i 3 carichi siano uguali (e quindi nel neutro N non scorre corrente).
Qual e' il valore di I1=I2=I3 per avere una potenza totale assorbita dai 3 carichi di 31 kW (indicata nel datasheet)?
V1,V2, V3 sono tre generatori di tensione 230 Vac sfasati di 120 gradi (quindi tensione stellata 230 Vac e concatenata 400 Vac).
Supponiamo che i 3 carichi siano uguali (e quindi nel neutro N non scorre corrente).
Qual e' il valore di I1=I2=I3 per avere una potenza totale assorbita dai 3 carichi di 31 kW (indicata nel datasheet)?
1
voti
- La massima potenza elettrica della PdC è quella in raffreddamento pari a 38 kW.
- Indicano una corrente massima di 88A.
- Indicano che il dispositivo di protezione massimo ammesso non deve superare i 125A.
- Indicano che la sezione massima ammessa del cavo di alimentazione è di 70 mmq.
Ci sono tutti i dati necessari per potere dimensionare la conduttura e la relativa protezione in funzione della lunghezza e tipo di posa, sapendo che:
- alla morsettiera della PdC puoi collegare direttamente al massimo 70 mmq
- sconsigliano una protezione a monte superiore a 125A
- Indicano una corrente massima di 88A.
- Indicano che il dispositivo di protezione massimo ammesso non deve superare i 125A.
- Indicano che la sezione massima ammessa del cavo di alimentazione è di 70 mmq.
Ci sono tutti i dati necessari per potere dimensionare la conduttura e la relativa protezione in funzione della lunghezza e tipo di posa, sapendo che:
- alla morsettiera della PdC puoi collegare direttamente al massimo 70 mmq
- sconsigliano una protezione a monte superiore a 125A
--
Michele Lysander Guetta
--
"Non pensare mai al dolore, al pericolo o ai nemici un momento più lungo del necessario per combatterli." — Ayn Rand
Michele Lysander Guetta
--
"Non pensare mai al dolore, al pericolo o ai nemici un momento più lungo del necessario per combatterli." — Ayn Rand
-

Mike
55,6k 7 10 12 - G.Master EY

- Messaggi: 17005
- Iscritto il: 1 ott 2004, 18:25
- Località: Conegliano (TV)
0
voti
elfo ha scritto:Considera il circuito qui sotto.[...]
Ciao Elfo, grazie mille per la tua risposta e preparazione. In pratica sto studiando i sistemi trifase ma mi sfugge ancora molto... ad esempio non riesco a risolvere il tuo disegno di esempio.
La cosa che non capisco è che se i carichi sono bilanciati, non scorre corrente sul neutro, ma anche se lo fossero, come farebbe a scorrere corrente che il neutro non è collegato a nulla? o meglio, nel N convergono i poli di tutti i negativi dei generatori. La corrente dove si "richiude? perché il quel caso avrei 400 V di tensione ai capi delle resistenze? Se i generatori sono da 230 V AC tra il negativo (Neutro) ed il positivo dovrebbero esserci 230V. Probabilmente la risposta sta nel fatto dello sfasamento che non riesco ancor bene a comprendere, come d'altronde il perché le correnti in trifase non si dividano per 3. Come fa a transitare la medesima corrente su tutte le fasi? E quale calcolo è necessario per risolvere il tuo quesito? Grazie mille
-

DenisRossi
0 2 - Messaggi: 12
- Iscritto il: 2 mag 2015, 11:47
0
voti
ciao,
forse questo può esserti d'aiuto:
https://www.electroyou.it/admin/wiki/se ... ul-trifase
https://www.electroyou.it/admin/wiki/es ... -dal-forum
forse questo può esserti d'aiuto:
https://www.electroyou.it/admin/wiki/se ... ul-trifase
https://www.electroyou.it/admin/wiki/es ... -dal-forum
0
voti
Ringrazio
lillo per la risposta che e' esattamente quello che avevo in mente e stavo cercando.
Mi permetto solo di aggiungere ai link gia' dati anche
https://www.electroyou.it/vis_resource. ... zio&id=110
e tutto il blog di admin (Ing. Zeno Martini amministratore e Maestro di questo forum).
https://www.electroyou.it/admin/blog
Sono circa 100 pagine e specialmente nelle pagine con "numeri alti" ci sono lezioni ed esercizi di elettrotecnica al pari di un ottimo libro.
Per dare una risposta molto semplicistica (studia I link indicati che sono massimamente didattici) al quesito dell'OP possiamo dire che se I carichi sono equilibrati (e quindi non scorre corrente nel neutro) ogni singolo generatore "emette_e_riceve_i_propri_elettroni"
In altre parole data una Potenza compessiva P ogni generatore eroga una Potenza Pg

e la corrente Ig erogata da ciascun generatore vale (data una tensione stellata di 230 V)

Mi permetto solo di aggiungere ai link gia' dati anche
https://www.electroyou.it/vis_resource. ... zio&id=110
e tutto il blog di admin (Ing. Zeno Martini amministratore e Maestro di questo forum).
https://www.electroyou.it/admin/blog
Sono circa 100 pagine e specialmente nelle pagine con "numeri alti" ci sono lezioni ed esercizi di elettrotecnica al pari di un ottimo libro.
Per dare una risposta molto semplicistica (studia I link indicati che sono massimamente didattici) al quesito dell'OP possiamo dire che se I carichi sono equilibrati (e quindi non scorre corrente nel neutro) ogni singolo generatore "emette_e_riceve_i_propri_elettroni"
In altre parole data una Potenza compessiva P ogni generatore eroga una Potenza Pg

e la corrente Ig erogata da ciascun generatore vale (data una tensione stellata di 230 V)

0
voti
Provo a spiegarlo io, vediamo se riesco ad essere abbastanza chiaro:
L'alternatore che produce l'energia ha lo statore costituito da tre avvolgimenti disposti a 120° tra loro, all'interno un magnete permanente ruota su sè stesso creando una variazione di campo menetico all'interno degli avvolgimenti dello statore.
Questa variazione induce una corrente sinusoidale in cascuno dei tre avvolgimenti.
Essendo i tre avvolgimenti orientati nello spazio a 120° l'uno con l'altro, le correnti indotte avranno la funzione di tre sinusoidi sfasate tra loro di 120°.
Se unisci insieme le estremità iniziali degli avvolgimenti (chiamiamo questo nodo "neutro" e lo connettiamo anche a terra), sulle estremità finali avrai tre tensioni sinusoidali sfasate di 120°; ammettiamo che questa tensione abbia un valore efficace di 220 V: se applichiamo tre carichi uguali tra il neutro e i tre punti a 220 V (corrispondenti alle estremità finali degli avvolgimenti) avremo tre correnti uguali, sempre sinusoidali e sempre sfasate di 120°, sul filo del neutro si richiuderanno le tre correnti che rientreranno nelle estremità iniziali degli avvolgimenti, ovvero sul filo del neutro scorre la somma vettoriale delle tre correnti.
Rappresentando queste tre correnti con vettori rotanti nel piano cartesiano,disegnerai tre vettori uscenti dal centro, sfasati tra loro di 120°
Come il baricentro di un traingolo equilatero, la somma vettoriale delle tre correnti che si richiudono sul neutro è uguale a zero.
Sempre dal punto di vista geometrico, puoi verificare che la lunghezza di un lato di un riangolo equilatero è uguale al segmento che unisce un vertice con il centro moltiplicato per la radice di 3 , da qui 220 V * radq(3) = circa 380 V, (oppure 230 e 400).
Nel tuo caso abbiamo un chiller con potenza totale di 36kW, io preferisco ragionare per fase singola: 36kW / 3 fasi = 12kW su ciascuna fase: 12000W / 230V = 52A
Facendo 36kW / 400V / 1,73 si ottiene lo stesso risultato, ma secondo me è meno intuitivo
L'alternatore che produce l'energia ha lo statore costituito da tre avvolgimenti disposti a 120° tra loro, all'interno un magnete permanente ruota su sè stesso creando una variazione di campo menetico all'interno degli avvolgimenti dello statore.
Questa variazione induce una corrente sinusoidale in cascuno dei tre avvolgimenti.
Essendo i tre avvolgimenti orientati nello spazio a 120° l'uno con l'altro, le correnti indotte avranno la funzione di tre sinusoidi sfasate tra loro di 120°.
Se unisci insieme le estremità iniziali degli avvolgimenti (chiamiamo questo nodo "neutro" e lo connettiamo anche a terra), sulle estremità finali avrai tre tensioni sinusoidali sfasate di 120°; ammettiamo che questa tensione abbia un valore efficace di 220 V: se applichiamo tre carichi uguali tra il neutro e i tre punti a 220 V (corrispondenti alle estremità finali degli avvolgimenti) avremo tre correnti uguali, sempre sinusoidali e sempre sfasate di 120°, sul filo del neutro si richiuderanno le tre correnti che rientreranno nelle estremità iniziali degli avvolgimenti, ovvero sul filo del neutro scorre la somma vettoriale delle tre correnti.
Rappresentando queste tre correnti con vettori rotanti nel piano cartesiano,disegnerai tre vettori uscenti dal centro, sfasati tra loro di 120°
Come il baricentro di un traingolo equilatero, la somma vettoriale delle tre correnti che si richiudono sul neutro è uguale a zero.
Sempre dal punto di vista geometrico, puoi verificare che la lunghezza di un lato di un riangolo equilatero è uguale al segmento che unisce un vertice con il centro moltiplicato per la radice di 3 , da qui 220 V * radq(3) = circa 380 V, (oppure 230 e 400).
Nel tuo caso abbiamo un chiller con potenza totale di 36kW, io preferisco ragionare per fase singola: 36kW / 3 fasi = 12kW su ciascuna fase: 12000W / 230V = 52A
Facendo 36kW / 400V / 1,73 si ottiene lo stesso risultato, ma secondo me è meno intuitivo
-

SediciAmpere
4.187 5 5 8 - Master

- Messaggi: 4847
- Iscritto il: 31 ott 2013, 15:00
11 messaggi
• Pagina 1 di 2 • 1, 2
Torna a Impianti, sicurezza e quadristica
Chi c’è in linea
Visitano il forum: Nessuno e 131 ospiti

Elettrotecnica e non solo (admin)
Un gatto tra gli elettroni (IsidoroKZ)
Esperienza e simulazioni (g.schgor)
Moleskine di un idraulico (RenzoDF)
Il Blog di ElectroYou (webmaster)
Idee microcontrollate (TardoFreak)
PICcoli grandi PICMicro (Paolino)
Il blog elettrico di carloc (carloc)
DirtEYblooog (dirtydeeds)
Di tutto... un po' (jordan20)
AK47 (lillo)
Esperienze elettroniche (marco438)
Telecomunicazioni musicali (clavicordo)
Automazione ed Elettronica (gustavo)
Direttive per la sicurezza (ErnestoCappelletti)
EYnfo dall'Alaska (mir)
Apriamo il quadro! (attilio)
H7-25 (asdf)
Passione Elettrica (massimob)
Elettroni a spasso (guidob)
Bloguerra (guerra)



