Ho deciso di raccogliere in un articolo alcuni degli esercizi sul sistema trifase che, di tanto in tanto, sono proposti da studenti.
Generalmente sono svolti nel forum dialogando con lo studente, per una didattica mirata a far comprendere i concetti ed i metodi usati; sovente sono portati a termine ma a volte possono rimanere in sospeso, magari perché lo studente preferirebbe la soluzione completa subito, più che sforzarsi nel dialogo. Ma il forum non è un servizio di pronto intervento risolutivo per esercizi d'esame, ma deve essere concepito come il luogo in cui si deve poter arrivare alla soluzione con l'aiuto di qualcuno che ha un po' più di esperienza. In ogni caso alla fine può essere utile un riepilogo e questo articolo ha tale scopo.
Indice |
Esercizio 1
Topic di riferimento
Calcolare la corrente I1 e la potenza complessa del generatore su L3 (E3)
Soluzione
La corrente
è data da

Il modulo della corrente della fase 1 del carico trifase equilibrato è

Assumiamo in questo modo le tre tensioni di fase simmetriche

Il carico trifase è induttivo e la corrente di fase è sfasata in ritardo rispetto alla tensione di fase
Il modulo della corrente assorbita dal carico monofase è dato da

La tensione che alimenta il carico monofase è la concatenata 

La corrente del carico monofase capacitivo, è sfasata in anticipo rispetto a tale tensione
La resistenza R è alimentata dalla tensione concatenata 
Il suo modulo vale

quindi si ha


Infine la corrente I1 vale

Per determinare la potenza complessa della fase 3, occorre calcolare la corrente 

si ha
quindi

La potenza complessa vale perciò
Rappresentazione grafica delle grandezze
Esercizio 2
Topic di riferimento
Calcolare la corrente I1
Soluzione
La corrente su carico monofase ha modulo
quella di fase del carico trifase equilibrato
Assumiamo la tensione della fase 1 con fase zero, quindi sull'asse reale del piano di Gauss.
Essendo i due carichi ohmico-induttivi, le correnti sono in ritardo rispetto alle rispettive tensioni.
Rappresentazione grafica
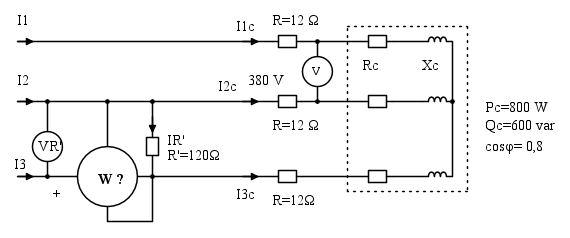
Esercizio 3
Topic di riferimento
Calcolare l'indicazione del wattmetro nel seguente schema.
Soluzione
Ipotizziamo ideali gli strumenti, quindi nulle le correnti delle loro voltmetriche e la caduta di tensione sulle amperometriche.
Le tre correnti del carico equilibrato valgono

La potenza persa su una resistenza R vale

La potenza apparente a monte delle tre resistenze R vale

Quindi la tensione concatenata corrispondente vale

Questa è la tensione applicata alla resistenza R' dove la corrente è perciò
Il fasore della corrente wattmetrica si ricava da
Assumendo

avremo


Quindi l'indicazione del wattmetro è data da

Diagramma fasoriale
Esercizio 4
Topic di riferimento
Dati



Calcolare la corrente IA, indicata dall'amperometro.
Soluzione

Assumendo a fase zero la tensione stellata Ea
Diagramma fasoriale
Esercizio 5
Topic di riferimento
Calcolare l'intensità di corrente IA misurata dall'amperometro
Soluzione
L'amperometro ideale è un cortocircuito, quindi la corrente da calcolare è la corrente di cortocircuito del generatore equivalente visto da O'',O'. Immaginiamo che non ci sia l'amperometro e determiniamo, com Millman la tensione tra i due centri stella, tenendo presente che, essendo la stella di impedenze equilibrata, O' ed O sono equipotenziali.


L'impedenza del generatore equivalente si trova cortocircuitando le alimentazioni, quindi è data dalla serie del parallelo delle tre resistenze e di quello delle tre impedenze.

La corrente richiesta, come detto, è la corrente di cortocircuito del generatore (corrente di Norton)

Il testo del problema non richiedeva la fase, quindi bastava il rapporto dei moduli della tensione e dell'impedenza. La corrente è dunque
Esercizio 6
Topic di riferimento
Determinare l'indicazione del voltmetro
Soluzione
L'indicazione del voltmetro è data da

La corrente della linea 2 è la somma

Il modulo di I2' è uguale ad IA

Il modulo della tensione tra i fili 2 e 3 ai capi dei due carichi equilibrati è ricavabile, con il teorema delle potenze attive e reattive, dai dati relativi al triangolo resistivo capacitivo e dal valore della corrente di linea assorbita da questo carico e misurata dall'amperometro





La corrente
è sfasata in anticipo rispetto alla tensione stellata
dell'angolo

mentre la corrente
è sfasata in ritardo rispetto alla stessa tensione dell'angolo
Assumendo zero la fase di
sarà allora



La tensione misurata dal voltmetro vale pertanto

Grafico fasoriale
Altri esercizi
Nel sito ci sono altri articoli con eercizi sul trifase

Elettrotecnica e non solo (admin)
Un gatto tra gli elettroni (IsidoroKZ)
Esperienza e simulazioni (g.schgor)
Moleskine di un idraulico (RenzoDF)
Il Blog di ElectroYou (webmaster)
Idee microcontrollate (TardoFreak)
PICcoli grandi PICMicro (Paolino)
Il blog elettrico di carloc (carloc)
DirtEYblooog (dirtydeeds)
Di tutto... un po' (jordan20)
AK47 (lillo)
Esperienze elettroniche (marco438)
Telecomunicazioni musicali (clavicordo)
Automazione ed Elettronica (gustavo)
Direttive per la sicurezza (ErnestoCappelletti)
EYnfo dall'Alaska (mir)
Apriamo il quadro! (attilio)
H7-25 (asdf)
Passione Elettrica (massimob)
Elettroni a spasso (guidob)
Bloguerra (guerra)











