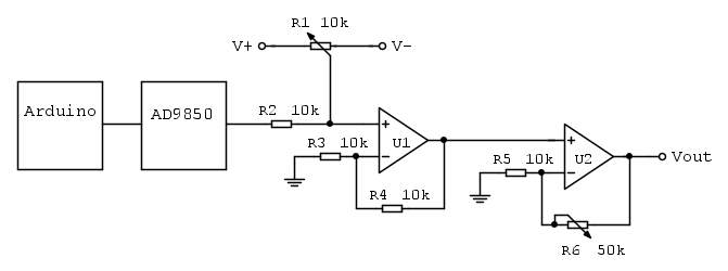
Sto costruendo un generatore di segnali con AD9850, un ATmega328 (Arduino stand alone), un encoder e un display oled da 0,96".
Il tutto funziona, ma vorrei potenziare il segnale sinusoidale amplificandolo in modo da avere in uscita almeno 4 Vpp con una banda piatta (-3 dB) almeno fino a 40 MHz.
Ho visto questa discussione e questo schema
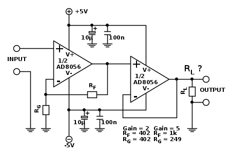
Non essendo interessato ad alte correnti in uscita, ho cercato un integrato adatto e ho trovato questo AD8056A con questo schema
suggerito nella fig. 38 del datasheet.
Le mie (scarse) conoscenze sugli operazionali risalgono ai tempi della BF (preamplificazione) e ho trovato strani i valori delle resistenze. Se qualcuno potesse fornirmi una spiegazione gliene sarei grato.
Comunque vorrei implementare uno schema come questo
ma ritengo non sia possibile su breadboard, date le frequenze in gioco.
Prima di ordinare lo stampato, vorrei avere da voi pareri e osservazioni sul circuito teorico. In particolare vorrei capire come e dove inserire il comando per regolare l'ampiezza dell'uscita, possibilmente in maniera costante almeno fino 40 MHz.
Grazie,
Ciao
P.
Generatore HF con AD9850 - amplificare output
Moderatori:
carloc,
g.schgor,
BrunoValente,
IsidoroKZ
10 messaggi
• Pagina 1 di 1
0
voti
Nel circuito consigliato:
G = (909+100)/100 = 10,09 ipotizzando guadagno operazionale infinito.
Visto che il guadagno sarà limitato 10000 ?, il guadagno reazionato sarà minore di 10,09, magari prossimo a 10.
Io proverei prima lo schema consigliato, magari montando i componenti a "ragnetto" tenendo i reofori lunghi solo qualche centimetro. e Collegando il comune dei condensatori a un solo punto (centro stella di massa).
Come fai a verificare che la risposta è "piatta" fino a 10 MHz ?
Che carico prevedi di adoperare? 50 ohm ? 600 ?
Per la regolazione del guadagno, non saprei cosa consigliare.
Del tuo circuito con doppio operazionale, direi che lo stadio di uscita è inutile, abbassa inutilmente la banda passante, però è un argomento controverso aperto a una discussione.
discussione
G = (909+100)/100 = 10,09 ipotizzando guadagno operazionale infinito.
Visto che il guadagno sarà limitato 10000 ?, il guadagno reazionato sarà minore di 10,09, magari prossimo a 10.
Io proverei prima lo schema consigliato, magari montando i componenti a "ragnetto" tenendo i reofori lunghi solo qualche centimetro. e Collegando il comune dei condensatori a un solo punto (centro stella di massa).
Come fai a verificare che la risposta è "piatta" fino a 10 MHz ?
Che carico prevedi di adoperare? 50 ohm ? 600 ?
Per la regolazione del guadagno, non saprei cosa consigliare.
Del tuo circuito con doppio operazionale, direi che lo stadio di uscita è inutile, abbassa inutilmente la banda passante, però è un argomento controverso aperto a una discussione.
discussione
1
voti
I valori delle resistenze di feedback sono inusualmente bassi perche' servono a mantenere minimo il rumore.
L'AD8056 ha un rumore riportato all'ingresso di
.
Un resistore da
tipicamente ha un rumore di
(rumore Johnson), che andrebbe a sommarsi a quello dell'op-amp con un rumore totale di 
Scegliendone uno da 100 ohm si avrebbe un rumore di
e un rumore totale di
, decisamente piu' basso.
Riguardo al tuo progetto, dovresti prima decidere che impedenza di uscita dovrebbe avere il tuo generatore: 50 e 600 ohm sono le piu' comuni, essendo la prima usata per le radiofrequenze e la seconda nel campo audio, fino a un massimo di 500 kHz-1 MHz.
Puoi realizzare uno stadio di uscita che possa pilotare carichi fino a 50 ohm, cosi' sei tranquillo per il futuro, sia per le basse che per le alte frequenze.
Riguardo all'amplificazione: che ampiezza ha il segnale in uscita dal AD9850? Ha un offset?
In ogni caso puoi realizzare uno stadio buffer per disaccoppiare, a guadagno unitario: basta un banale 2N3904 (o anche un BC547) polarizzato ad collettore comune e prelevi il segnale dall'emettitore.
In tal modo hai una resistenza di uscita molto bassa, adattissima a pilotare un integrato MMIC (Monolithic Microwave Integrated circuit) tipo il GALI-52+ della Mini-Circuits, che ha un guadagno di 10 dalla DC fino a 2 GHz e una potenza di uscita di +15.5 dBm tipici (su 50 ohm) e costa 2-3 euro.
Se il segnale in uscita dal AD9850 non fosse sufficiente, puoi amplificarlo con un op-amp con poco guadagno, diciamo 2 o 3 o 4 (per avere sufficiente banda passante); ovviamente l'op-amp non ha una impedenza di uscita ne' bassa ne' costante, quindi ci devi interporre un banale buffer con un BJT e una resistenza da 50 ohm in serie tra emettitore e ingresso del MMIC.
Puoi trarre altri spunti dal mio articolo che ho pubblicato poco tempo fa.
Anche questo articolo puo' esserti magari utile
Riguardo la regolazione del livello di uscita, come ho gia' spiegato nel mio articolo, puo' essere abbastanza facile per le frequenze audio, mentre diventa molto piu complesso per le radiofrequenze.
Questo perche' un attenuatore ben fatto deve presentare sempre la stessa impedenza di ingresso e uscita.
Io ne ho realizzato uno per i 600 ohm con deviatori che inseriscono 1,2,3,5,10,20 e 30 db per ottenere tutte le combinazioni possibili.
In RF e' piu complesso: occorrono deviatori o rele' reed per RF a bassissima capacita' e resistenze antiinduttive. Il layout del circuito va accuratamente studiato ecc...
Forse in un prossimo futuro ne realizzero' uno, ma per il momento vivo felice con gli attenuatori coassiali fissi, sia SMA che BNC. Ne ho diversi, da 1 dB a 30 dB e hanno banda di 1 o 2 GHz.
Max
L'AD8056 ha un rumore riportato all'ingresso di
.Un resistore da
tipicamente ha un rumore di
(rumore Johnson), che andrebbe a sommarsi a quello dell'op-amp con un rumore totale di 
Scegliendone uno da 100 ohm si avrebbe un rumore di
e un rumore totale di
, decisamente piu' basso.Riguardo al tuo progetto, dovresti prima decidere che impedenza di uscita dovrebbe avere il tuo generatore: 50 e 600 ohm sono le piu' comuni, essendo la prima usata per le radiofrequenze e la seconda nel campo audio, fino a un massimo di 500 kHz-1 MHz.
Puoi realizzare uno stadio di uscita che possa pilotare carichi fino a 50 ohm, cosi' sei tranquillo per il futuro, sia per le basse che per le alte frequenze.
Riguardo all'amplificazione: che ampiezza ha il segnale in uscita dal AD9850? Ha un offset?
In ogni caso puoi realizzare uno stadio buffer per disaccoppiare, a guadagno unitario: basta un banale 2N3904 (o anche un BC547) polarizzato ad collettore comune e prelevi il segnale dall'emettitore.
In tal modo hai una resistenza di uscita molto bassa, adattissima a pilotare un integrato MMIC (Monolithic Microwave Integrated circuit) tipo il GALI-52+ della Mini-Circuits, che ha un guadagno di 10 dalla DC fino a 2 GHz e una potenza di uscita di +15.5 dBm tipici (su 50 ohm) e costa 2-3 euro.
Se il segnale in uscita dal AD9850 non fosse sufficiente, puoi amplificarlo con un op-amp con poco guadagno, diciamo 2 o 3 o 4 (per avere sufficiente banda passante); ovviamente l'op-amp non ha una impedenza di uscita ne' bassa ne' costante, quindi ci devi interporre un banale buffer con un BJT e una resistenza da 50 ohm in serie tra emettitore e ingresso del MMIC.
Puoi trarre altri spunti dal mio articolo che ho pubblicato poco tempo fa.
Anche questo articolo puo' esserti magari utile
Riguardo la regolazione del livello di uscita, come ho gia' spiegato nel mio articolo, puo' essere abbastanza facile per le frequenze audio, mentre diventa molto piu complesso per le radiofrequenze.
Questo perche' un attenuatore ben fatto deve presentare sempre la stessa impedenza di ingresso e uscita.
Io ne ho realizzato uno per i 600 ohm con deviatori che inseriscono 1,2,3,5,10,20 e 30 db per ottenere tutte le combinazioni possibili.
In RF e' piu complesso: occorrono deviatori o rele' reed per RF a bassissima capacita' e resistenze antiinduttive. Il layout del circuito va accuratamente studiato ecc...
Forse in un prossimo futuro ne realizzero' uno, ma per il momento vivo felice con gli attenuatori coassiali fissi, sia SMA che BNC. Ne ho diversi, da 1 dB a 30 dB e hanno banda di 1 o 2 GHz.
Max
Se funziona quasi bene, è tutto sbagliato. A.Savatteri/M.Mazza
0
voti
@MauroD
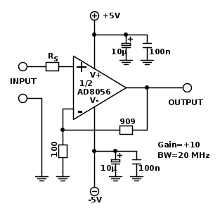
Il circuito consigliato dal datasheet da G=10 e BW=20 MHz. Sono in attesa di un oscilloscopio (regalo
per fare le verifiche.
Dagli articoli che ho letto, e relative figure, il modulo AD9850 ha un'uscita di circa 1 Vpp. A me basterebbe verificare se quel valore si mantiene fino a 40 MHz e amplificarlo fino a circa 4 Vpp su un'impedenza di 50 Ohm. Penso quindi che mi possa andar bene un'amplificazione di 4 volte. In un altro schema proposto viene dato un guadagno di 5 e potrebbe essere quello che fa al caso mio. Allo stesso tempo vorrei poter diminuire il segnale (possibilmente fino a pochi mV).
Il secondo operazionale pensavo fosse opportuno per evitare sovraccarichi a monte. Avendo guadagno 1 non dovrebbe limitare la banda, almeno fino ai 40 MHz. Ma questo pensiero deriva dalla mia scarsa esperienza di operazionali (per di più in BF).
Comincerò come hai suggerito con un montaggio volante e vediamo.
@banjoman
Grazie per le risposte sui valori delle resistenze.
L'impedenza di uscita che vorrei è di 50 Ohm.
Il segnale in uscita dal AD9850 dovrebbe essere circa 1 Vpp (controllerò all'arrivo dell'oscilloscopio). La soluzione con un buffer all'uscita del AD9850 mi semra semplice e sicuramente da provare. Se quel modulo è costruito bene lìuscita dovrebbe avere un'impedenza di 50 Ohm. Controllerò.
Il suggerimento del GALI-52 è interessante e ha un guadagno esubernte, ma meglio così. Lo proverò.
Avevo già letto gli articoli che mi hai segnalato e ammirato il cablaggio intorno ai commutatori di banda, mi ricorda il mio primo ricevitore a onde corte.
Grazie a entrambi per i consigli e le spiegazioni. Sono in stand by fino all'arrivo dell'oscilloscopio (
).
Ciao,
P.
Il circuito consigliato dal datasheet da G=10 e BW=20 MHz. Sono in attesa di un oscilloscopio (regalo
Dagli articoli che ho letto, e relative figure, il modulo AD9850 ha un'uscita di circa 1 Vpp. A me basterebbe verificare se quel valore si mantiene fino a 40 MHz e amplificarlo fino a circa 4 Vpp su un'impedenza di 50 Ohm. Penso quindi che mi possa andar bene un'amplificazione di 4 volte. In un altro schema proposto viene dato un guadagno di 5 e potrebbe essere quello che fa al caso mio. Allo stesso tempo vorrei poter diminuire il segnale (possibilmente fino a pochi mV).
Il secondo operazionale pensavo fosse opportuno per evitare sovraccarichi a monte. Avendo guadagno 1 non dovrebbe limitare la banda, almeno fino ai 40 MHz. Ma questo pensiero deriva dalla mia scarsa esperienza di operazionali (per di più in BF).
Comincerò come hai suggerito con un montaggio volante e vediamo.
@banjoman
Grazie per le risposte sui valori delle resistenze.
L'impedenza di uscita che vorrei è di 50 Ohm.
Il segnale in uscita dal AD9850 dovrebbe essere circa 1 Vpp (controllerò all'arrivo dell'oscilloscopio). La soluzione con un buffer all'uscita del AD9850 mi semra semplice e sicuramente da provare. Se quel modulo è costruito bene lìuscita dovrebbe avere un'impedenza di 50 Ohm. Controllerò.
Il suggerimento del GALI-52 è interessante e ha un guadagno esubernte, ma meglio così. Lo proverò.
Avevo già letto gli articoli che mi hai segnalato e ammirato il cablaggio intorno ai commutatori di banda, mi ricorda il mio primo ricevitore a onde corte.
Grazie a entrambi per i consigli e le spiegazioni. Sono in stand by fino all'arrivo dell'oscilloscopio (
Ciao,
P.
1
voti
Io ho utilizzato gli LMH6611 in un progetto precedente.
Sono abbastanza adatti a questo genere di applicazione.
Hanno resistenza interna molto bassa e discreta corrente di uscita (100mA).
Potresti alimentarli a +5 e -5V.
Le resistenze di reazione sono di valori piuttosto bassi perché a frequenza elevata il loro valore condiziona la risposta in frequenza e la stabilità del sistema come dichiarato dal costruttore.
https://www.analog.com/en/resources/ana ... ers-1.html
Ciao
Sono abbastanza adatti a questo genere di applicazione.
Hanno resistenza interna molto bassa e discreta corrente di uscita (100mA).
Potresti alimentarli a +5 e -5V.
Le resistenze di reazione sono di valori piuttosto bassi perché a frequenza elevata il loro valore condiziona la risposta in frequenza e la stabilità del sistema come dichiarato dal costruttore.
https://www.analog.com/en/resources/ana ... ers-1.html
Ciao
600 Elettra
0
voti
Ma gli LMH6611 sono dei CFA? Dal datasheet non si capisce, salvo che effettivamente consiglia valori bassi di Rf per non avere troppo peaking nella risposta in frequenza.
In ogni caso sembra che possa ottenere una banda di 45 MHz ma solo con Av=2.
Max
In ogni caso sembra che possa ottenere una banda di 45 MHz ma solo con Av=2.
Max
Se funziona quasi bene, è tutto sbagliato. A.Savatteri/M.Mazza
0
voti
banjoman ha scritto:Ma gli LMH6611 sono dei CFA?
Secondo me si ( di solito a questa frequenza dovrebbero esserlo) ma non è affatto chiaro .
Un ulteriore candidato (obsoleto) con cui ottenere eventualmente una uscita doppia potrebbe essere AD815.
Con guadagno 5 va discretamente fino a 20MHz e può dare almeno 400mA in uscita.
La versione più recente è AD8398.
Ciao
600 Elettra
0
voti
Grazie a tutti.
Mi state dando preziosi consigli e informazioni, perché non sono molto aggiornato in genere e su questi argomenti in particolare.
Quando potrò ho intenzione di provare le varie soluzioni e relazionare sui risultati, ma ci vorrà pazienza.
Ciao,
P.
Mi state dando preziosi consigli e informazioni, perché non sono molto aggiornato in genere e su questi argomenti in particolare.
Quando potrò ho intenzione di provare le varie soluzioni e relazionare sui risultati, ma ci vorrà pazienza.
Ciao,
P.
1
voti
Lascia perdere il primo schema! È una schifezza!
Le resistenze sono di valore molto basso perché, oltre al motivo detto da
banjoman, c'è il problema della banda e delle capacità parassite. Con resistenze alte vengono introdotti poli e zeri a frequenze basse che rendono il circuito instabile o ne cambiano le prestazioni.
Ad esempio la capacità di ingresso dell'op amp è di 2 pF. Con quei valori di R, dà un polo a circa 90MHz, oltre la frequenza di crossover, quindi OK. Se mettessi le R da 1kohm e 9kohm il polo scendere be a 9MHz e il circuio sarebbe instabile.
Oltre alla capacità dell'ingresso ci sono anche le capacità del montaggio e le cose vanno anche peggio!
Per 4V a 40MHz sei al limite come slew rate.
Le resistenze sono di valore molto basso perché, oltre al motivo detto da
Ad esempio la capacità di ingresso dell'op amp è di 2 pF. Con quei valori di R, dà un polo a circa 90MHz, oltre la frequenza di crossover, quindi OK. Se mettessi le R da 1kohm e 9kohm il polo scendere be a 9MHz e il circuio sarebbe instabile.
Oltre alla capacità dell'ingresso ci sono anche le capacità del montaggio e le cose vanno anche peggio!
Per 4V a 40MHz sei al limite come slew rate.
Per usare proficuamente un simulatore, bisogna sapere molta più elettronica di lui
Plug it in - it works better!
Il 555 sta all'elettronica come Arduino all'informatica! (entrambi loro malgrado)
Se volete risposte rispondete a tutte le mie domande
Plug it in - it works better!
Il 555 sta all'elettronica come Arduino all'informatica! (entrambi loro malgrado)
Se volete risposte rispondete a tutte le mie domande
0
voti
Grazie Isidoro.
Farò degli esperimenti con montaggi 'in aria' se possibile, in modo da ridurre al minimo le capacità parassite. Voglio vedere anche che accade con i valori commerciali delle resistenze più vicini ai valori indicati.
Vi farò sapere.
Ciao,
P.
Farò degli esperimenti con montaggi 'in aria' se possibile, in modo da ridurre al minimo le capacità parassite. Voglio vedere anche che accade con i valori commerciali delle resistenze più vicini ai valori indicati.
Vi farò sapere.
Ciao,
P.
10 messaggi
• Pagina 1 di 1
Chi c’è in linea
Visitano il forum: Nessuno e 265 ospiti

Elettrotecnica e non solo (admin)
Un gatto tra gli elettroni (IsidoroKZ)
Esperienza e simulazioni (g.schgor)
Moleskine di un idraulico (RenzoDF)
Il Blog di ElectroYou (webmaster)
Idee microcontrollate (TardoFreak)
PICcoli grandi PICMicro (Paolino)
Il blog elettrico di carloc (carloc)
DirtEYblooog (dirtydeeds)
Di tutto... un po' (jordan20)
AK47 (lillo)
Esperienze elettroniche (marco438)
Telecomunicazioni musicali (clavicordo)
Automazione ed Elettronica (gustavo)
Direttive per la sicurezza (ErnestoCappelletti)
EYnfo dall'Alaska (mir)
Apriamo il quadro! (attilio)
H7-25 (asdf)
Passione Elettrica (massimob)
Elettroni a spasso (guidob)
Bloguerra (guerra)









