CHiedo aiuto \ suggerimenti:
l'inquilina mi chiama: ".... quando accendo il forno scatta il salvavita..."
Sotto al contatore dell'appartamento c'è un MTD che funge da generale e poi alcuni MT a protezione delle linee di cui uno per la cucina.
Vado a vedere ed effettivamente, accendendo il forno, non sempre e non subito, interviene il differenziale sotto al contatore.
NOn è la prima volta che mi capita un forno che fa sti scherzi... si scaldano e la resistenza va disperderea terra.
Oltretutto il forno è molto vecchio, per cui... ci sta.
Smonto il forno e lo estraggo dall'incasso e faccio alcune misure, ma noon trovo nulla di anomalo. Complice il fatto che non accade sempre e non accade subito... che faccio?
Scollego il forno dalla presa e metto i puntali del tester nella presa, fase\neutro. e... zac! scatta il salvavita... ofvvero interviene la parte differenziale del MTD!!!
Rifaccio e di nuovo... insomma è sistematico.
Guardo come è cablato e: il cavo che arriva dal MTD arriva in cucina in una scatola da cui partono poi altre bretelle per frigo, cappa etc. e anche forno.
Se collego il tester fase\neutro sulla presa del forno, scatta il MTD, ma se le collegao a qualsiasi altra presa NO. tolgo la presa e ne metto un'altra nuova. Stesso problema.
?!?!?!?!?
Intervento anomalo differenziale
Moderatori:
sebago,
MASSIMO-G,
lillo,
Mike
15 messaggi
• Pagina 1 di 2 • 1, 2
0
voti
Curioso,... ma gli altri interr. MT li lasci spenti durante i test?
se si l unica cosa che mi vien da pensare a sto punto sono le cordine/conduttori che dal quadro (o dalla scatola) vanno alla presa.
ciao
se si l unica cosa che mi vien da pensare a sto punto sono le cordine/conduttori che dal quadro (o dalla scatola) vanno alla presa.
ciao
0
voti
pakk ha scritto:Curioso,... ma gli altri interr. MT li lasci spenti durante i test?
se si l unica cosa che mi vien da pensare a sto punto sono le cordine/conduttori che dal quadro (o dalla scatola) vanno alla presa.
ciao
Altra cosa curiosa... il tester è un HT e ha due modalità di lavoro: alta e bassa impdenza.
Nella modalità a bassa impedenza, PUO' far intervenire le protezioni differenziali, ma non di certo nella modalità ad alta impedenza... cioè anche se prendo fase+terra in alta impedenza, non scattano mai i differenziali, mai successo in anni. Mentre qua scatta il differenziale col tester in alta impedenza tra fase e neutro.
Ho fatto anche il test aprendo TUTTI gli altri interruttori.
Dimenticavo che ho sostituito il MTD con un altro (a casa ne ho parecchi di avanzo...) stesso problema.
Secondo voi quale può essere la ragione per la quale interviene il differenziale misurando col tester in alta impedenza fase\neutro?
P.S.: il forno glielo cambio comunque... è da buttare comunque, ma il problema pare NON essere li...
-

sonusfaber
254 2 6 - Expert

- Messaggi: 407
- Iscritto il: 8 gen 2015, 1:49
0
voti
pakk ha scritto:Hai qualche dispersione nell impianto, penso.
Si, è la prima cosa che ho pensato, ma, ripeto: il tester in alta impedenza NON dovrebbe far intervenire il differenziale, infatti infilato in qualsiasi altra presa... non fa scherzi...
-

sonusfaber
254 2 6 - Expert

- Messaggi: 407
- Iscritto il: 8 gen 2015, 1:49
0
voti
Guarda... sono proprio qui adesso adesso.
Direi di si, sono sanissimi.
Mia moglie dice che un paio di anni fa aveva fatto cambiare il fornello a gas che usa l'elettricità solo per il piezo dell'accensione e con l'occasione avevano cambiato "i fili" ed infatti li vedo nuovi rispetto ad altri in giro.
Vedendo meglio le cose stanno così:
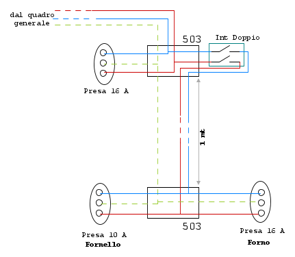
sul muro del piano lavoro c'è una 503: li arrivano i cavi dal quadretto di casa.
In questa scatola c'è una presa elettrica per frullatore, e cose del genere, c'è anche un interruttore bipolare da 16A dal quale partono i cavi nuovi che vanno 1 metro e mezzo sotto dove c'è un'altra 503 con dentro due prese (quelle cambiate ieri) una shuko per il forno e una piccola 10A per il fornello.
Le altre prese della cucina (frigo, lavapiatti, etc.) arrivano da un'altra linea, ma non da questa.
adesso non scatta nulla... ma porc....
Direi di si, sono sanissimi.
Mia moglie dice che un paio di anni fa aveva fatto cambiare il fornello a gas che usa l'elettricità solo per il piezo dell'accensione e con l'occasione avevano cambiato "i fili" ed infatti li vedo nuovi rispetto ad altri in giro.
Vedendo meglio le cose stanno così:
sul muro del piano lavoro c'è una 503: li arrivano i cavi dal quadretto di casa.
In questa scatola c'è una presa elettrica per frullatore, e cose del genere, c'è anche un interruttore bipolare da 16A dal quale partono i cavi nuovi che vanno 1 metro e mezzo sotto dove c'è un'altra 503 con dentro due prese (quelle cambiate ieri) una shuko per il forno e una piccola 10A per il fornello.
Le altre prese della cucina (frigo, lavapiatti, etc.) arrivano da un'altra linea, ma non da questa.
adesso non scatta nulla... ma porc....
-

sonusfaber
254 2 6 - Expert

- Messaggi: 407
- Iscritto il: 8 gen 2015, 1:49
0
voti
sarà la somma di piccole dispersioni che fa intervenire il diff...
quando ti ho chiesto se hai provato anche con gli altri MT spenti, chiedevo per capire se hai avuto interventi del differenziale anche con tutto il resto dell'impianto spento
quando ti ho chiesto se hai provato anche con gli altri MT spenti, chiedevo per capire se hai avuto interventi del differenziale anche con tutto il resto dell'impianto spento
0
voti
pakk ha scritto:sarà la somma di piccole dispersioni che fa intervenire il diff...
quando ti ho chiesto se hai provato anche con gli altri MT spenti, chiedevo per capire se hai avuto interventi del differenziale anche con tutto il resto dell'impianto spento
si si ho capito il senso della domanda.
comunque ho provato a isolare tutto il resto ieri... stesso problema.
Adesso non lo fa più... eppure ieri pioveva come piove oggi...
comunque... mi fa davvero strano che il tester su modalità tensione faccia intervenire il differenziale tra fase e neutro, ma non tra fase e terra... il tester non è una porcheria, mi fido... e in modalità tensione non ha una impedenza di ingresso infinita, ma quasi. ed infatti per far intervenire i differenziali in una misura fase terra devo metterlo in modalità bassa impedenza che è fatta apposta per eliminare gli effetti dell'accoppiamento tra circuiti e per indurre un corrente tale da far intervenire apposta le protezioni.
b oh... mistero...
grazie comunque!
-

sonusfaber
254 2 6 - Expert

- Messaggi: 407
- Iscritto il: 8 gen 2015, 1:49
0
voti
Ammesso di aver ben interpretato lo schema che interessa la parte di circuito sospettata di dispersione elettrica :
direi che andrebbero verificati i conduttori che collegano le due 503, e non ultimo l'interruttore bipolare.
La verifica di isolamento dei conduttori e delle connessioni della resistenza del forno vanno realizzate con strumento adatto, il classico multimetro non è adatto a questo tipo di misura; ovviamente la misura di isolamento dei conduttori va fatta senza nulla collegato lungo la loro linea o pinzato nelle relative prese, altrimenti si falsa la misura.
direi che andrebbero verificati i conduttori che collegano le due 503, e non ultimo l'interruttore bipolare.
La verifica di isolamento dei conduttori e delle connessioni della resistenza del forno vanno realizzate con strumento adatto, il classico multimetro non è adatto a questo tipo di misura; ovviamente la misura di isolamento dei conduttori va fatta senza nulla collegato lungo la loro linea o pinzato nelle relative prese, altrimenti si falsa la misura.
I circuiti sono controcorrente. Seguono sempre la massa
-Per rispondere utilizza il tasto [RISPONDI] e non il tasto [CITA], grazie.-
-Per rispondere utilizza il tasto [RISPONDI] e non il tasto [CITA], grazie.-
15 messaggi
• Pagina 1 di 2 • 1, 2
Torna a Impianti, sicurezza e quadristica
Chi c’è in linea
Visitano il forum: Nessuno e 325 ospiti

Elettrotecnica e non solo (admin)
Un gatto tra gli elettroni (IsidoroKZ)
Esperienza e simulazioni (g.schgor)
Moleskine di un idraulico (RenzoDF)
Il Blog di ElectroYou (webmaster)
Idee microcontrollate (TardoFreak)
PICcoli grandi PICMicro (Paolino)
Il blog elettrico di carloc (carloc)
DirtEYblooog (dirtydeeds)
Di tutto... un po' (jordan20)
AK47 (lillo)
Esperienze elettroniche (marco438)
Telecomunicazioni musicali (clavicordo)
Automazione ed Elettronica (gustavo)
Direttive per la sicurezza (ErnestoCappelletti)
EYnfo dall'Alaska (mir)
Apriamo il quadro! (attilio)
H7-25 (asdf)
Passione Elettrica (massimob)
Elettroni a spasso (guidob)
Bloguerra (guerra)



