Buongiorno, vi riporto un esercizio di cui non è indicata la soluzione.
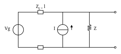
E' richiesto di minimizzare la corrente di corto circuito del seguente circuito autonomo.
Esercizio microonde
Moderatori:
carloc,
g.schgor,
BrunoValente,
IsidoroKZ
11 messaggi
• Pagina 1 di 2 • 1, 2
0
voti
purtroppo l'ho riportato così com'era indicato, sono interdetto...
0
voti
Dici microonde, ma il circuito sembra un esercizio di elettrotecnica. A meno che le due impedenze in serie a Vg non rappresentino una linea.
Qual e` il grado di liberta` che hai, su cui agire? Se puoi scegliere Z, fai come dice
MarcoD e metti Z=0
Se invece le due impedenze rappresentano una linea di trasmissione, fai la linea lunga un quarto d'onda e usa un generatore I (con fase opportuna, visto che non hai indicato quella su Vg), di valore Vg/Zc.
Viene un circuito degenere, con due generatori di corrente in parallelo, ma in linea di principio potrebbe andare.
Se l'esercizio e` stampato da qualche parte, allega la scansione dell'esercizio!
Qual e` il grado di liberta` che hai, su cui agire? Se puoi scegliere Z, fai come dice
Se invece le due impedenze rappresentano una linea di trasmissione, fai la linea lunga un quarto d'onda e usa un generatore I (con fase opportuna, visto che non hai indicato quella su Vg), di valore Vg/Zc.
Viene un circuito degenere, con due generatori di corrente in parallelo, ma in linea di principio potrebbe andare.
Se l'esercizio e` stampato da qualche parte, allega la scansione dell'esercizio!
Per usare proficuamente un simulatore, bisogna sapere molta più elettronica di lui
Plug it in - it works better!
Il 555 sta all'elettronica come Arduino all'informatica! (entrambi loro malgrado)
Se volete risposte rispondete a tutte le mie domande
Plug it in - it works better!
Il 555 sta all'elettronica come Arduino all'informatica! (entrambi loro malgrado)
Se volete risposte rispondete a tutte le mie domande
0
voti
Se ho ben capito:
Zc,l rappresenta i parametri di una linea di trasmissione di impedenza caratteristica Zc e lunga l.
Se l = 1/4 d'onda, quando l'uscita è in cortocircuito l'impedenza vista da lato Vg è teoricamente infinita e il generatore Vg risulta non caricato.
73 a Isidoro.
Zc,l rappresenta i parametri di una linea di trasmissione di impedenza caratteristica Zc e lunga l.
Se l = 1/4 d'onda, quando l'uscita è in cortocircuito l'impedenza vista da lato Vg è teoricamente infinita e il generatore Vg risulta non caricato.
73 a Isidoro.
0
voti
Si
MarcoD Zc , l sono i parametri di una linea.
A questo punto ho pensato che la cosa migliore fosse fare l'equivalente di Norton visto prima di Z, e per semplicità anche la linea e il generatore di tensione si potrebbero trasformare in un equivalente di Thevenin.
A questo punto ho pensato che la cosa migliore fosse fare l'equivalente di Norton visto prima di Z, e per semplicità anche la linea e il generatore di tensione si potrebbero trasformare in un equivalente di Thevenin.
0
voti
Io penso che la cosa migliore sia allegare al messaggio la foto del testo originale (se c'e`)!
Per usare proficuamente un simulatore, bisogna sapere molta più elettronica di lui
Plug it in - it works better!
Il 555 sta all'elettronica come Arduino all'informatica! (entrambi loro malgrado)
Se volete risposte rispondete a tutte le mie domande
Plug it in - it works better!
Il 555 sta all'elettronica come Arduino all'informatica! (entrambi loro malgrado)
Se volete risposte rispondete a tutte le mie domande
0
voti
Su quale valore puoi agire per minimizzare la corrente di cortocircuito?
Per usare proficuamente un simulatore, bisogna sapere molta più elettronica di lui
Plug it in - it works better!
Il 555 sta all'elettronica come Arduino all'informatica! (entrambi loro malgrado)
Se volete risposte rispondete a tutte le mie domande
Plug it in - it works better!
Il 555 sta all'elettronica come Arduino all'informatica! (entrambi loro malgrado)
Se volete risposte rispondete a tutte le mie domande
0
voti
IsidoroKZ ha scritto:Su quale valore puoi agire per minimizzare la corrente di cortocircuito?
Solo su Z
11 messaggi
• Pagina 1 di 2 • 1, 2
Chi c’è in linea
Visitano il forum: Majestic-12 [Bot] e 52 ospiti

Elettrotecnica e non solo (admin)
Un gatto tra gli elettroni (IsidoroKZ)
Esperienza e simulazioni (g.schgor)
Moleskine di un idraulico (RenzoDF)
Il Blog di ElectroYou (webmaster)
Idee microcontrollate (TardoFreak)
PICcoli grandi PICMicro (Paolino)
Il blog elettrico di carloc (carloc)
DirtEYblooog (dirtydeeds)
Di tutto... un po' (jordan20)
AK47 (lillo)
Esperienze elettroniche (marco438)
Telecomunicazioni musicali (clavicordo)
Automazione ed Elettronica (gustavo)
Direttive per la sicurezza (ErnestoCappelletti)
EYnfo dall'Alaska (mir)
Apriamo il quadro! (attilio)
H7-25 (asdf)
Passione Elettrica (massimob)
Elettroni a spasso (guidob)
Bloguerra (guerra)





