Ciao a tutti!
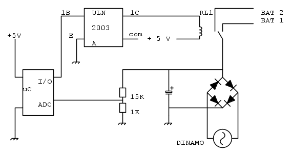
Ho un problema con il circuito che vedete in allegato: ogni volta che il controllore eleva la tensione della porta di I/O (Su cui è posta una resistenza di pull-down che non ho messo nel circuito) a 5V, questo causa un crash nel microcontrollore impossibile a livello firmware che lo fa riavviare.
Ho tentato vari test anche con l'ausilio di un oscilloscopio senza venirne a capo. ho tentato di inserire un diodo a risposta rapida (1N4148) inverso tra VCC e la massa pilotata dall'ULN2003A senza ottenere cambiamenti.
Il circuito serve a misurare la tensione mediante partitore di un motore utilizzato come generatore, la corrente generata passa quindi per un regolatore di carica e viene inviata ad una prima o una seconda batteria (La scelta viene fatta dal microcontrollore che agisce sul relé)
faccio presente che viene condivisa da tutti i circuiti la stessa massa e che il relé utilizza la stessa alimentazione a 5V del circuito, che proviene da un alimentatore esterno regolabile.
Il circuito sembra notevolmente più stabile (Fino a non crashare mai) all'aumentare della tensione, fino a 5,5V che è il limite di funzionamento del microcontrollore. Ma io vorrei che tutto funzionasse anche ai normali 5V per non dire sottoalimentato fino a 4,8V.
Grazie dell'assistenza!
Luca
Misterioso problema con relé (Reazione di Lenz?)
Moderatori:
carloc,
g.schgor,
BrunoValente,
IsidoroKZ
46 messaggi
• Pagina 1 di 5 • 1, 2, 3, 4, 5
0
voti
oslinux ha scritto:Grazie dell'assistenza!
Stai stimolando la reazione di Renz NON di Lenz
Quando vedo uno schema come quello da te postato, sono tentato di cestinare il messaggio ... direi che sarebbe altamente consigliabile sostituirlo il prima possibile con l'equivalente FidoCadJ, o comunque ridisegnarlo "dignitosamente"
"Il circuito ha sempre ragione" (Luigi Malesani)
0
voti
Per lo stesso motivo mi sono spiegato male sul posizionamento del diodo che ho già tentato, ovvero appunto in antiparallelo alla bobina del relé, senza successo
Luca
0
voti
Grazie mir, troppo gentile :)
Scarico immediatamente FidoCadJ
Scarico immediatamente FidoCadJ
0
voti
marco438 ha scritto:Mir sei troppo buono, ti faranno santo!
grazie marco438, ma non esageriamo,del resto anche a me hanno spiegato come funzionava fidocadj ed ho ancora molto da imparare..
46 messaggi
• Pagina 1 di 5 • 1, 2, 3, 4, 5
Chi c’è in linea
Visitano il forum: Nessuno e 167 ospiti

Elettrotecnica e non solo (admin)
Un gatto tra gli elettroni (IsidoroKZ)
Esperienza e simulazioni (g.schgor)
Moleskine di un idraulico (RenzoDF)
Il Blog di ElectroYou (webmaster)
Idee microcontrollate (TardoFreak)
PICcoli grandi PICMicro (Paolino)
Il blog elettrico di carloc (carloc)
DirtEYblooog (dirtydeeds)
Di tutto... un po' (jordan20)
AK47 (lillo)
Esperienze elettroniche (marco438)
Telecomunicazioni musicali (clavicordo)
Automazione ed Elettronica (gustavo)
Direttive per la sicurezza (ErnestoCappelletti)
EYnfo dall'Alaska (mir)
Apriamo il quadro! (attilio)
H7-25 (asdf)
Passione Elettrica (massimob)
Elettroni a spasso (guidob)
Bloguerra (guerra)







