Cos'è ElectroYou | Login Iscriviti

ElectroYou - la comunità dei professionisti del mondo elettrico

Dubbio su risoluzione esercizio

Circuiti, campi elettromagnetici e teoria delle linee di trasmissione e distribuzione dell’energia elettrica

Moderatori: Foto Utenteg.schgor, Foto UtenteIsidoroKZ

0
voti

[1] Dubbio su risoluzione esercizio

Messaggioda Foto UtenteElectron86 » 6 lug 2012, 10:45

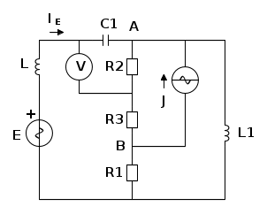
Salve a tutti!Sto provando da un po' di tempo a risolvere il circuito che ho allegato in questo stesso post, ma poiché il risultato non esce corretto ho deciso di chiedere qualche chiarimento e di esporre brevemente il modo in cui lo sto risolvendo io nella speranza che magari qualcuno di voi mi possa dare un suggerimento. La traccia chiede di rilevare la differenza di potenziale tra i dui punti indicati sul circuito allegato. Ora spiego brevemente come ho proceduto io facendo notare che L1 e C1 so che sono in risonanza serie.
Io ho applicato prima thevenin nei nodi in cui si inseriscono i morsetti di e(t) di mo do da ottenere un semplice circuito in cui vi sono due generatori, che sono appunto e(t) e Vequ.di thevenin con in serie la Requ. A quel punto posso ottenre la corrente che scorre nel ramo in cui è inserito e(t) e posso così calcolare la caduta di potenziale hai capi di C1 (poi la tensione è nulla ai capi della serie ma non dei singoli componenti in risonanza). la mia difficoltà ora nel capire come posso trovare la diff di potenziale ai capi di R3 che serve per sommarla a quella di C1 e ottenere così la lettura del voltmetro. Grazie in anticipo
edit Lele: gli schemi dei circuiti vanno postati con fidocadJ ;-)
Ultima modifica di Foto UtenteLele_u_biddrazzu il 6 lug 2012, 11:02, modificato 1 volta in totale.
Motivazione: Eliminata immagine "lenzuolo" del circuito. Usa fidocadJ ;)
Avatar utente
Foto UtenteElectron86
8 3
 
Messaggi: 24
Iscritto il: 29 giu 2012, 21:28

2
voti

[2] Re: Dubbio su risoluzione esercizio

Messaggioda Foto Utentemrc » 6 lug 2012, 10:51

Ciao Foto UtenteElectron86.

Ti consiglio di disegnare il circuito usando Fidocadj.

A questi link trovi alcune guide all' uso.

http://www.electroyou.it/darwinne/wiki/ ... electroyou

http://www.electroyou.it/darwinne/wiki/fidocadj

http://www.electroyou.it/elettrodomus/w ... -per-tonni

Inoltre ti consiglio di usare per le formule, LaTex:

http://www.codecogs.com/latex/eqneditor.php

questa è una piccola guida al suo uso:

http://www.electroyou.it/mrc/wiki/intro ... o-di-latex
Avatar utente
Foto Utentemrc
10,5k 6 11 13
Expert EY
Expert EY
 
Messaggi: 4023
Iscritto il: 16 apr 2009, 9:32

1
voti

[3] Re: Dubbio su risoluzione esercizio

Messaggioda Foto UtenteElectron86 » 6 lug 2012, 12:18

Chiedo scusa! Correggo subito


Edit----------- aggiungo dati mancanti

E=20\ \mathrm{V} ;J=3\ \mathrm{A}
e(t)=\sqrt{2}\cdot E\cdot \sin(\omega t+2\pi/3)\ \mathrm{V} che io ho trasformato in funzione cosinusoidale aggiungendo \pi/2 alla fase)

j(t)=\sqrt{2}\cdot J\cdot \cos(\omega t)\ \mathrm{A}
Avatar utente
Foto UtenteElectron86
8 3
 
Messaggi: 24
Iscritto il: 29 giu 2012, 21:28

0
voti

[4] Re: Dubbio su risoluzione esercizio

Messaggioda Foto Utentelillo » 6 lug 2012, 14:51

Electron86 ha scritto:L1 e C1 so che sono in risonanza serie.

nello schema io vedo L e C1 in serie :ok:
Comunque io applicherei la sovrapposizione degli effetti, i due circuiti si semplificano notevolmente.

Edit (15.07) c.v.d.
Avatar utente
Foto Utentelillo
20,5k 7 12 13
G.Master EY
G.Master EY
 
Messaggi: 4172
Iscritto il: 25 nov 2010, 11:30
Località: Nuovo Mondo

6
voti

[5] Re: Dubbio su risoluzione esercizio

Messaggioda Foto UtenteRenzoDF » 6 lug 2012, 14:54

Io, ridisegnata la rete in modo più "canonico"

applicherei la sovrapposizione per scrivere (lascio indicati E e J in quanto mancano i dati relativi)

\begin{align}
  & V_{AB}=E\frac{(R_{1}+R_{2})}{R_{1}+R_{2}+R_{3}}+JR_{1}||(R_{2}+R_{3})=\frac{4}{7}E+\frac{60}{7}J \\ 
 & I_{E}=\frac{E}{R_{1}+R_{2}+R_{3}}+\frac{E}{j\omega L_{1}}-J\frac{(R_{2}+R_{3})}{R_{1}+R_{2}+R_{3}} \\ 
 & =\left( \frac{1}{35}+\frac{1}{j30} \right)E-\frac{4}{7}J \\ 
\end{align}

e quindi, supposto di usare fasori a valore massimo, l'indicazione del voltmetro sarà

V=\frac{1}{\sqrt{2}}\left| \frac{V_{AB}}{2}+\frac{I_{E}}{j\omega C_{1}} \right|

Alternativamente si potrebbe applicare Millman per la VAB

V_{AB}=\frac{\frac{E}{R_{1}}+J}{\frac{1}{R_{1}}+\frac{1}{R_{2}+R_{3}}}=\frac{4}{7}\left( E+15J \right)

e calcolare successivamente la IE sommando a quella del GIT quella relativa al ramo induttivo di L1

I_{E}=\frac{E-V_{AB}}{R_{3}}+\frac{E}{j\omega L_{1}}
"Il circuito ha sempre ragione" (Luigi Malesani)
Avatar utente
Foto UtenteRenzoDF
55,9k 8 12 13
G.Master EY
G.Master EY
 
Messaggi: 13189
Iscritto il: 4 ott 2008, 9:55

0
voti

[6] Re: Dubbio su risoluzione esercizio

Messaggioda Foto UtenteElectron86 » 6 lug 2012, 15:12

Grazie mille mi siete stati tutti molto utili!
Avatar utente
Foto UtenteElectron86
8 3
 
Messaggi: 24
Iscritto il: 29 giu 2012, 21:28


Torna a Elettrotecnica generale

Chi c’è in linea

Visitano il forum: Nessuno e 40 ospiti