Un saluto a tutti.
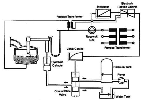
Sto scrivendo la tesi magistrale e mi trovo nella situazione di dover disegnare alcuni schemi di massima degli argomenti che tratto. In particolare sto trattando il controllo automatico di un forno ad arco EAF che ho sviluppato per un'azienda. Un esempio sarebbe l'immagine che segue:
FidoCad, nonostante sappia usarlo abbastanza bene, mi risulta un po' limitato per questo scopo (più che altro ci metto troppo tempo per la singola immagine). Ho provato anche SmartDraw ma mi sono trovato davvero male.
Mi servirebbe un mini-cad facile da utilizzare e senza troppe pretese, a me sono sufficienti degli schemini 2-D di complessità comparabile all'immagine sopra.
Vi ringrazio per ogni eventuale consiglio.
CAD semplice per disegni tesi
17 messaggi
• Pagina 1 di 2 • 1, 2
3
voti
Il futuro appartiene a coloro che credono nella bellezza dei propri sogni.
Formule LaTeX
Uso di LaTeX sul forum
⋮ƎlectroYou
Formule LaTeX
Uso di LaTeX sul forum
⋮ƎlectroYou
0
voti
Più so e più mi accorgo di non sapere.
Qualsiasi cosa abbia scritto, tieni presente che sono ancora al mio primo rocchetto di stagno.
Qualsiasi cosa abbia scritto, tieni presente che sono ancora al mio primo rocchetto di stagno.
2
voti
Esperto, adesso non esageriamo; non sono ancora verde io 
Il futuro appartiene a coloro che credono nella bellezza dei propri sogni.
Formule LaTeX
Uso di LaTeX sul forum
⋮ƎlectroYou
Formule LaTeX
Uso di LaTeX sul forum
⋮ƎlectroYou
1
voti
Ti consiglio di fare una ricerca su qualsiasi motore di blocchi CAD, potresti trovare i componenti che ti servono senza troppi sbattimenti.


Non cercare di piegare il cucchiaio. È impossibile. Cerca invece di fare l'unica cosa saggia: giungere alla verità. Il cucchiaio non esiste. Allora ti accorgerai che non è il cucchiaio a piegarsi, ma sei tu stesso!
11
voti
simo85 ha scritto:Se assumimircome fido-disegnatore ...
...
17 messaggi
• Pagina 1 di 2 • 1, 2
Torna a Programmi applicativi: simulatori, CAD ed altro
Chi c’è in linea
Visitano il forum: Nessuno e 12 ospiti

Elettrotecnica e non solo (admin)
Un gatto tra gli elettroni (IsidoroKZ)
Esperienza e simulazioni (g.schgor)
Moleskine di un idraulico (RenzoDF)
Il Blog di ElectroYou (webmaster)
Idee microcontrollate (TardoFreak)
PICcoli grandi PICMicro (Paolino)
Il blog elettrico di carloc (carloc)
DirtEYblooog (dirtydeeds)
Di tutto... un po' (jordan20)
AK47 (lillo)
Esperienze elettroniche (marco438)
Telecomunicazioni musicali (clavicordo)
Automazione ed Elettronica (gustavo)
Direttive per la sicurezza (ErnestoCappelletti)
EYnfo dall'Alaska (mir)
Apriamo il quadro! (attilio)
H7-25 (asdf)
Passione Elettrica (massimob)
Elettroni a spasso (guidob)
Bloguerra (guerra)










