Buongiorno,
mentre stavo facendo manutenzione su un quadro elettrico, sfogliando gli schemi, mi sono imbattuto in questo collegamento.
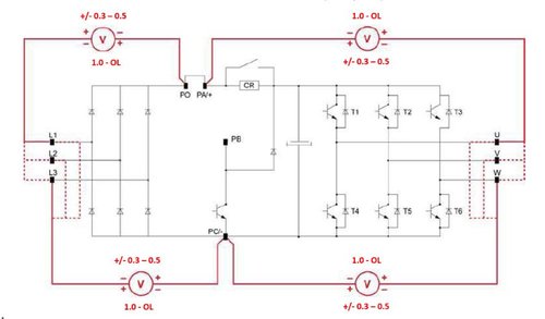
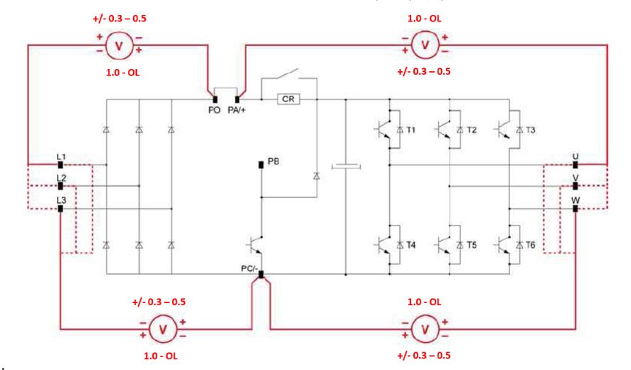
Come mai ai capi dei morsetti P0 e PA/+ vi è collegata un induttanza?
Non mi è mai capitato di vedere un collegamento simile.
L'inverter è un ATV71 della Schneider
Induttanza e resistenza di frenatura
Moderatori:
dimaios,
carlomariamanenti
4 messaggi
• Pagina 1 di 1
6
voti
Ciao
Ricu96, quasi certamente quell'induttanza (di solito opzionale) è in serie al raddrizzatore, cioè tra i diodi e il banco condensatori di bus. È un modo per ridurre la distorsione armonica della corrente assorbita dalla rete.
È una configurazione abbastanza comune, mi pare.
Per avere conferma che si tratti di questo, occorrerebbe guardare lo schema interno (di principio), dove mi aspetto sia indicato come primo "blocco funzionale" (partendo dalla rete) il raddrizzatore, poi il morsetto P0, mentre il morsetto PA/+ sarà connesso al positivo del bus DC.
In assenza dell'induttore, ovviamente, servirà un ponticello.
È una configurazione abbastanza comune, mi pare.
Per avere conferma che si tratti di questo, occorrerebbe guardare lo schema interno (di principio), dove mi aspetto sia indicato come primo "blocco funzionale" (partendo dalla rete) il raddrizzatore, poi il morsetto P0, mentre il morsetto PA/+ sarà connesso al positivo del bus DC.
In assenza dell'induttore, ovviamente, servirà un ponticello.
-

SandroCalligaro
2.970 2 4 5 - G.Master EY

- Messaggi: 1181
- Iscritto il: 6 ago 2015, 19:25
2
voti
Confermo quanto scritto da
SandroCalligaro, sul sito Schneider c'è uno schema interno di massima, allo scopo di effettuare un check del drive:
l'induttanza è proprio tra il ponte raddrizzatore ed il resto del bus DC, in alternativa o in accoppiata possono anche essere installate sulla linea 3AC in ingresso.
l'induttanza è proprio tra il ponte raddrizzatore ed il resto del bus DC, in alternativa o in accoppiata possono anche essere installate sulla linea 3AC in ingresso.
4 messaggi
• Pagina 1 di 1
Torna a Automazione industriale ed azionamenti
Chi c’è in linea
Visitano il forum: Nessuno e 3 ospiti

Elettrotecnica e non solo (admin)
Un gatto tra gli elettroni (IsidoroKZ)
Esperienza e simulazioni (g.schgor)
Moleskine di un idraulico (RenzoDF)
Il Blog di ElectroYou (webmaster)
Idee microcontrollate (TardoFreak)
PICcoli grandi PICMicro (Paolino)
Il blog elettrico di carloc (carloc)
DirtEYblooog (dirtydeeds)
Di tutto... un po' (jordan20)
AK47 (lillo)
Esperienze elettroniche (marco438)
Telecomunicazioni musicali (clavicordo)
Automazione ed Elettronica (gustavo)
Direttive per la sicurezza (ErnestoCappelletti)
EYnfo dall'Alaska (mir)
Apriamo il quadro! (attilio)
H7-25 (asdf)
Passione Elettrica (massimob)
Elettroni a spasso (guidob)
Bloguerra (guerra)


