Questo è il mio terzo articolo qui su Electroyou . Questa volta vorrei parlare di un'esperimento che ho fatto a scuola . Il professore mi aveva chiesto di realizzare un'impianto che comandasse sei motori in successione .
Indice |
Occorrente
- 7 contattori
- 1 pulsante N.A
- 1 pulsante N.C
- 1 pulsante con contatto di scambio N.A-N.C
- 6 motori
Circuito di potenza
Nel circuito di potenza vengono utilizzati 6 motori asincroni monofase :
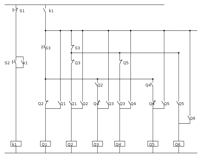
Il circuito di comando
Il circuito di potenza non rappresenta particolari difficoltà .Il circuito di comando rappresenta qualche difficoltà in più rispetto a quello di potenza :
== Funzionamento == Il pulsante S1 è il pulsante di arresto mentre il pulsante S2 è il pulsante di marcia . Il contattore K1 è detto il contattore di marcia ed è a capo di tutto il circuito . Premendo il pulsante S2 si eccita K1 e quindi successivamente si può premere S3 che eccita il contattore Q1 rilasciando S3 si eccita Q2; Ripremendo S3 si eccita Q5 e rilasciando S3 si eccita il contattore Q6 completando così il ciclo manuale . A questo punto tutti i motori sono in funzione . Per arrestarli bisogna premere il pulsante S1 che diseccita il contattore K1 di marcia .
Il diagramma di lavoro
Particolari Ringraziamenti
Il ringraziamento più grande ovviamente va a mio NONNO che mi ha aiutato nel creare lo schema di comando e il diagramma di lavoro .Spero vi sia piaciuto

Elettrotecnica e non solo (admin)
Un gatto tra gli elettroni (IsidoroKZ)
Esperienza e simulazioni (g.schgor)
Moleskine di un idraulico (RenzoDF)
Il Blog di ElectroYou (webmaster)
Idee microcontrollate (TardoFreak)
PICcoli grandi PICMicro (Paolino)
Il blog elettrico di carloc (carloc)
DirtEYblooog (dirtydeeds)
Di tutto... un po' (jordan20)
AK47 (lillo)
Esperienze elettroniche (marco438)
Telecomunicazioni musicali (clavicordo)
Automazione ed Elettronica (gustavo)
Direttive per la sicurezza (ErnestoCappelletti)
EYnfo dall'Alaska (mir)
Apriamo il quadro! (attilio)
H7-25 (asdf)
Passione Elettrica (massimob)
Elettroni a spasso (guidob)
Bloguerra (guerra)


