Indice |
Introduzione
Vorrei presentare un mio progetto molto semplice. Si tratta di un convertitore analogico digitale a due bit, del tipo a comparatori in parallelo, eseguito con componenti discreti.
Sicuramente questo è un tipo di circuito molto comune ed in oltre è molto poco performante, considerando che esistono dei convertitori A/D molto più precisi con una risoluzione molto più grande.
Comunque considerando che questo l' ho fatto io, ho il piacere di renderlo pubblico.
In questo articolo presento la prima versione del progetto eseguito con componenti che avevo a disposizione,
poi nel paragrafo miglioramenti indico quelle che secondo me sono le modifiche da apportare per rendere il circuito
più funzionale.
Questa realizzazione può essere utilizzata, ad esempio, come applicazione didattica per chi è alle prime armi con
l’ elettronica o come complemento per altri circuiti, adattandolo.
Descrizione
Questo circuito genera tramite le due uscite un codice binario a due bit che varia al variare della tensione in ingresso, con 0V si ha un codice 00 con circa 10V si ha in uscita 11.
Vediamo il circuito completo:
Il circuito è composto da tre sezioni.
La prima è relativa ai comparatori che per la precisione sono quattro.
La seconda è composta dal circuito combinatorio a porte logiche.
La terza è costituita dal circuito di visualizzazione composto da due led comandati dai relativi transistor.
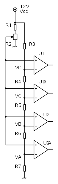
Prima sezione
Questo è lo schema elettrico della sezione comparatori.
Dove: U1=U2=TL082 R1 ed il potenziometro R2 costituiscono il circuito tramite il quale si genera la tensione variabile da 0a 10 V applicata agli ingressi positivi dei comparatori per essere confrontata con il valore di tensione fissa, presente ai rispettivi ingressi negativi. Partendo con la tensione a 0V sugli ingressi positivi, le rispettive uscite sono a livello 0V man mano che si aumenta , tramite il potenziometro R2, la tensione le rispettive uscite commutano a livello alto circa 11.5V. Viceversa diminuendo la tensione da 10V a 0V le uscite dei comparatori commutano dal livello alto a 0V. La tensione fissa applicata agli ingressi dei comparatori, denominati VA, VB, VC ,VD è calcolata usando il principio del partitore, considerando la corrente in ingresso agli operazionali nulla.
Usando i seguenti valori di resistenze:
R1 = 470Ω
Potenziometro
ho ottenuto i valori di tensione che risultano dalle seguenti funzioni considerando una tensione di alimentazione Vcc di 12V:
Naturalmente si puo' compiere l' operazione inversa cioè decidere il valore di tensione delle soglie imporre un valore per le resistenze R4,R5,R6 e ricavare il valore delle resistenze R3,R7.
Seconda sezione
Questa sezione serve per convertire le uscite dei comparatori in codice binario a due bit. La tabella della verità che ho voluto ottenere è la seguente:
| A | B | C | D | Y1 | Y2 |
| 0 | 0 | 0 | 0 | 0 | 0 |
| 0 | 0 | 0 | 1 | 0 | 0 |
| 0 | 0 | 1 | 1 | 0 | 1 |
| 0 | 1 | 1 | 1 | 1 | 0 |
| 1 | 1 | 1 | 1 | 1 | 1 |
Da cui si ricava, per l’ uscita Y1:
semplificando:
Y1 = BCD
Per l' uscita Y2:
semplificando:
Dalle due equazioni sopra descritte ottengo il seguente circuito:
Dove: U4=4081 U5=4077
Terza sezione
La terza sezione è costituita dai due transistor Q1 e Q2 dalla relativa polarizzazione e dai due led che permettono di visualizzare i bit corrispondenti alla tensione in ingresso. Quando sulla resistenza di base è presente un livello alto i transistor saturano accendendo il relativo LED.
Elenco componenti
U1=U2=TL082 http://www.datasheetcatalog.org/datasheet/nationalsemiconductor/DS008357.PDF
U4=4081 http://synthdiy.com/files/2002/hef4081b.pdf
U5=4077 http://ics.nxp.com/products/hef/datasheet/hef4077b.pdf
Q1=Q2=BC107 http://www.datasheetcatalog.org/datasheet/philips/BC107_108_109_4.pdf
R1=470 ohm1/2W
R2=100 k potenziometro
R4=R5=R6=100 kohm 1/4W
R3=R7=56 kohm 1/4W
R8=R9=4700 ohm 1/4W
R10=R11=1 kohm 1/4W
Occorre inoltre inserire tra il pin positivo di alimentazione, di ogni singolo circuito integrato, e la relativa massa un condensatore ceramico del valore di 100KpF.
Con questi componenti ho ottenuto i seguenti valori di tensione corrispondenti ai bit di uscita:
| CORRISPONDENZA | TRA TENSIONE IN | INGRESSO E | bit IN USCITA. |
|---|---|---|---|
| Y1 | Y2 | Vin | |
| 0 | 0 | 0V | |
| 0 | 0 | 1.7V | |
| 0 | 1 | 4.6V | |
| 1 | 0 | 7.4V | |
| 1 | 1 | 10.2V |
Miglioramenti
In questo paragrafo voglio indicare i miglioramenti che, a mio avviso, si possono apportare al circuito per renderlo più funzionale.
La prima modifica riguarda gli operazionali usati come comparatori io ho usato i TL082 ma andrebbero usati degli operazionali nati come comparatori ad esempio LM311, ricordandosi di inserire una resistenza di pullup sulle uscite in quanto queste ultime sono opencollector. Perchè usando il TL082 il livello 0 non è a 0V ma ad un valore di circa 1.5V, usando un' alimentazione singola.
La seconda modifica riguarda le resistenze R4, R5, R6, R7, R3, volendo un valore di tensione preciso, servirebbero all' 1% visto che di questo tipo ne esistono di moltissimi valori e sono più stabili.
Avendo a disposizione molti valori intermedi, usando resistenze all '1%, si possono calcolare ed ottenere dei valori di tensione, calcolati utilizzando le formule di cui sopra, più "arrotondati", ad esempio: ottenere un 10.0V invece di un 10.2V.
Presenterò la versione migliorata di questo circuito in un secondo articolo.

Elettrotecnica e non solo (admin)
Un gatto tra gli elettroni (IsidoroKZ)
Esperienza e simulazioni (g.schgor)
Moleskine di un idraulico (RenzoDF)
Il Blog di ElectroYou (webmaster)
Idee microcontrollate (TardoFreak)
PICcoli grandi PICMicro (Paolino)
Il blog elettrico di carloc (carloc)
DirtEYblooog (dirtydeeds)
Di tutto... un po' (jordan20)
AK47 (lillo)
Esperienze elettroniche (marco438)
Telecomunicazioni musicali (clavicordo)
Automazione ed Elettronica (gustavo)
Direttive per la sicurezza (ErnestoCappelletti)
EYnfo dall'Alaska (mir)
Apriamo il quadro! (attilio)
H7-25 (asdf)
Passione Elettrica (massimob)
Elettroni a spasso (guidob)
Bloguerra (guerra)


