Indice |
Riassunto delle puntate precedenti
(si prega di leggere con voce greve e misteriosa)
"Ci fu un tempo in cui strani esseri dai capelli ritti per l'eccessiva esposizione a cariche elettriche virtuali vergavano strani segni su fogli di carta e si accompagnavano a gemiti di approvazione quando il loro lavoro giungeva alla misteriosa conclusione. Questi esseri leggendari erano gli ultimi depositari di un sapere antico che risaliva alla notte dei tempi, proprio nel momento in cui ci si accorse che di notte era necessaria la luce, e benché il loro arcano sapere venisse sempre contestato, queste entità sovrannaturali continuavano il loro oscuro lavoro. Poi vennero gli elettricisti e dimostrarono che bastavano da due a cinque fili (si, ho contato pure il PE), poi vennero gli elettronici e dimostrarono che se le correnti erano basse bastavano delle sottili piste di rame, infine vennero gli informatici e dissero che bastava pigiare qualche tasto. E fu così che l'antico sapere venne perduto. Ora di tanto in tanto vengono ritrovate antiche pergamene pregne di questa antica erudizione e frammenti di quello che fu vengono rivelati..."
Alcuni di questi frammenti sono QUI (parte 1) e QUI (parte 2)...
Il fatto che qui e qui in italiano si scriva allo stesso modo complica un po le cose ....
Introduzione
L'arcano mistero che regna sulle reti elettriche è stato svelato, anche se solo in parte, da consunti manoscritti. Essi furono ritrovati fra i meandri di un antico edificio dove gli archeologi suppongono si svolgessero antichi riti elettropagani.
Le resistenze si collegano in serie, in parallelo, in serie con un parallelo in parallelo con una serie e così via. Se gli elettrotecnici si dedicassero a più piacevoli attività (spaccare le pietre con una catena alla caviglia per esempio) molti problemi sarebbero risolti purtroppo no, loro vanno avanti per la loro strada e resta a noi poveri mortali cercare di capire cosa cercano e cosa vogliono dire e fare. Qualcuno mi sta suggerendo che anche io sono un elettrotecnico... si, certo!...
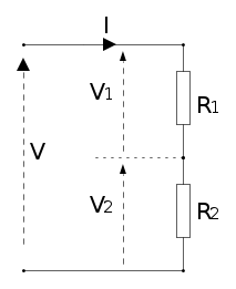
RETE ELETTRICA CON PIÙ DI UNA RESISTENZA...
Si consideri, ad esempio, la rete elettrica seguente e si vogliano calcolare le varie correnti e le varie tensioni presenti. Come si può notare (Fig.0) è presente un solo generatore (in questo caso di tensione) e collegate in vari modi più resistenze.
- CON PIÚ DI UNA RESISTENZA? Ma ce ne sono una infinità! E poi sono in serie, in parallelo? Chi ci capisce nulla!
- Che esagerazione sono solo sette! E poi su ognuna è riportata la tensione ai suoi capi e la corrente che vi circola.
- Allora se c'è tutto che bisogno c'è di studiarlo.
- È necessario conoscere le relazioni matematiche che ci sono fra loro per calcolare le grandezze incognite date altre.
Osservando, quindi, la rete di Fig.0: le resistenze indicate con R5 e R6 sono collegate entrambe fra i punti G e H e per quanto detto precedentemente sono in parallelo, ossia sottoposte alla stessa ddp che in questo caso è quella fra i punti G ed H, quindi si ha anche V5=V6=Vgh. Ma se R5 e R6 sono in parallelo si può sostituire a questa una unica resistenza equivalente:

così dal circuito originale si ha il seguente circuito equivalente (prima riduzione):
Da qui si nota ancora che R4 e Rp1 sono in serie poiché I4=Ip1 (per quanto già detto) ed anche in questo caso si può sostituire la serie con una resistenza equivalente,
Rs1 = R4 + Rp1
in tal caso il circuito equivalente ai due precedenti è (seconda riduzione):
Ed osservando meglio si nota che anche R2 ed R3 sono in serie in quanto I3=I4 allora (terza riduzione):
con
Rs2 = R2 + R3
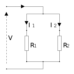
Dallo schema si nota ancora che Rs1 ed Rs2 sono attaccate... ehm collegate ai punti C e D del circuito, quindi entrambe sottoposte alla ddp fra questi due punti, tanto è che Vs1=Vs2=Vcd, pertanto sono in parallelo e quindi, essendo
si ha (quarta riduzione)
Infine (ma sarà veramante finita?) si nota che le ultime due resistenze rimaste sono in serie, la corrente che circola è la stessa per entrambe le resistenze I1=Ip1 che poi sono la stessa corrente che fluisce dal generatore: Itot. Allora, essendo:
Rtot = R1 + Rp2
si ha(ultima riduzione):
A furia di ridurre si può dire che il circuito finale è prorprio ridotto male, infatti aveva tante resistense ed ora ne ha una sola (la Req) che poi è quella che vede il generatore: una resistenza equivalente a tutte quelle presenti nel circuito iniziale.
Ne consegue che circola una unica corrente (chiamata Itot)e la tensione fra i punti A e B, VAB, del circuito è la stessa della fem del generatore: E.
Quindi tramite la legge di Ohm:

Sembrerebbe tutto finito ma, c'è sempre un ma.
Nota la Itot, osservando, a ritroso i circuiti via via ridotti si possono calcolare le varie correnti circolanti e le varie tensioni sulle resistenze.
- Fig.4. Essendo I1=Ip1=Itot, c'è una sola corrente, si possono calcolare:
e
.
Dovrebbe risultare che E = V1 + Vcd
Vcd è, ovviamente, la tensione sugli omonimi punti del circuito ed è quella applicata alla Rp2 che è la resistenza equivalente del parallelo tre Rs1 e Rs2
- Fig.3. Nota Vcd è semplice calcolare le correnti:
e
.
- Fig.1 (si, ho saltato la Fig.2). Calcolata I4 è facile il calcolo delle tensioni su R2 e R3:
e
(ovviamente I2=13)
Quì dovrebbe risultare Vcd = V2 + V3 ma non ci metto "i diti" nella presa (versione moderna della mano sul fuoco), se qualcuno sbaglia i calcoli... Equivalentemente, una volta determinata la I4 che è la corrente che circola sia in R4 che in Rp1 si calcolano:
e
,
con l'ovvia considerazione (calcoli ben eseguiti permettendo) che Vcd = V4 + Vgh
- Fig.0. La Vgh è quella che sta tra tali punti, come quali? G e H, quindi la tensione alla quale sono sottoposte le resistenze R5 e R6 è proprio Vgh quindi le ultime due correnti da determinare sono ora determinabili. ... Ah già! le relazioni in matematichese:
e
.
Infine dovrebbe risultare:
Itot = I2 + I4 e I4 = I5 + I6
ma ovviamente non metto i soliti "diti" nella solita presa perchè lascio le responsabilità a chi materialmente effettua i calcoli, anche perchè se è la calcolatrice a sbagliare ...
PARTITORI
PARTITORE DI TENSIONE
Siano date due resistenze in serie,
sia V la tensione che alimenta la serie e sia I la corrente che le attraversa.La tensione si ripartisce sulle due resistenze secondo le seguenti relazioni:
, 
__________________________________________________________________
nota - Spiegazione
Essendo le due resistenze in serie la resistenza equivalente sarà: Req = R1 + R2 pertanto la corrente circolante nella serie, per la legge di Ohm sarà:
. Essendo le c.d.t. sulle singole resistenze, sempre per la legge di Ohm:
e
Da cui le relazioni di sopra.
__________________________________________________________________
PARTITORE DI CORRENTE
Siano date due resistenze in parallelo,
sia I la corrente che alimenta la serie e sia V la tensione cje le alimenta. La corrente si ripartisce sulle due resistenze secondo le seguenti relazioni:
,
__________________________________________________________________
nota - Spiegazione
Spiegazione. Essendo le due resistenze in parallelo la resistenza equivalente sarà:
pertanto la tensione applicata al parallelo, per lalegge di Ohm sarà:
e da quì
e
, quindi le relazioni precedenti.
__________________________________________________________________
Conclusione
Nel tempo in cui quegli strani esseri cercavano di svelare il misterioso significato degli oscuri simboli vergati su carta ormai consunta da eoni ed eoni di consultazioni il tutto sarebbe stato chiaro ma oggi, che l'antico sapere è andato perduto, le misteriose parole di quegli antichi manoscritti hanno un significato ancora più oscuro pertanto se poco si è capito la colpa è di colui che ha cercato di svelare il mistero. Tuttavia, allo studioso che tanto tempo ha dedicato alla decrittazione delle antiche pergamene, non ci si apostrofi con frasi del tipo "Non dire parole arcane!" anche perchè, rintronato com'è, potrebbe rispondere in romanesco dicendo "Io ar cane nun ce parlo proprio!".
NEXT TIME
Maglie e Nodi. Le prime non si indossano i secondi non si sciolgono (ma vengono comunque al pettine). Dalle misteriose nebbie del tempo emergono le leggi di Kirchhoff
Cosa vede il Generatore? Cosa vede una Resistenza? EQUIVALENZA, un pochino è stato già detto (continua...)
__________________________________________________________________
nota - Post Scriptum o P.S. che dir si voglia
Ancora una volta è stata confusa la fem di un generatore con la tensione e con la ddp. A questo punto verrò condannato e admin cancellerà l'articolo, non ho ancora prodotto un alibi...

Elettrotecnica e non solo (admin)
Un gatto tra gli elettroni (IsidoroKZ)
Esperienza e simulazioni (g.schgor)
Moleskine di un idraulico (RenzoDF)
Il Blog di ElectroYou (webmaster)
Idee microcontrollate (TardoFreak)
PICcoli grandi PICMicro (Paolino)
Il blog elettrico di carloc (carloc)
DirtEYblooog (dirtydeeds)
Di tutto... un po' (jordan20)
AK47 (lillo)
Esperienze elettroniche (marco438)
Telecomunicazioni musicali (clavicordo)
Automazione ed Elettronica (gustavo)
Direttive per la sicurezza (ErnestoCappelletti)
EYnfo dall'Alaska (mir)
Apriamo il quadro! (attilio)
H7-25 (asdf)
Passione Elettrica (massimob)
Elettroni a spasso (guidob)
Bloguerra (guerra)







