Indice |
Cosa fa
Di seguito descrivo un programma ladder che ho realizzato con software step7 e simulato su PLC S7200. Si tratta di un sistema di movimentazione, costituito da tre nastri trasportatori ed un braccio meccanico. Quest' ultimo, ruotando in entrambi i sensi, preleva i pezzi dai nastri 1 e 2 e li deposita sul nastro 3; in fase di rotazione rimane sollevato grazie ad un pistone pneumatico a singolo effetto (l' elettrovalvola che lo comanda è alimentata dalle stesse uscite che abilitano i teleruttori di rotazione).
Descrizione del ciclo
Inizialmente il braccio si trova in posizione HOME. Premendo il pulsante i nastri si avviano. Non appena la fotocellula del nastro 1 o 2 rileva la presenza di un pezzo si attiva l' uscita Q0.3, che alimenta l' elettrovalvola di sollevamento e il teleruttore di rotazione antioraria del braccio (le bobine dei teleruttori di rotazione si eccitano con ritardo).
Raggiunto il nastro 1 o 2 il braccio si ferma e si abbassa; con alcuni secondi di ritardo (T38) si attiva l' uscita Q0.5, che comanda la pinza pneumatica di presa del pezzo. Dopo un istante (T39) si attiva l' uscita Q0.4 o Q0.3: di conseguenza il braccio si solleva e ruota in senso orario o antiorario (percorso più breve) fino a raggiungere il nastro 3. Con alcuni secondi di ritardo (T40) si disattiva l' uscita Q0.5 e la pinza si apre. Dopo un istante (T41) si attiva l' uscita Q0.3 o Q0.4 ed il braccio si sposta verso il nastro 1 o 2 per prelevare un altro pezzo (ha la priorità il pezzo che viene rilevato per primo dalla relativa fotocellula).
Se sui nastri 1 e 2 non è presente alcun pezzo il braccio si porta in posizione HOME e rimane in attesa. Premendo nuovamente il pulsante i nastri si arrestano ed il braccio, una volta depositato il pezzo, ritorna in posizione HOME.
Configurazione ingressi e uscite
- S0 - S1 - S2 - S3 : finecorsa rilevamento posizione braccio
- S4 : fotocellula presenza pezzo fine nastro 1
- S5 : fotocellula presenza pezzo fine nastro 2
- S7 : fotocellula presenza pezzo fine nastro 3
- P : pulsante marcia/arresto
- K0 : teleruttore motore nastro 1
- K1 : teleruttore motore nastro 2
- K2 : teleruttore motore nastro 3
- K3 : teleruttore rotazione braccio in senso antiorario
- K4 : teleruttore rotazione braccio in senso orario
- E1 : elettrovalvola comando pistone sollevamento braccio
- E2 : elettrovalvola comando comando pinza pneumatica
I teleruttori K3 e K4 devono avere un ritardo all' eccitazione, in modo tale che il braccio inizi a ruotare solo dopo essersi sollevato;
inoltre è opportuno prevedere un dispositivo meccanico che ne impedisca la simultanea eccitazione in caso di guasto ai diodi.
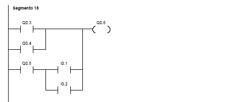
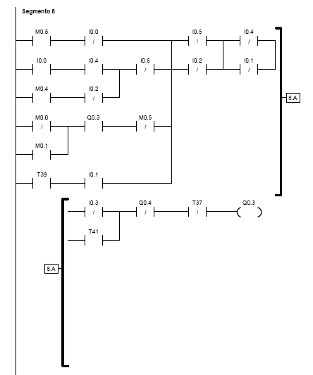
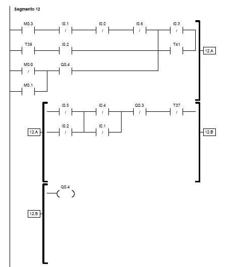
Il programma ladder
Risorse correlate
A questo indirizzo potete trovare altri esempi. Il filmato qui sotto può essere utile ai principianti che hanno già competenze di base sui circuiti a relè.
andreapg.altervista.org

Elettrotecnica e non solo (admin)
Un gatto tra gli elettroni (IsidoroKZ)
Esperienza e simulazioni (g.schgor)
Moleskine di un idraulico (RenzoDF)
Il Blog di ElectroYou (webmaster)
Idee microcontrollate (TardoFreak)
PICcoli grandi PICMicro (Paolino)
Il blog elettrico di carloc (carloc)
DirtEYblooog (dirtydeeds)
Di tutto... un po' (jordan20)
AK47 (lillo)
Esperienze elettroniche (marco438)
Telecomunicazioni musicali (clavicordo)
Automazione ed Elettronica (gustavo)
Direttive per la sicurezza (ErnestoCappelletti)
EYnfo dall'Alaska (mir)
Apriamo il quadro! (attilio)
H7-25 (asdf)
Passione Elettrica (massimob)
Elettroni a spasso (guidob)
Bloguerra (guerra)