Indice |
Abstract
Un incredibile software di simulazione, gratuito per ben 60 giorni. DA PROVARE !
Introduzione
Visto che gli ultimi articoli e discussioni del forum si indirizzano sulle simulazioni dinamiche dei sistemi, non possiamo non nominare VisSim™ della Visual Solutions®.
Un software che, dopo la modellazione del sistema attraverso blocchi funzionali, permette simulazioni complesse su sistemi, anche non lineari, in regime statico e dinamico.
La VisSim7 demo 60 dd, corredata da una vasta tipologia di modelli dimostrativi, presenta una libreria davvero completa; si spazia dal blocco "costante" a quello del "motore asincrono" e nell'ultima versione sono possibili anche simulazioni in 3D.
Se vi accontentate potete scaricare VisSim 3, FREE solo per uso personale e accademico.
Sono disponibili ulteriori modelli, video e tutorial.
Per un manuale utente (versione 4.5).
Ci riallacceremo qui a quanto esposto da g.schgor sui "calcolatori analogici" e sulla modellazione dei sistemi attraverso equazioni integro-differenziali in Reminiscenze di calcolo analogico.
Il Software
A dire il vero non so da dove cominciare ... le cose da dire sono veramente tante, ma andiamo per ordine partendo dalla finestra iniziale di VisSim.
Per caricare una simulazione di esempio, usiamo la sottofinestra di sinistra sotto:
Diagrams > Examples > Applications > ElectroMechanical > selezioniamo > ACmotor.
Oppure File > Open > C:\VisSim70\ ... \ACmotor.vsm.
A questo punto con un "F5" daremo il via alla simulazione.
Nella figura sono evidenziate e numerate, alcune zone importanti per la descrizione funzionale:
(sono state trascinate nella finestra di lavoro, per "ridotta visibilità", le barre Consumer e Annotation.)
- 1 La sottofinestra di navigazione blocchi, con struttura gerarchica ad albero, dove troviamo sia i blocchi base sia le strutture complesse, utilizzabili con un semplice drag&drop nella finestra di lavoro.
- 2 La sottofinestra di lavoro, nella quale si procede alla modellazione del sistema ed alla successiva simulazione.
- 3 La barra di controllo, dalla quale far partire e fermare la simulazione (start, stop, step).
- 4 La barra dei segnali di ingresso al sistema (scalino, rampa, impulso, ecc.).
- 5 La barra dei blocchi dinamici, nella quale riconosciamo i blocchi di integrazione e di ritardo condizionato.
- 6 Il MODELLO del sistema, composto da 3 sotto-modelli, 2 costanti di ingresso e 2 segnali d'uscita.
- 7 La sottofinestra di visualizzazione (in questo caso il Display 2D, al quale sono collegati 2 segnali: la Coppia ed il Numero di giri del motore.
- 8 La barra di stato, che fornisce informazioni sulla simulazione e, al passaggio del mouse, brevi descrizioni relative agli elementi dei menu.
Proprio controllando la barra di stato notiamo un Blks = 241 che sta a indicare il numero di blocchi elementari del modello in simulazione.
L'apparente semplicita' esterna dei tre moduli nasconde quindi qualcosa di molto piu' complesso!
Analisi
Inizieremo a questo punto ad analizzare il Modello editando in sequenza i 3 sotto-modelli, ordinati per crescente complessita'; allo scopo clicchiamo sulla sottofinestra sinistra, evidenziando il sottomodello r/s2rpm, come indicato dalla freccia (1) nella seguente immagine.
L'apertura del blocco conferma quello che molto probabilmente avevamo gia' intuito; una conversione da rad/s a giri/minuto; cogliamo l'occasione per descrivere questa semplice struttura a blocchi.
Riconosciamo:
- il segnale di ingresso Input signal (2) in radianti al secondo,
- la sequenza dei due blocchi "costanti" (60 e 3.14159) + 1 "variabile" (pi) + 1 "amplificatore" (2), attraverso un "divisore" (4), da come risultato 60/2pi,
- il successivo "moltipplicatore" (5) invia all'uscita (3) un Output signal pari a (60/2pi)*Input signal in revolutions per minute.
Possiamo ora passare al blocco 3_PHASE piu' complesso, ma ancora analizzabile senza particolari difficolta'; si tratta di un generatore di terna trifase.
Prima di aprire il blocco notiamo in ingresso due grandezze costanti: 257 e 364; rispettivamente la pulsazione e l'ampiezza della tensione di alimentazione (non chiedetemi il perche' della scelta, ma mi sono dimenticato di cambiarli con i piu' normali 314.16 e 400 :)
Una selezione a sinistra o un doppio click sul blocco fara' visualizzare la seguente struttura
Notiano come siano stati eliminati i collegamenti fisici fra i diversi blocchi; sostituiti dal semplice riferimento alla variabile.
In questo modo, lo sfasamento di 120 gradi (2.0944 rad) assegnato a :PHASE e la posizione angolare della terna :THETA_E (integrale [1/S] della pulsazione), possono essere usati in diversi punti del sotto-sistema con notevole risparmio di collegamenti incrociati.
E veniamo al cuore di questo modello, il blocco ACMotor(dq) che simula il comportamento di un motore asincrono.
Il modello e' ricavato da documentazione tecnica della "Motor Research Division ®"
(un doppio click sul blocco porta alla seguente schermata)
Ad un primo tentativo di interpretazione (ma anche al secondo :) , riconosciamo probabilmente:
- la velocita' angolare :Wr e la coppia all'albero :TE in uscita
- e le tre tensioni Van, Vbn, Vcn in ingresso
niente di piu'.
Forse i piu' attenti hanno individuato il blocco dq xform, che ha come ingresso la terna di alimentazione e da' come uscita una sola coppia di tensioni ... "la domanda sorge spontanea" ... "che non sia un blocco di trasformazione trifase → bifase ?" ... la risposta e' affermativa; si tratta della trasformazione di Clarke che insieme a quella di Park (pag.209), sono di base alla "Teoria Unificata delle macchine elettriche rotanti", ma la la nostra analisi si FERMA qui !
Penso di essere andato oltre quanto mi ero inizialmente prefissato, ma non preoccupatevi, stiamo per ritornare a situazioni molto, ma MOLTO piu' semplici!
Sintesi
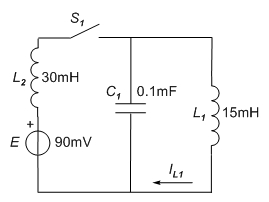
Dovendo scegliere un esempio possiamo far riferimento al lavoro di wed_17 Esercizio su circuito in regime variabile, gia' simulato da g.schgor in MicroCap.
Lo schema della rete e' il seguente
e viene ricercata la funzione del tempo IL1(t), intensita' di corrente nell'induttore L1, a partire dalla chiusura dell'interruttore S1 (t=0).
In condizioni di riposo (t=0-) le correnti negli induttori e la tensione sul condensatore sono pari a 0.
L'equazione differenziale di partenza ricavata nell'articolo e' uguale alla seguente
e per comodita' abbiamo indicato con Y la corrente I L1.
Realizzeremo la simulazione costruendo il modello a partire dalla catena di integrazione, che ci porta, con passaggi successivi, dalla derivata terza alla funzione cercata.
Per prima cosa trasportiamo nella finestra di lavoro i blocchi elementari che verranno utilizzati nel modello.
Da sinistra:
- costante → puo' assumere valori alfanumerici e vettoriali
- moltipplicatore → accetta anche ingresso vettoriale
- divisore → l e' il numeratore, r il denominatore
- sommatore → puo' essere invertito un ingresso con CTRL+Right_mouse
- display 2D → puo' rappresentare piu' segnali contemporaneamente
- invertitore → inverte il segno
- integratore → esegue l'integrale del segnale in ingresso (permette di impostare il "valore iniziale")
- variabile → puo' essere usato per ricevere e trasferire un segnale (anche senza collegamento fisico)
- posizionatore di collegamento → serve solo per "forzare" la posizione di un collegamento
Per l'inserimento si e' fatto uso delle barre superiori (alternativamente dalla sottofinestra di sinistra).
I blocchi, dopo essere stati selezionati con tasto Left_mouse (click+drag), possono essere: cancellati, copiati e infine "cambiati di verso" con un CTRL+LEFT.
Costruiamo ora la catena principale di integrazione con i blocchi variabile+integratore; i collegamenti si costruiranno con l'aiuto del puntatore del mouse, che avvicinato all'uscita di un blocco permettera' di tracciare un collegamento all'ingresso del blocco seguente.
Assegneremo il nome della prima variabile a sinistra con un doppio-click sul blocco; la chiameremo
e cosi' via per le altre tre variabili.
Essendo pari a zero le condizioni iniziali non dovremo impostare nessun parametro nei blocchi integratori.
Per aumentare il numero degli ingressi a un blocco sommatore, divisore o moltipplicatore, si utilizzano gli strumenti evidenziati in alto a sinistra della seguente figura (o da EDIT Add Connector/Remove Connector).
Dopo aver assegnato i valori dei parametri circuitali, L1, L2, C1, E, a quattro blocchi costanti, si procede alla formazione dei coefficienti H e K dell'equazione differenziale attraverso successive operazioni di prodotto divisione e somma.
L'equazione differenziale di partenza verra' infine realizzata, uguagliando, nel modello a blocchi, la somma
con la derivata terza
, per mezzo del collegamento che, dall'ultimo sommatore a destra, ritorna all'inizio della catena di integrazione.
Si fa notare infine come in ingresso al display 2D siano stati collegati i blocchi Y (corrente cercata) e VC1 (tensione sull'induttore ricavata con la legge di Faraday-Neumann-Lenz).
Non ci rimane che andare su Simulate > Simulation Properties e fissare i parametri si simulazione fra 0 e 0.05 s a passi di 0.0001 s (500 passi)
e un bel F5 per il GO.
Per le regolazioni delle scale del grafico, doppio-clik sulla finestra Plot > Properties ... Grid ... Axis ecc. per gli aggiustamenti finali.
... to be continued

Elettrotecnica e non solo (admin)
Un gatto tra gli elettroni (IsidoroKZ)
Esperienza e simulazioni (g.schgor)
Moleskine di un idraulico (RenzoDF)
Il Blog di ElectroYou (webmaster)
Idee microcontrollate (TardoFreak)
PICcoli grandi PICMicro (Paolino)
Il blog elettrico di carloc (carloc)
DirtEYblooog (dirtydeeds)
Di tutto... un po' (jordan20)
AK47 (lillo)
Esperienze elettroniche (marco438)
Telecomunicazioni musicali (clavicordo)
Automazione ed Elettronica (gustavo)
Direttive per la sicurezza (ErnestoCappelletti)
EYnfo dall'Alaska (mir)
Apriamo il quadro! (attilio)
H7-25 (asdf)
Passione Elettrica (massimob)
Elettroni a spasso (guidob)
Bloguerra (guerra)