Indice |
Introduzione
Rovistando nei nostri cassetti spesso ci imbattiamo in componenti dai piu considerati obsoleti.
Per alcune applicazioni però alcuni componenti "primordiali" hanno prestazioni simili se non migliori
di quelli odierni.
Ecco quindi un piccolo stimolo alla progettazione "Green" e al riutilizzo di intramontabili componenti
adatti a progetti attuali anche con i moderni microcontrollori.
Cos'è un optoisolatore?
Un optoisolatore o fotoaccoppiatore è in sostanza un componente che permette il passaggio di una grandezza elettrica da un circuito a un altro circuito garantendo il totale isolamento galvanico tra ingresso e uscita .
Com'è realizzato un comune fotoaccoppiatore?
Questo componente normalmente si puo dividere in tre parti:
- un "trasmettitore" che trasforma un segnale elettrico in ingresso (comunemente una corrente) in una radiazione luminosa.
- uno spazio di aria o altro materiale isolante e trasparente che separi il trasmettitore dal ricevitore.
- un "ricevitore" adatto a riconvertire la radiazione luminosa nel segnale utile in uscita (comunemente una corrente).
Negli optoisolatori recenti uno o piu led di solito nella banda dell'infrarosso sono otticamente affacciati a un ricevitore per esempio un fototransistor.
Ecco uno schema elettico di un normale optoisolatore .
In pratica la corrente di base del transistor (ricevitore) è la luce che viene generata dal led (trasmettitore).
Quindi la corrente di collettore del fototransistor è proporzionale alla corrente del led (non proprio linearmente ed entro certi limiti).
Le case costruttrici hanno sempre migliorato nel tempo questi componenti spingendo come sempre sulla velocità di trasferimento ,sull'affidabilità e sulla miniaturizzazione.
Ma se utilizzato a frequenze inferiori al centinaio di Hz,e non si hanno problemi di ingombro, si puo usare un po di tutto.
Da qui è nata l'idea...
Un optoisolatore "Speciale"
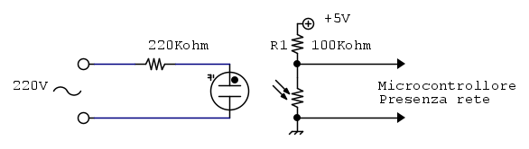
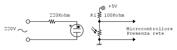
Spesso facendo qualche progettino da appassionato mi sono ritrovato col dilemma di interfacciare un moderno microcontrollore con alcune grandezze da prelevare direttamente dalla tensione di rete per intenderci la 220Vac.
Il problema da risolvere può essere riassunto nei seguenti punti :
-Rilevare la presenza o l'assenza della tensione di rete e mandare questo dato su un ingresso digitale di un Pic o arduino o altro microcontrollore.
-Il circuito deve prevedere un perfetto isolamento galvanico della parte di controllo dalla parte di potenza a tensione di rete.
-Non interessa una risposta in frequenza particolare anzi si richiede la massima reiezione ai disturbi e una buona affidabilità, quindi il minor numero di componenti con la piu bassa complessità realizzativa e costruttiva.
-Adottare il sistema che consumi meno potenza per assolvere a questo compito possibilmente meno di un componente commerciale.
-Utilizzare solo componenti che giacciono normalmente dimenticati nei cassetti da diversi anni.
Ed ecco cosa ne è venuto fuori...
Osservando lo schema vediamo i componenti utilizzati
Il "trasmettitore" è una comunissima lampadina Neon. Come quella in foto
Il ricevitore è una altrettanto comune fotoresistenza quelle con la parte attiva bruno rossiccia (CDS).
Sono stati posizionati in un tubicino nero con l'interno bianco alla distanza di pochi millimetri.
In pratica "ho inventato ... l'acqua calda" questo sistema si usava gia negli anni '50 in alcuni amplificatori(Fender vibrato).
Nel mio frigor/congelatore di casa la scheda di controllo (rifatta da me causa guasto della originale)tramite questo tipo di "fotoaccoppiatore" controlla la presenza della tensione di rete.
Grazie a questo input il Pic (programmato in assembly) mi segnala la sua mancanza e ne misura anche la durata indicandola sul Display.
In piu attende 120 secondi dal ripristino prima dare il consenso per riaccendere i compressori salvaguardandoli da ulteriori manovre del distributore.
Caratteristiche del circuito
Questo circuito che ai piu sembrerà anacronistico ha comunque alcuni vantaggi se usato nel suo ambito rispetto ad un comune fotoaccoppiatore:
- Mentre in un fotoaccoppiatore la tensione sul diodo è di circa un volt sulla lampada neon la tensione è di circa 60V.
- Per limitare l'invecchiamento della lampada è preferibile utilizzare una resistenza da 220k se la lampada è sempre accesa cosi da limitare la corrente a circa 0.7 mA a 220V .
Questo rende possibile avere un consumo pari o inferiore rispetto ai piu moderni optoisolatori.
- In base al tipo di fotorivelatore usato poi posso scegliere la banda passante del sistema:
- Se mi serve una banda passante molto bassa userò una fotoresistenza, che automaticamente provvederà a eliminare i disturbi che si dovessero manifestare sulla rete.
- Se invece mi serve una banda passante maggiore per vedere la frequenza di rete o identificare lo zero crossing userò un fotodiodo o un fototransistor.
- Non essendo tutto compresso in un minuscolo contenitore dip sia l'immunita ai disturbi che la resistenza ad eventuali scariche è sicuramente migliore
Altri Esempi di applicazione
Per applicazioni diverse occorre un fototransistor o un fotodiodo con una buona superficie (bpw34)da interfacciare alla lampada come in foto (manca il tubicino nero a coprire il tutto o termorestringente):
Esempio di un circuito Zero Crossing.
Ecco le forme d'onda: in ingresso la sinusoide e la relativa uscita (Ris 1V/Div).
Esempio di un circuito per rilevare la frequenza di rete.
Ecco le forme d'onda: in ingresso la sinusoide e la relativa uscita (Ris 1V/Div)
Dove "Trovare" un fototransistor
Se volete fare qualche esperimento ma vi manca il fototransistor...
Vi diro come recuerare un doppio fototransistor.
Prendete un vecchio mouse a pallina magari Microsoft pronto da cestinare.
All'interno ci dovrebbero essere due encoder ottici formati da una coppia di fototransistor (scuri) e diodo led (chiaro) in banda infrarossa.
Con un po di calma asportare il doppio fototransistor per riutilizzarlo nello schema (funziona anche se non è in banda infrarossa).
Se ha due emettitori (i pin esterni nel mio caso)si possono mettere in parallelo.
Altrimenti si puo usare quello che si ha a disposizione... transistor metallici scoperchiati ...ecc
Conclusioni
Spero che la prossima volta che vi capiterà in mano una lampada neon o un mouse a pallina da buttare ... vi venga qualche ottima idea magari ispirata da questo mio articoletto.

Elettrotecnica e non solo (admin)
Un gatto tra gli elettroni (IsidoroKZ)
Esperienza e simulazioni (g.schgor)
Moleskine di un idraulico (RenzoDF)
Il Blog di ElectroYou (webmaster)
Idee microcontrollate (TardoFreak)
PICcoli grandi PICMicro (Paolino)
Il blog elettrico di carloc (carloc)
DirtEYblooog (dirtydeeds)
Di tutto... un po' (jordan20)
AK47 (lillo)
Esperienze elettroniche (marco438)
Telecomunicazioni musicali (clavicordo)
Automazione ed Elettronica (gustavo)
Direttive per la sicurezza (ErnestoCappelletti)
EYnfo dall'Alaska (mir)
Apriamo il quadro! (attilio)
H7-25 (asdf)
Passione Elettrica (massimob)
Elettroni a spasso (guidob)
Bloguerra (guerra)



