Salve a tutti :)
In una giornata alla ricerca di un po' di musica ho deciso di realizzare una piccola tastiera per generare delle semplici note musicali.
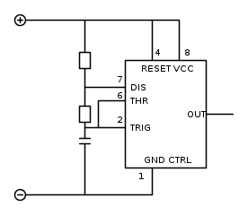
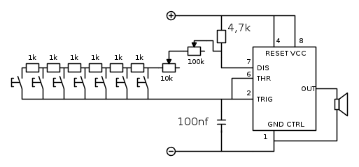
Cosi, con pochi componenti ho realizzato un generatore di onde quadre con un ne555 configurato come astabile.
Poi, facendo qualche calcolo ho dimensionato i componenti
Lo speaker è da 1/2 w 8 ohm.
Parto dal presupposto che le resistenze da 1k messe tutte in serie fanno si che man mano che si suonano pulsanti con sempre più resistenze da 1 k in serie si ottiene la progressiva diminuzione della tonalità (SI-LA-SOL-FA-MI-RE-DO). Ruotando i potenziometri si regolano tutte le note e cosi, a seconda del valore assunto, tutta la scala di note assumerà un tono più grave o acuto.
Il circuito è alimentato semplicemente con una batteria da 9 volt.
Per ogni bottone e resistenza da 1k che aggiungiamo otteniamo sempre più suoni e quindi una scala di note più
vasta...
Nota bene: quando si fanno i calcoli bisogna ricordarsi di convertire i sottomultipli nell'unità fondamentale.
Ecco la frequenza massima ottenibile (considerando solo i potenziometri) :
Ton = 0,69*(R1 + R2)*C = 0,0079 s
Toff = 0,69*R2*C = 0,0076 s
T = Ton + Toff = 0,69*(R1 + 2R2)*C = 0,0155 s
f = 1/T = 1,44/[(R1 + 2R2)*C] = 64 hz
D.C. (%) = Ton/T*100 = 51 %
Per ciò che riguarda la frequenza massima la si dovrebbe calcolare come se vi fosse 1 ohm di resistenza. A livello teorico con 1 ohm si dovrebbero avere 3062,5 hz circa ma con un duty cycle che va oltre il 99%.
Potete vedere che, anche appoggiando i cavi del potenziometro sulla mano il circuito funzionerà: la pelle umana ha una resistenza molto alta (molti mega ohm) e si possono ascoltare cosi dei "tac" molto distanziati tra loro.
Ed ecco delle foto della costruzione:
Da notare le viti a testa bombata che fungono da interruttori, avevo dei pulsanti ma volevo fare qualcosa di vintage.....
Le resistenze non si vedono ma sono dietro i tasti
Ho aggiunto un diodo per proteggere il circuito da polarità inversa (è difficile dato che c'è già la clip da 9v con la forma della batteria da 9v ma anche solo il tentativo di farli combaciare con il verso opposto potrebbero danneggiarlo).
Insomma, la realizzazione è molto semplice ma ne esce un apparecchio che può essere un bel gadget, semplice ma divertente.
Detto questo passiamo ai ringraziamenti:
Ringrazio tutti gli utenti che mi hanno aiutato a risolvere i dubbi che avevo, grazie anche alla disponibilità della community.
Sono iscritto da quasi un anno ma ho iniziato a partecipare in modo attivo da qualche mese e devo dire che questo è uno dei forum in cui mi sono trovato meglio.
Un grazie speciale anche a TardoFreak per il pic 18 in omaggio, sto cercando di dedicarmi più che posso ad ampliare le mie basi di C ed entrare nel mondo della programmazione.
Detto ciò dedico questo articolo a tutti gli utenti di EY e spero che il tempo mi permetta di scriverne altri.
Un saluto a tutti e alla prossima
:D

Elettrotecnica e non solo (admin)
Un gatto tra gli elettroni (IsidoroKZ)
Esperienza e simulazioni (g.schgor)
Moleskine di un idraulico (RenzoDF)
Il Blog di ElectroYou (webmaster)
Idee microcontrollate (TardoFreak)
PICcoli grandi PICMicro (Paolino)
Il blog elettrico di carloc (carloc)
DirtEYblooog (dirtydeeds)
Di tutto... un po' (jordan20)
AK47 (lillo)
Esperienze elettroniche (marco438)
Telecomunicazioni musicali (clavicordo)
Automazione ed Elettronica (gustavo)
Direttive per la sicurezza (ErnestoCappelletti)
EYnfo dall'Alaska (mir)
Apriamo il quadro! (attilio)
H7-25 (asdf)
Passione Elettrica (massimob)
Elettroni a spasso (guidob)
Bloguerra (guerra)

