Indice |
Abstract
La terza uscita della "collana" ALCUNE RISPOSTE DI:... è dedicata a g.schgor che, potrei dire, è stato un fondatore del forum, essendosi subito attivato come primo vero esperto di Elettronica. Navigare tra le sue oltre seimila risposte è un'avventura che ogni appassionato di elettronica troverà istruttiva.
nonnoG
Sono un ingegnere in pensione dopo una intensa attività professionale come progettista di Automazione Industriale. La quarantennale esperienza acquisita in moltissimi campi applicativi diversi, mi ha permesso, nei primi anni di pensionamento, di sviluppare programmi didattici di simulazione destinati alla formazione 'pratica' degli studenti (e degli insegnanti) in molte materie. Con la diffusione di Internet, intendo distribuire (gratuitamente) a tutti gli interessati questa possibilità di formazione. Ecco, si presenta così, g.schgor nel suo sito personale, nonnoG.
Ed è quello che fa con metodo, tranquillità e costanza con la sua partecipazione al forum fin dal suo primo apparire nel web; e non solo al forum, ma al sito Electroportal-ElectroYou, cui ha consegnato innumerevoli lavori. Tra questi un testo completo, un ebook, sulla Elaborazione numerica dei dei segnali. Da segnalare anche il corso introduttivo a Microcap, con esempi applicativi.
Convinto sostenitore dell'utilità della simulazione al computer, mira sempre, nelle sue risposte, a ricercare la soluzione pratica ai problemi di elettronica ed automazione, ricorrendo a potenti strumenti informatici, quali MathCad e Microcap. Le sue risposte ad ogni argomento, sono sempre articolate in passi successivi che guidano l'interlocutore verso il circuito finale. In esse si avverte il sereno piacere che gli procura l'affrontare e risolvere i problemi, e dedica la stessa attenzione e cura sia a quelli complessi che a quelli semplici di chi è alle prime armi.
Elettronica analogica
Potreste spiegarmi il funzionamento del transistor come interruttore statico (e come amplificatore)?
Forse questo video ti puo' aiutare:
Devo comandare un'elettroserratura per un tempo limitato, una volta ricevuto il comando di apertura. Quale circuito mi consigliate?
R: Una possibile soluzione è quella di mantenere il comando alla bobina solo per breve tempo.
Ecco un circuito che mantiene il comando per ca 2s
All'arrivo del segnale (V1=12V), questo viene applicato alla bobina (R2) con in serie il Mosfet. Poiché contemporaneamente V1 viene applicato al circuito serie R3,C1,R1, sul gate di questo Mosfet c'è una tensione che parte da 6V (partitore R3,R1, con C1 scarico) e che diminuisce man mano C1 si carica.
Ora il Mosfet conduce finché il suo gate ha una tensione >4V, quindi attiva la bobina per il tempo in cui il condensatore si carica (fino appunto a far raggiungere al gate il valore di interdizione).
Alla fine del segnale (V1 ca = 0V) il condensatore si scarica (attraverso R3 ed R1) e si ripristinano le condizioni iniziali.
Una raccomandazione: occorre verificare che tale segnale sia a 0V (cioè come un contatto chiuso) quando non c'è comando (altrimenti serve una resistenza (1K) in parallelo al segnale, perché il condensatore possa scaricarsi, quando il segnale viene a mancare)
Devo ridurre un segnale da 1 V a 20 mV. Come devo fare?
R: L'opamp serve egregiamente per ottenere un valore di uscita (Vu) proporzionale ad un valore d'ingresso (Vi).
Applicando Vi ad una resistenza Ri collegata al' ingresso invertente (V − ) e prevedendo una resistenza di retroazione Rf fra uscita lo stesso ingresso invertente (e collegando a massa l'ingresso non-invertente V + ), vale la relazione:
(poiche' l'impedenza dell'ingresso si puo' considerare infinita)
Scegliendo ad es.
, poiche' nel tuo caso e'
e
, risulta
.
L'unico problema e' che l'uscita e' invertita (ha segno opposto) rispetto all'ingresso. Ma anche questo, volendo, puo' essere risolto.
Ecco il circuito simulato con MicrocCap
Io posseggo una sirena a fischio degli anni 80 da 12 V 40 W che dovrei montare su un mezzo antincendio di un'associazione. Come posso realizzare un'intermittenza con alimentazione 12 V ?
R:Se la sirena è da 12 V e 40 W, la corrente assorbita è 3.3 A. Io proporrei un oscillatore NE555 che pilota un Mosfet da 5A (IRF510)
la R1 rappresenta la sirena. Tutti gli altri componenti sono chiaramente indicati. Rimane la difficoltà realizzativa (consigliabile prototipo su breadboard). Dunque per la breadboard hai già la risposta. E' consigliabile per una eventuale messa a punto del circuito rapida e senza sprechi di materiale. Certo che questo richiede un minimo di attrezzatura e competenza, quindi non un semplice montaggio di componenti.
Circa le protezioni, può essere previsto un interruttore da minimo 5A per l'inserzione ma soprattutto è utile un diodo (ad es CSDP600M, da 6A) da mettere in parallelo alla sirena (con la punta verso il +), per evitare sovratensioni. Volendo, oltre all'interruttore si può mettere un fusibile (sempre da 5A) in serie al + dell'alimentazione (batteria).
Circa i tempi, se non soddisfacenti, possono essere variati agendo su R4 ed R5.Per i fili d'uscita infine sono 3 (il + è in comune sia al circuito che alla sirena).
Vorrei una spiegazione del funzionamento di un SCR con carico ohmico-iduttivo
Segnalo questo video che può aiutare nella comprensione del comportamento di un SCR con carichi induttivi:
(Se interessa, posso dare anche il riferimento del programma di simulazione)
Vorrei temporizzare due contatti in questo modo: un contatto A che si chiude e si riapre subito, dopo 3 s si chiude e si riapre subito un secondo contatto B. Dopo 10 min si attiva ancora il contatto A, e così continua.
R: Ecco uno schema:
V1 è la batteria a 9V, X1 è l'NE555, i diodi 1N4007. C1 è elettrolitico, mentre C2, C3 e C4 sono non-polarizzati.
In simulazione funziona ma, poiché non conosco le caratteristiche dei relè che userai (5V, da circuito stampato), dovrai fare delle prove per vedere se i tempi di chiusura dei contatti sono sufficienti al tuo scopo.
Consiglio di ridurre per queste prove i tempi di ciclo dell'NE555 a pochi secondi. Magari ne riparliamo quando sei pronto per le prove.
Vorrei capire l'influenza delle resistenze in un circuito duplicatore a ponte con due condensatori e due diodi.
Per il dimensionamento di questi circuiti, consiglio una sumulazione (ad es. com MicroCap9) come questa:(V1, alternata 12V.50Hz)
Ora se
la forma d'onda è la seguente:
Con
, la forma d'onda diventa questa:
La simulazione ha solo uno scopo dimostrativo dell'impatto che la diminuzione del valore di R comporta. Per un uso corretto bisognerebbe sapere lo scopo e i limiti imposti al circuito. Cosa dovresti alimentare con questo raddrizzatore? qual'è il limite di tolleranza accettabile sulla variazione della tensione di uscita? Con questi dati è possibile progettare/simulare un circuito adatto.
Elettronica digitale
Come funziona un registro a scorrimento?
Lo spiego in questo video
Mi servirebbe un circuito per effettuare ogni 10 minuti la seguente sequenza di chiusura dei contatti
1 contatto-- 2 secondi
2 contatto-- 1 secondo
3 contatto-- 1 secondo
4 contatto-- 1 secondo
NB:quando avviene la pressione del contatto 2..tra il contatto 2 e il 3 ci deve essere una pausa un delay di 3 secondi
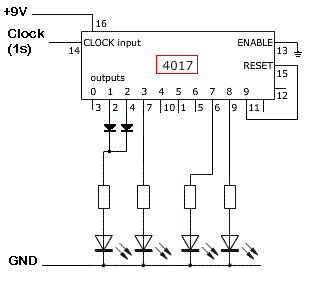
R:Un integrato, 4017,della serie CMOS 4000, può svolgere questa sequenza se gli si applica un clock di 1s.
Per la prova puoi utilizzare i LED come nello schema,
poi questi vanno sostituiti con dei transistor che pilotano i relè, ciascuno come in questo schema:
Sì, al posto di ogni LED va il transistor che pilota il rispettivo relè.
Poi manca l'attivazione di questa sequenza ogni 10 min e la generazione del clock da 1s. Per queste funzioni bastano 2 NE555 (o 1 NE556).
Ecco i circuiti che completano lo schema: Questo LM556 dà la temporizzazione di 10min (U2A) e genera il Clock di 1s(U2B)
Questo 4011 serve a bloccare gli impulsi di clock per 10min e rilasciare solo quelli che servono al 4017 per svolgere la sequenza.
Totem pole ed open collector
R: Dunque, l'uscita di un dispositivo logico e' normalmente costituita da un transistor che funziona in saturazione (chiuso) oppure in interdizione (aperto).
Per limitare la corrente nel transistor si puo' porre una resistenza fra collettore ed alimentazione (come per un amplificatore di segnale), ma si puo' porre un altro transistor (come nelle famiglie logiche TTL) che riduce la dissipazione ed aumenta la capacita' di alimentare piu' ingressi di altri elementi (fan-out).
Questa configurazione di 2 transistor in serie e' chiamata convenzionalmente "totem pole".
In alcuni casi invece si lascia in uscita solo il transistor con il collettore aperto (open collector). Cio' consente di collegare in parallelo diverse uscite (mettendo una resistenza esterna cosiddetta di pull-up), per realizzare l'And (wired And) di queste, senza quindi necessita' di un altro elemento logico.
Come funziona un frequenzimetro digitale?
R: Il frequenzimetro (cioe' misuratore di frequenza) e' un apparato che "conta", per un certo tempo stabilito, gli impulsi delle frequenza applicata al suo ingresso, e ne visualizza il risultato.
L'apparato e' costituito essenzialmente da due contatori, uno che conta gli impulsi della frequenza d'ingresso, l'altro che conta gli impulsi prodotti da un oscillatore di estrema precisione (solitamente stabilizzato al quarzo).
Quando questo secondo contatore ha raggiunto un valore prestabilito (quindi dopo un intervallo di tempo determinato con assoluta precisione) si blocca il conteggio del primo e se ne memorizza il risultato in una serie di D-Flip-Flop (registro).
Il contenuto di quest'ultimo viene decodificato da un display numerico, che indica appunto la misura della frequenza.
E' evidente che alla fine di un conteggio, entrambi i contatori vengono azzerati, per ricominciare un nuovo ciclo di misura.
L'importanza dello strumento e' data dal fatto che molte grandezze fisiche possono essere facilmente trasformate in frequenza d'impulsi.
Si pensi ad es. alla velocita' di un motore: con un "generatore d'impulsi" accoppiato al suo albero si puo' generare una frequenza proporzionale sua alla velocita' angolare, quindi misurarne "digitalmente" il valore.
Progetto di timer countdown
Vorrei realizzare, magari senza componenti da programmare, un timer che allo scadere del tempo faccia suonare un cicalino. Il timer deve avere un display lcd o 4 cifre a sette segmenti, su cui visualizzare il tempo in minuti e secondi.
R:
La soluzione migliore sarebbe ovviamente con PIC.
La soluzione ad integrati non è difficile, ma per un conteggio a 4 cifre con visualizzazione, richiede un discreto numero di elementi (mentre col PIC la visualizzazione può essere multiplexata, riducendo quindi al minimo il numero dei componenti).
Per ragioni di spazio (e di chiarezza) ho limitato a 2 le decadi di conteggio, come pure ho limitato alla decade delle decine la preselezione (è ovvio che lo stesso circuito andrebbe ripetuto per tutte le 4 decadi).
Con l'interruttore (tasto A) chiuso si ha il preset al valore impostato (in BCD) sul microselettore J1 (da estendersi poi alla altre 3 decadi).
Con l'attivazione del tasto, inizia il conteggio a ritroso degli impulsi (generati da un LM555, impostato per 1s, con potenziometro al posto di R2).
Al raggiungimento del conteggio 0 (rilevato dalla 4 decadi con il 4002), si ha l'attivazione dell'uscita di questo (vedi segnalatore) e lo stop del conteggio.
Elettrotecnica di base
R: Cominciamo con il comportamento all'applicazione del gradino.
R=0 e' teoria, perche' comporterebbe un picco di corrente infinito! se non la reattanza, almeno il generatore dovrebbe presentare una sua resistenza interna.
Con R piccola si ha dunque un'oscillazione smorzata che indica lo scambio di energia fra L e C (e viceversa) , con un periodo che dipende dai valori di L e C. L'oscillazione è sempre piu' smorzata al crescere di R ( che "dissipa" l'energia in gioco) fino a che l'andamento diviene aperiodico.
In regime “transitorio”, applicando un segnale a gradino, in un tempo piu’ o meno lungo si raggiungera’ infatti una situazione finale di equilibrio con il condensatore carico alla tensione del gradino e senza piu’ circolazione di corrente.
Diversa e’ la situazione se alimentiamo lo stesso circuito con una f.e.m (E) a frequenza variabile.
L’impedenza del circuito e’ infatti
dove ω = 2πf è la frequenza, in Hz).
Se ora hai la possibilita’ di calcolare Z a valori di f diversi e li metti in grafico (f in ascisse ed il modulo di Z in ordinate) ti accorgerai che questo presenta un evidente minimo.
Questo minimo e’ R, e si ha quando
, come del resto si puo’ ricavare dalla formula di Z,
e rappresenta il fenomeno noto come “risonanza elettrica”.
Credo sia superfluo sottolineare che se R fosse zero, anche qui la corrente andrebbe teoricamente all’infinito.
Ma c’e’ un altro fenomeno da evidenziare: ad ogni valore di frequenza corrisponde una corrente (E/Z) che, circolando in L e C provoca valori di tensione ai capi di questi che possono essere piu’ volte il valore di E ( quindi tensioni contrapposte che possono essere pericolose e distruttive, anche se la somma delle tensioni su Z rimane sempre =E)
Spero di aver chiarito i fatti, e di aver dato spunti di riflessione.
Azionamento e controllo di un motore DC
Devo realizzare un controllo di poiszione utilizzando un motore in corrente continua. Vorrei una descrizioni dei problemi di controllo, in particolare alle basse velocità.
R: A velocita' veramente molto basse rispetto a quelle normali, il motore in continua tende ad andare "a strappi", quindi puo' non seguire piu' la regolazione di velocita'. Questo puo' diventare un problema per controlli di posizione molto precisi ma si deve anche osservare che far girare il motore a bassissima velocita' in vicinanza della posizione da raggiungere fa oltretutto perdere molto tempo.
La soluzione migliore e' quella di "guidare" la decelerazione del motore (la velocita' deve decrescere con la radice quadrata dell'errore di posizione) per ottenere precisione massima in tempi minimi.
Negli azionamemti industriali e' standard l'anello interno di regolazione di corrente, poi viene quello di velocita' ed infine quello di posizione.
Quest'ultimo, come dicevo, puo' essere sostituito da un controllo piu' sofisticato che guida la decelerazione fino all'arresto nella posizione voluta, ma richiede un apposito microprocessore, o un PLC avanzato (che svolge regolazioni e calcoli).
E' bene tenere presenti alcuni punti. La preoccupazione di distruggere il motore non ha motivo se il motore e' "protetto" dall'anello di corrente. Ma questo fa normalmente parte del cosiddetto "azionamento", cioe' dell'alimentatore che fornisce al motore la potenza in corrente continua (e' questo che intendevo dicendo che 'anello di corrente e' "standard" nelle applicazioni industriali).
Quindi il "blocco" alimentatore +motore (con una sua propria costante di tempo) viene poi regolato in velocita'.
Qui le soluzioni possono essere diverse. Alcuni inseriscono anche questo anello direttamente nell'azionamento, altri lo demandano ad un livello di controllo superiore (quindi dotato di capacita' di calcolo che va oltre la semplice regolazione).
L'anello di posizionamento fa parte di questo livello che, generalmente, deve anche coordinare fra loro piu' azionamenti.
Come si vede, la struttura dell'automazione di un impianto e' di tipo piramidale a piu' livelli, alla cui base stanno gli "attuatori" (motori e loro azionamenti, ecc) ed al vertice i calcolatori di supervisione.
Certo, parlando di un solo motore, questa struttura non e' giustificata, ma d'altra parte devone essere considerate le prestazioni che si vogliono ottenere. Un conto e' dire che deve essere raggiunta una posizione, un altro e' stabilire con che precisione ed in che tempi. Le difficolta' per il progettista cominciano qui. Ecco che allora una semplice regolazione puo' non bastare.
I miei discorsi si riferivano ad azionamenti industriali, quindi di notevole potenza.Se si tratta di piccoli motori per tracciamento di profili, il problema si sposta dalla regolazione di velocita' al modo di fornire i riferimenti sui 2 assi, cioe' all'interpolazione dei movimenti fra punti corrispondenti consecutivi (dai valori discreti si dovrebbe passare a riferimenti quasi continui).
Il "blocco controllato" (che comprende l'alimentazione del motore, il motore stesso ed il carico) non e' spesso noto a priori. Soprattutto il carico, in termini sia di coppia resistente in funzione della velocita', sia d'inerzia (il cosiddetto PD^2), sono quasi sempre sconosciuti all'atto del progetto. Quindi, quando diamo un segnale all'ingresso di questo blocco "supponiamo" che risponda adeguatamente, ma non e' garantito. Se ad es. la coppia resistente corrispondente alla velocita' in quel momento assorbe tutta la potenza disponibile dall'azionamento non c'e alcuna possibilita' di "coppia accelerante", quindi nessun regolatore di velocita' e' in grado di controllare alcunche'!
Ecco quindi la prima considerazione: la potenza dell'azionamento limita le prestazioni "a regime" (cioe' dopo il transitorio).
Se poi si devono garantire anche prestazioni "dinamiche" (cioe' controllare anche l'andamento durante il transitorio), le cose si complicano ulteriormente. Se ad es. si vuole ridurre il "tempo di salita naturale" (cioe' il tempo richiesto a raggiungere, diciamo il 95% del valore del gradino di riferimento applicato), dobbiamo "forzare" il segnale di controllo. Ma questo tende a "saturare" l'uscita del regolatore, con conseguente perdita di controllo.
Anche qui e' evidentemente in discussione il margine di potenza dell'azionamento (e questo e' motivo di scontro tra impiantisti, cioe' di coloro che devono stabilire la potenza degli azionamenti da prevedere in un impianto, e regolatoristi, cioe' di quelli che devono progettare il sistema di controllo per garantire le prestazioni contrattuali!).
Ecco quindi la seconda osservazione: per garantire prestazioni dinamiche bisogna valutare il margine di potenza necessario (e questo spesso richiede una simulazione al calcolatore per esaminare le condizioni critiche).
La misura della velocita' mediante conteggio degli impulsi dall'encoder e' per forza "lenta": piu' aumenti la precisione di misura, piu' devi aumentare il tempo di conteggio.
Disponendo di capacita' di calcolo, un metodo alternativo estrememente rapido e' quello di misurare il periodo della frequenza generata, per poi farne l'inverso (normalmente si misura il tempo di un numero fisso di periodi). Per questo metodo occorre che i fronti di salita degli impulsi siano costanti e ripidi e che la frequenza con cui viene misurato questo tempo (ovviamente generata da un quarzo) sia molto elevata (al limite delle possibilita' del conteggio).
Miscellanea
qual è la diffrerenza tra controllo/ingressi/uscite/ecc in tensione e in corrente?
R:In elettrotecnica si distinguono i generatori di tensione (che idealmente dovrebbero avere "resistenza interna" =0, in modo da non presentare "cadute di tensione" a qualsiasi carico, quindi tensione d'uscita costante) dai generatori di corrente che viceversa dovrebbero avere (sempre idealmente) resistenza interna infinita, quindi corrente costante.
E' chiaro che i "generatori ideali" non esistono, pero', in pratica ci si puo' avvicinare ad uno o all'altro in base a queste caratteristiche.
Vorrei essere ancora piu' esplicito. Se tu hai un piccolo alimentatore che fornisce 10 V e gli attacchi una resistenza da
, che corrente ottieni?
Mi dirai:
.
Bene, e se la resistenza fosse di
Spero che tu non mi risponda
Infatti questo significherebbe che il "piccolo" alimentatore dovrebbe
fornire una potenza di
.
Cos'e' che non va? Ecco: un alimentatore reale ha una sua "resistenza interna" (che e' inversamente proporzionale alle dimensoni) che limita
la potenza erogabile. Se il nostro piccolo alimentatore avesse una resistenza interna di
, questa sarebbe trascurabile rispetto ad una esterna di 100 (quindi darebbe quasi i 100 mA) ma si mangerebbe tutta
la sua potenza (in surriscaldamento) con una da 0.1 ohm!
Che caratteristiche hanno i PLC di sicurezzai?
R:Posso citare la mia passata esperienza in ABB (risalente ormai
a diversi anni fa). Il PLC utilizzato per l'automazione degli impianti industriali era il Master Piece 200, gia' con caratteristiche di sicurezza elevate
(elevato MTBF), ma per applicazioni speciali si ricorreva al Master SafeGuard 200.
Questa configurazione garantiva la funzionalita' dell'impianto anche in occasione di un (singolo) guasto, con un raddoppio completo sia dell'alimentazione che del PLC. Naturalmente non bastava il semplice raddoppio, ma bisognava prevedere speciali controlli per verificare la corretta funzionalita' delle singole parti. Qualsiasi guasto era cosi' mmediatamente segnalato per permettere la sostituzione della parte senza interrompere il funzionamento.
E' evidente che cio' comportava costi elevati, ma le particolari applicazioni (ad es. l'automazione delle piattaforme petrolifere marine) li giustificavano pienamente.
Qual è il principio di funzionamento dei trasformatori oscillanti autoregolatori a corrente costante
I trasformatori a cui ti riferisci sono di tipo monofase, con due avvolgimenti separati (primario e secondario) ed hanno il nucleo centrale dimensionato in modo da poter far scorrere il secondario rispetto al primario. La distanza fra le due bobine determina la parte di flusso che viene dispersa (cioe' non viene utilizzata dal secondario), quindi determina la tensione (e di conseguenza la corrente) nel secondario.
Se la posizione di questo avvolgimento e' controllata mediante contrappesi ed ammortizzatori, si ottiene una regolazione automatica della corrente. L'utilizzo pratico nell'illuminazione stradale, dove le lampade sono poste in serie, e' infatti quello di mantenere costante la corrente, anche se qualche lampada dovesse andare in cortocircuito (nel caso di interruzione, un apposito dispositivo crea infatti il bypass della lampada).
Vorrei qualche informazione sulla tecnica delle onde convogliate
R: La tecnica delle onde convogliate riguarda la trasmissione di informazioni mediante l'utilizzo di portanti a bassa frequenza (VLF, quindi "basse" rispetto alle normali frequenze radio, in un campo che va da poche decine di kHz a qualche centinaia di kHz).
I loro primi impieghi risalgono ad una cinquantina di anni fa e riguardarono principalmente la telesorveglianza di reti elettriche territorialmente estese. Si realizzarono cosi' i primi "dispacciatori centrali", cioe' di centri da cui poteva essere controllato lo stato dell'intera rete. Naturalmente questo ebbe luogo di pari passo con lo sviluppo dei "telecomandi" e delle "telemisure", cioe' di apparati che consentono di rilevare lo stato di apertura o chiusura di interruttori (ed inoltre di comandarne il cambiamento) o di condizioni d'allarme, oppure di rilevare valori di misura, quali livelli di bacini, portate, tensioni e correnti elettriche,ecc.
Spesso si utilizzava la banda fonica modulante per un doppio servizio: quella fino a ca 3000 Hz come banda fonica (telefono di servizio) e quella superiore per i canali telegrafici (da 120 Hz ciascuno), cioe' appunto per trasmettere le telesegnalazioni.
La particolarita' di queste applicazioni era l'impiego delle linee di alta tensione come supporto al segnale (e questo richiede l'accoppiamento ad alto isolamento per gli apparati di ricezione e trasmissione)
Attualmente vi e' un rifiorire di questa tecnica per usi privati, soprattutto per la "domotica" (cioe' l'automazione delle utenze domestiche) sfruttando la rete di distribuzione a 220 V
E' infatti oggi possibile, con i bassi costi degli apparati elettronici, controllare da un apparato centralizzato (un calcolatore) tutti gli apparecchi elettrici presenti in una casa, ed eventualmente programmarne l'accensione o lo spegnimento in modo automatico. Questi apparati vengono pubblicizzati "senza necessita' di fili" intendendo che non richiedono la stesura di "nuovi fili" (infatti utilizzano la rete domestica esistente)
Un sistema meccanico è descritto dall'equazione:
Calcolare la risp analitica al segnale:
La soluzione con Mathcad è questa:
Segnalo la possibilità di usufruire di videolezioni sull'uso di MathCad direttamente dalla rete: [1]
Segnalo inoltre una raccolta di esempi applicativi, che possono facilitarne l'impiego pratico [2]

Elettrotecnica e non solo (admin)
Un gatto tra gli elettroni (IsidoroKZ)
Esperienza e simulazioni (g.schgor)
Moleskine di un idraulico (RenzoDF)
Il Blog di ElectroYou (webmaster)
Idee microcontrollate (TardoFreak)
PICcoli grandi PICMicro (Paolino)
Il blog elettrico di carloc (carloc)
DirtEYblooog (dirtydeeds)
Di tutto... un po' (jordan20)
AK47 (lillo)
Esperienze elettroniche (marco438)
Telecomunicazioni musicali (clavicordo)
Automazione ed Elettronica (gustavo)
Direttive per la sicurezza (ErnestoCappelletti)
EYnfo dall'Alaska (mir)
Apriamo il quadro! (attilio)
H7-25 (asdf)
Passione Elettrica (massimob)
Elettroni a spasso (guidob)
Bloguerra (guerra)