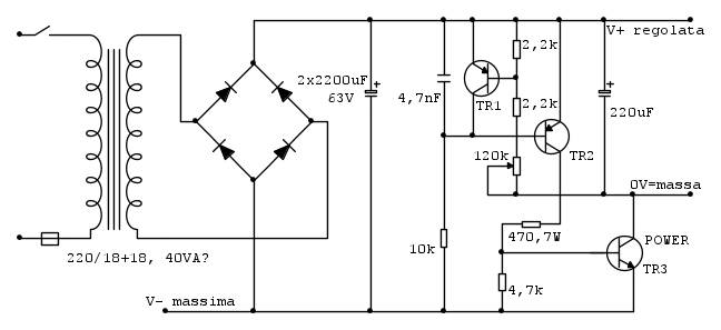
Descrivo un mio alimentatore a componenti discreti. Lo schema seguente, incompleto, serve per una prima descrizione:
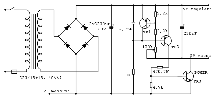
Il potenziometro da 120k, insieme alle due resistenze da 2,2k, costituisce un partitore che preleva una frazione della tensione di uscita e la porta a confronto con la Vbe di TR1. Detta Vbe si mantiene a circa 0,6V quindi costituisce una soglia di confronto discretamente stabile. Se tale soglia non viene raggiunta, TR1 resta interdetto quindi TR2 e TR3 vanno in conduzione e la tensione di uscita viene riportata al valore prefissato. Una capacità da 4,7 nF ed un'altra da 220 microF in uscita (poi aumentate) impediscono che avvengano oscillazioni o disturbi. Mi si perdoni questa narrazione del loop di regolazione della tensione.
Notiamo che TR2 ha bisogno di una piccola aletta di raffreddamento mentre TR3 può essere montato direttamente su contenitore metallico perchè il suo collettore si identifica col polo negativo di uscita.
Il campo di regolazione della tensione di uscita va da 1,2 a 40V.
Nello schema è stato indicato un terzo nodo di uscita isolato, in basso a sinistra, che all'occorrenza consente di prelevare la
piena tensione non regolata pari a circa 48V.
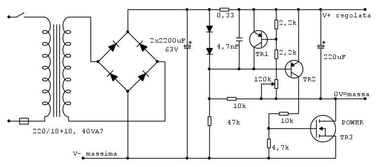
Adesso passiamo allo schema reale:
La differenza con lo schema precedente consiste nella presenza di una limitazione di corrente. La tensione che può essere fornita come Vbe a TR2 viene limitata a circa 1,15V da due diodi al silicio in serie, ma da questa tensione viene sottratta la caduta prodotta dalla corrente di uscita su una resistenza da 0,33 ohm. Poichè una Vbe di 0,65V è necessaria per mandare in conduzione il transistor TR2 e quindi anche TR3, ne viene fuori che la corrente di uscita è limitata a circa 1,5A.
La resistenza da 10 k, rispetto allo schema precedente, viene collegata diversamente allo scopo di diminuire un poco la detta soglia di corrente quando la tensione di uscita è bassa e quindi TR3 è più sollecitato come dissipazione termica.
Poi c'è una resistenza da 47k senza la quale la regolazione non si avvierebbe.
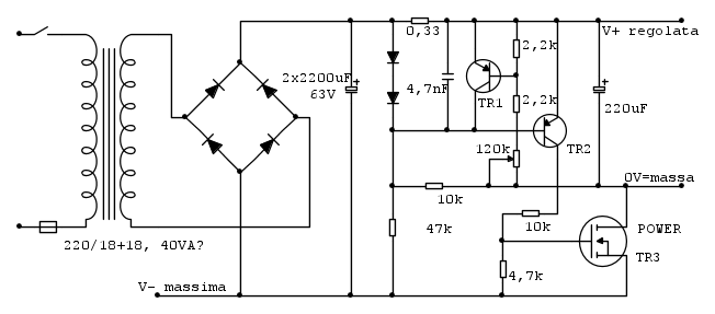
Un terzo schema riporta un Mosfet al posto del transistor bipolare di uscita TR3:
E' uno schema migliore perchè TR2 non ha bisogno di raffreddamento, ma lo riporto separatamente perchè non lo ho sperimentato.
Post Scriptum: Questo tipo di schema è collaudatissimo ma debbo aggiungere una postilla. Per alimentare delle apparecchiature delicate, NON dobbiamo partire dalla tensione minima e poi aumentarla manovrando il potenziometro. Infatti durante il transitorio dovuto al movimento del potenziometro, possono esserci sovraelongazioni di tensione. Invece si deve regolare prima il potenziometro, anche senza carico, e poi collegare il carico delicato senza toccare più il potenziometro. In questo modo l'affidabilità è totale.

Elettrotecnica e non solo (admin)
Un gatto tra gli elettroni (IsidoroKZ)
Esperienza e simulazioni (g.schgor)
Moleskine di un idraulico (RenzoDF)
Il Blog di ElectroYou (webmaster)
Idee microcontrollate (TardoFreak)
PICcoli grandi PICMicro (Paolino)
Il blog elettrico di carloc (carloc)
DirtEYblooog (dirtydeeds)
Di tutto... un po' (jordan20)
AK47 (lillo)
Esperienze elettroniche (marco438)
Telecomunicazioni musicali (clavicordo)
Automazione ed Elettronica (gustavo)
Direttive per la sicurezza (ErnestoCappelletti)
EYnfo dall'Alaska (mir)
Apriamo il quadro! (attilio)
H7-25 (asdf)
Passione Elettrica (massimob)
Elettroni a spasso (guidob)
Bloguerra (guerra)


